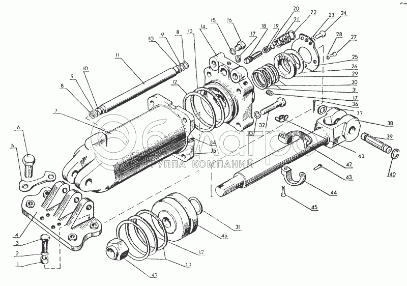
Каталог запасных частей к технике: МТЗ-80 (2002). Ц100 Гидроцилиндр Ц100х200

zoom-in zoom-out enlarge shrink circle-right circle-left file-text2 info cart arraw right arraw left zoom out zoom in arraw maximize arraw minimize
1
2
3
4
5
6
7
8
8
9
9
10
10
11
12
12
13
13
14
15
16
17
17
18
19
20
21
22
23
24
25
26
27
28
29
30
31
31
32
33
34
35
36
37
38
39
40
41
42
43
44
45
46
47
12
Ц100-1313043
Кольцо
В узле: 2
Ц100-1313043 Кольцо (91.0-5.0) >10 шт. 5.80 р.
6
70-4605036
Болт
В узле: 2
70-4605036 болт <10 шт. 231.36 р.
1
70-4605041
Втулка
В узле: 2
70-4605041 втулка (РБ) >10 шт. 354.40 р.
3
70-4605036-01
Болт
В узле: 2
70-4605036-01 Болт МТЗ <10 шт. 250.23 р.
31
Ц110-1414044
Кольцо
В узле: 2
Ц110-1414044 Кольцо РК >10 шт. 4.15 р.
5
70-4605034
Пластина
В узле: 2
70-4605034 Пластина МТЗ кронштейна цилиндра <10 шт. 107.12 р.
39
Ц90-1212037М
Палец
В узле: 1
Ц90-1212037М Палец гидроцилиндра МТЗ ЦС-100,ЦС-75, (У) Под заказ 549.12 р.
4
70-4605017-А
Кронштейн
В узле: 1
70-4605017-А Кронштейн МТЗ крепления цилиндра Ц100, САЗ <10 шт. 2 207.15 р.
Ц100x200-3
Цилиндр
В узле: 1
2
ГОСТ11371-78
Шайба С6.01.08кп.019
В узле: 2
7
Ц100x200.007-01
Корпус цилиндра
В узле: 1
15
ГОСТ9833-73
Кольцо 010-015-30-2-3
В узле: 2
9
Ц100x200053
Кольцо защитное
В узле: 2
10
Ц90-1212027
Шайба
В узле: 2
11
Ц100х200026
Маслопровод
В узле: 1
13
Ц100x200.055
Кольцо защитное
В узле: 3
14
Ц100x200.021
Крышка
В узле: 1
16
Ц50Х160.061
Заглушка
В узле: 2
17
Ц90-1212056
Заглушка 1/4"
В узле: 2
18
Ц90-1212004А
Клапан с уплотнением
В узле: 1
19
Ц90-1212034
Втулка
В узле: 1
20
Ц90-1212047
Кольцо
В узле: 1
21
Ц90-1212033А
Корпус клапана
В узле: 1
22
Ц90-1212046
Кольцо
В узле: 1
33
ОСТ37.001.115-75
Шайба 8Т
В узле: 4
32
ГОСТ7796-70
Болт М8-6gх20.88.35.019
В узле: 4
25
Ц100x200035А
Крышка чистиков
В узле: 1
26
Ц80х200036
Скребок
В узле: 1
45
ГОСТ7798-70
Болт M6-6gx16.88.35.019
В узле: 1
29
Ц80х200037
Манжета
В узле: 1
30
Ц100x200056
Кольцо
В узле: 2
34
Ц100x200065
Кольцо стопорное
В узле: 1
35
Ц100x200.025-1
Фланец
В узле: 1
36
ГОСТ397-79
Шплинт 3.2x18.019
В узле: 1
37
70-4619042
Шайба
В узле: 1
38
Ц100x200003-1А
Шток
В узле: 1
40
50-3406022А
Кольцо
В узле: 1
41
Ц90-1212031-А
Гайка-барашек
В узле: 1
42
Ц110-1414028-Б
Упор
В узле: 1
43
ГОСТ10299-80
Заклепка 8x22.01
В узле: 1
44
Ц110-1414029-Б
Полукольцо упора
В узле: 1
46
Ц100-1313023Г
Поршень
В узле: 1
47
Ц100x200.064
Гайка
В узле: 1
Содержащиеся в справочниках-каталогах запасные части и детали не предлагаются к продаже, а носят исключительно информационный характер

Ваша заявка была отправлена. В ближайшее время наши специалисты с Вами свяжутся по указанному Вами телефону.

Представьтесь
Поле обязательно для заполнения
Ваш телефон
Введите правильный номер телефона
E-mail
Введите правильный e-mail
Тема
Тема
применяемость финансирование доставка цена, наличие другое сервис и гарантия
Время для звонка
08:00
08:00 09:00 10:00 11:00 12:00 13:00 14:00 15:00 16:00 17:00 18:00 19:00
19:00
08:00 09:00 10:00 11:00 12:00 13:00 14:00 15:00 16:00 17:00 18:00 19:00

Мы постараемся перезвонить в указанное время

Если вы не хотите ждать, то звоните нашим вежливым консультантам:

8 800 100-2-700
Подтвердите, что вы не робот
Подтвердите, что вы не робот
Спасибо!

Ваше сообщение успешно отправлено!

ЗакрытьПовторить попытку