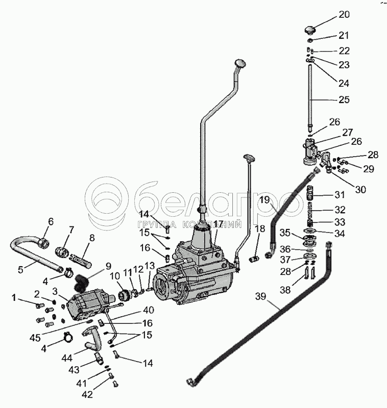
Каталог запасных частей к технике: МТЗ-80 (2009). Гидроходоуменьшитель

zoom-in zoom-out enlarge shrink circle-right circle-left file-text2 info cart arraw right arraw left zoom out zoom in arraw maximize arraw minimize
102-1742005
1
2
3
4
4
5
6
7
8
9
10
11
12
13
14
14
15
15
16
16
17
18
19
20
21
22
23
24
25
26
26
27
28
28
29
30
31
32
33
34
35
36
37
38
39
40
41
42
43
44
45
14
36-1104787
Болт
В узле: 2
36-1104787 Болт МТЗ М10х1.0х22 обратки форсунки, САЗ* >10 шт. 55.36 р.
36-1104787 Болт МТЗ М10х1.0х22 обратки форсунки, (А) Под заказ 5.43 р.
45
025-030-30-2-2
Кольцо
В узле: 1
025-030-30-2-2 Кольцо уплотнительное, Беларусь <10 шт. 17.42 р.
20
70-1702125
Рукоятка
В узле: 1
70-1702125 СБ рукоятка >10 шт. 91.18 р.
15
36-1104788
Прокладка
В узле: 4
36-1104788 Шайба 10.0х16.0х1.5 Д-240, Д-245 уплотнительная медная, (А) Под заказ 4.48 р.
18
70-3506022
Штуцер
В узле: 1
70-3506022 Штуцер МТЗ ввертный, САЗ <10 шт. 130.49 р.
19
680-4607140-05
Рукав высокого давления
В узле: 1
680-4607140-05 Рукав МТЗ Ду10 М20х1.5 S24 L=520 0/90 (РВД), (А) Под заказ 177.92 р.
26
014-018-25-2-2
Кольцо
В узле: 3
014-018-25-2-2 Кольцо уплотнительное, Беларусь <10 шт. 8.45 р.
102-1742005
Гидроходоуменьшитель
В узле: 1
1
М12x35
Болт
В узле: 4
2
ШП12
Шайба
В узле: 4
3
МГП-160
Мотор гидравлический планетарный
В узле: 1
4
НОРМАTORRO25-40/9-C6W
Хомут
В узле: 2
5
70-1742055
Трубопровод
В узле: 1
6
70-1742058
Гайка
В узле: 1
7
70-1742041-Б
Корпус
В узле: 1
8
70-1742045
Фильтр
В узле: 1
9
142-1742076
Шланг
В узле: 1
10
102-1742024
Втулка
В узле: 1
11
102-1742023
Шайба
В узле: 1
12
102-1742019
Шайба стопорная
В узле: 1
13
М8х20
Болт
В узле: 1
16
70-4607142
Штуцер
В узле: 2
17
102-1742010-01
Ходоуменьшитель механический
В узле: 1
21
М12x1,25
Гайка
В узле: 1
22
М6х12
Винт
В узле: 2
23
ШП6
Шайба
В узле: 2
24
102-1742175
Ограничитель
В узле: 1
25
102-1742179
Шток
В узле: 1
27
ШП8
Шайба
В узле: 8
28
М8х25
Болт
В узле: 4
29
102-1742190
Патрубок
В узле: 1
30
102-1742178
Золотник
В узле: 1
31
142-1742207
Пружина
В узле: 1
32
102-1742176
Поршень
В узле: 1
33
102-1742177
Прокладка
В узле: 1
34
102-1742172
Проставка
В узле: 1
35
029-032-19-2-2
Кольцо
В узле: 1
36
102-1742174
Крышка
В узле: 1
37
М8х60
Шпилька
В узле: 4
38
680-4607140-14
Рукав высокого давления
В узле: 1
39
102-1742160
Трубопровод
В узле: 1
40
70-1742040-Б
Маслозаборник
В узле: 1
41
ШП10
Шайба
В узле: ---
42
М10x20
Болт
В узле: 2
43
102-1742073
Штуцер
В узле: 1
44
142-1742070
Фланец
В узле: 1
Содержащиеся в справочниках-каталогах запасные части и детали не предлагаются к продаже, а носят исключительно информационный характер

Ваша заявка была отправлена. В ближайшее время наши специалисты с Вами свяжутся по указанному Вами телефону.

Представьтесь
Поле обязательно для заполнения
Ваш телефон
Введите правильный номер телефона
E-mail
Введите правильный e-mail
Тема
Тема
применяемость финансирование доставка цена, наличие другое сервис и гарантия
Время для звонка
08:00
08:00 09:00 10:00 11:00 12:00 13:00 14:00 15:00 16:00 17:00 18:00 19:00
19:00
08:00 09:00 10:00 11:00 12:00 13:00 14:00 15:00 16:00 17:00 18:00 19:00

Мы постараемся перезвонить в указанное время

Если вы не хотите ждать, то звоните нашим вежливым консультантам:

8 800 100-2-700
Подтвердите, что вы не робот
Подтвердите, что вы не робот
Спасибо!

Ваше сообщение успешно отправлено!

ЗакрытьПовторить попытку