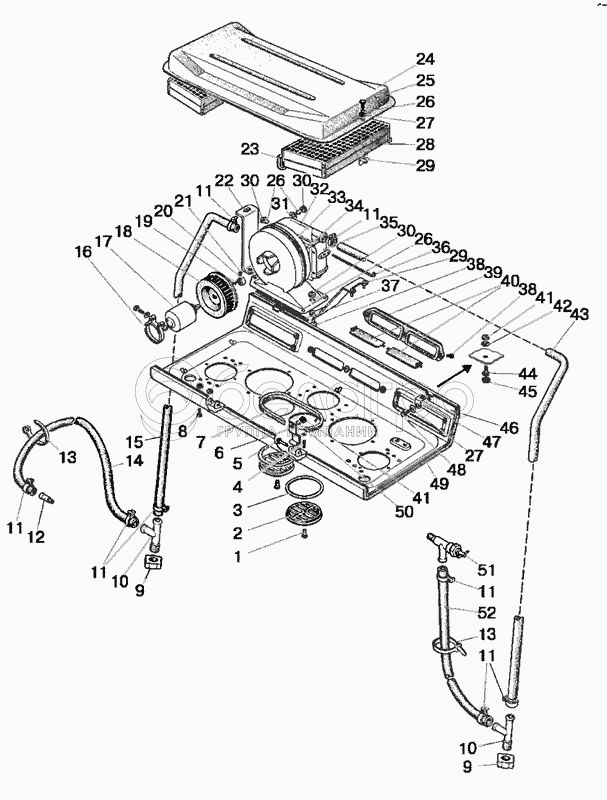
Каталог запасных частей к технике: МТЗ-80 (2009). Отопитель. Арматура отопителя
80-8101720
80-8101830
1
2
3
4
5
6
7
8
9
9
10
10
11
11
11
11
11
11
12
13
13
14
15
16
17
18
19
20
21
22
23
24
25
26
26
26
27
27
28
29
29
30
30
30
31
32
33
34
35
36
37
38
38
39
40
41
41
42
43
44
45
46
47
48
49
50
51
52
|
45
А30.04.017-01
Колпачок
В узле: 2
|
|||||||||||||||||||||||||||||||||||||||||||||||||||||||||||||||||||||||||||||||||||||||
| А30.04.017-01 Колпачок МТЗ, Беларусь |
|
>10 шт. | 4.53 р. | ||||||||||||||||||||||||||||||||||||||||||||||||||||||||||||||||||||||||||||||||||||
|
17
9742.3730
Электродвигатель
В узле: 1
|
|||||||||||||||||||||||||||||||||||||||||||||||||||||||||||||||||||||||||||||||||||||||
| 9742.3730 Привод вентилятора охлаждения на отопитель МТЗ, (А) |
|
>10 шт. | 1 110 р. | ||||||||||||||||||||||||||||||||||||||||||||||||||||||||||||||||||||||||||||||||||||
|
10
80-8100051
Тройник
В узле: 2
|
|||||||||||||||||||||||||||||||||||||||||||||||||||||||||||||||||||||||||||||||||||||||
| 80-8100051 Тройник отопителя МТЗ, Беларусь |
|
<10 шт. | 34.78 р. | ||||||||||||||||||||||||||||||||||||||||||||||||||||||||||||||||||||||||||||||||||||
|
40
80-8100012
Заслонка
В узле: 2
|
|||||||||||||||||||||||||||||||||||||||||||||||||||||||||||||||||||||||||||||||||||||||
| 80-8100012 Заслонка МТЗ, Беларусь |
|
Под заказ | 31.02 р. | ||||||||||||||||||||||||||||||||||||||||||||||||||||||||||||||||||||||||||||||||||||
|
28
80-8104070
Фильтр
В узле: 2
|
|||||||||||||||||||||||||||||||||||||||||||||||||||||||||||||||||||||||||||||||||||||||
| 80-8104070 Фильтр воздушный МТЗ кабины |
|
Под заказ | Нет на складе | ||||||||||||||||||||||||||||||||||||||||||||||||||||||||||||||||||||||||||||||||||||
| 80-8104070 Фильтр воздушный МТЗ кабины/(4701М Difa) |
|
Под заказ | 848.41 р. | ||||||||||||||||||||||||||||||||||||||||||||||||||||||||||||||||||||||||||||||||||||
|
12
80-8100023
Штуцер
В узле: 1
|
|||||||||||||||||||||||||||||||||||||||||||||||||||||||||||||||||||||||||||||||||||||||
| 80-8100023 Штуцер системы охлаждения МТЗ, САЗ |
|
Под заказ | 83.52 р. | ||||||||||||||||||||||||||||||||||||||||||||||||||||||||||||||||||||||||||||||||||||
|
18
80-8104034
Ротор
В узле: 1
|
|||||||||||||||||||||||||||||||||||||||||||||||||||||||||||||||||||||||||||||||||||||||
| 80-8104034 Ротор МТЗ, Беларусь |
|
Под заказ | 138.06 р. | ||||||||||||||||||||||||||||||||||||||||||||||||||||||||||||||||||||||||||||||||||||
|
3
80-8100013
Накладка
В узле: 2
|
|||||||||||||||||||||||||||||||||||||||||||||||||||||||||||||||||||||||||||||||||||||||
| 80-8100013 Накладка МТЗ |
|
Под заказ | 366.57 р. | ||||||||||||||||||||||||||||||||||||||||||||||||||||||||||||||||||||||||||||||||||||
|
46
80-8100100
Панель
В узле: 1
|
|||||||||||||||||||||||||||||||||||||||||||||||||||||||||||||||||||||||||||||||||||||||
| 80-8100100 Панель кабины МТЗ |
|
Под заказ | 3 070.46 р. | ||||||||||||||||||||||||||||||||||||||||||||||||||||||||||||||||||||||||||||||||||||
|
80-8101810
Панель
В узле: 1
|
|||||||||||||||||||||||||||||||||||||||||||||||||||||||||||||||||||||||||||||||||||||||
| 80-8101810 Панель МТЗ |
|
Под заказ | 8 267.95 р. | ||||||||||||||||||||||||||||||||||||||||||||||||||||||||||||||||||||||||||||||||||||
|
47
70-6702111
Угольник
В узле: 2
|
|||||||||||||||||||||||||||||||||||||||||||||||||||||||||||||||||||||||||||||||||||||||
| 70-6702111 Уголок МТЗ пола кабины |
|
Под заказ | 119.73 р. | ||||||||||||||||||||||||||||||||||||||||||||||||||||||||||||||||||||||||||||||||||||
|
24
80-8101760
Крышка
В узле: 1
|
|||||||||||||||||||||||||||||||||||||||||||||||||||||||||||||||||||||||||||||||||||||||
| 80-8101760 Крышка отопителя МТЗ |
|
Под заказ | 2 548.26 р. | ||||||||||||||||||||||||||||||||||||||||||||||||||||||||||||||||||||||||||||||||||||
Содержащиеся в справочниках-каталогах запасные части и детали не предлагаются к продаже, а носят исключительно информационный характер