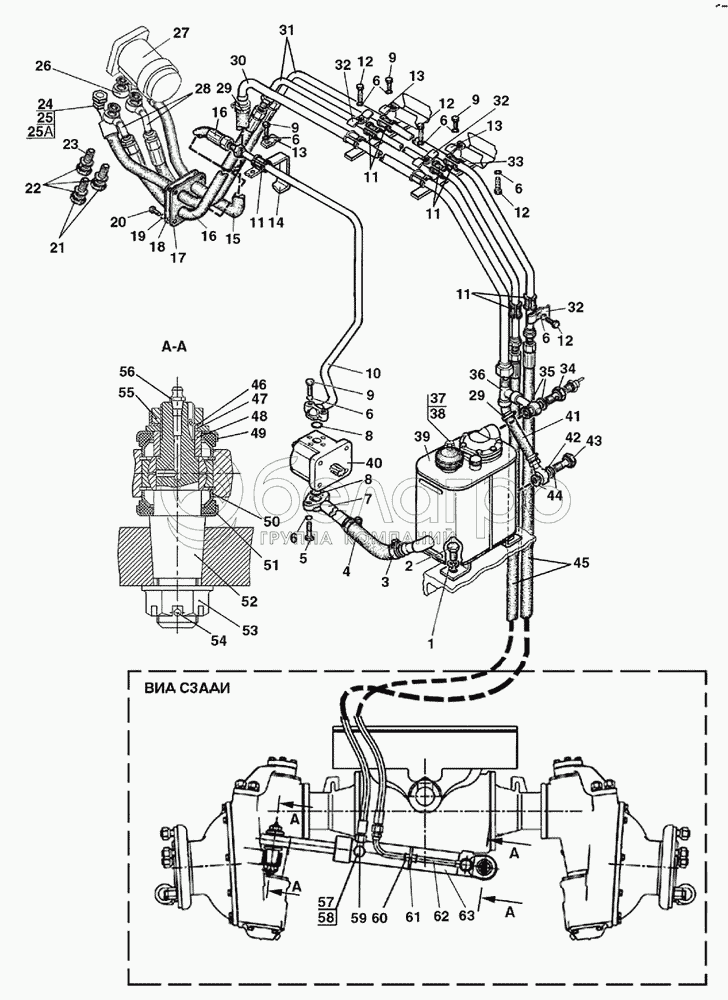
Каталог запасных частей к технике: МТЗ-821/921. Управление рулевое гидрообъемное
1
2
3
4
5
6
6
6
6
6
6
6
7
8
8
9
9
9
9
10
11
11
11
11
12
12
12
12
13
13
13
14
15
16
16
17
18
19
20
21
22
23
24
25
25А
26
27
27
27
28
29
29
30
31
32
32
32
33
34
35
36
37
38
39
40
40
40
41
42
43
44
45
46
47
48
49
50
51
52
53
54
55
56
57
58
59
60
61
62
63
|
52
102-3405103
Палец
В узле: 2
|
|||||||||||||||||||||||||||||||||||||||||||||||||||||||||||||||||||||||||||||||||||||||
| 102-3405103 ЗИ Палец МТЗ рулевого гидроцилиндра Ц50 (ЗИП в сборе) 130 мм, (А) |
|
Под заказ | 337.21 р. | ||||||||||||||||||||||||||||||||||||||||||||||||||||||||||||||||||||||||||||||||||||
| 102-3405103 Палец МТЗ рулевого гидроцилиндра Ц50 (голый) 130 мм, ВЗТЗЧ |
|
<10 шт. | 1 120.44 р. | ||||||||||||||||||||||||||||||||||||||||||||||||||||||||||||||||||||||||||||||||||||
| 102-3405103 ЗИ Палец МТЗ рулевого гидроцилиндра Ц50 (ЗИП в сборе) 130 мм, ВЗТЗЧ |
|
>10 шт. | 1 339.27 р. | ||||||||||||||||||||||||||||||||||||||||||||||||||||||||||||||||||||||||||||||||||||
|
43
40-4607032
Болт
В узле: 1
|
|||||||||||||||||||||||||||||||||||||||||||||||||||||||||||||||||||||||||||||||||||||||
| 40-4607032 Болт МТЗ, БЗТДиА |
|
>10 шт. | 543.90 р. | ||||||||||||||||||||||||||||||||||||||||||||||||||||||||||||||||||||||||||||||||||||
|
46
Ф80-3405103
Шайба стопорная
В узле: 2
|
|||||||||||||||||||||||||||||||||||||||||||||||||||||||||||||||||||||||||||||||||||||||
| Ф80-3405103 Шайба МТЗ |
|
Под заказ | 30.66 р. | ||||||||||||||||||||||||||||||||||||||||||||||||||||||||||||||||||||||||||||||||||||
|
50
Ф80-3405107
Втулка сферическая
В узле: 4
|
|||||||||||||||||||||||||||||||||||||||||||||||||||||||||||||||||||||||||||||||||||||||
| Ф80-3405107 Втулка МТЗ, (А) |
|
Под заказ | 15.58 р. | ||||||||||||||||||||||||||||||||||||||||||||||||||||||||||||||||||||||||||||||||||||
| Ф80-3405107 Втулка МТЗ |
|
Под заказ | 99.35 р. | ||||||||||||||||||||||||||||||||||||||||||||||||||||||||||||||||||||||||||||||||||||
|
58
Ф80-3407301
Болт
В узле: 2
|
|||||||||||||||||||||||||||||||||||||||||||||||||||||||||||||||||||||||||||||||||||||||
| Ф80-3407301 Болт МТЗ |
|
Под заказ | 146.64 р. | ||||||||||||||||||||||||||||||||||||||||||||||||||||||||||||||||||||||||||||||||||||
|
57
Ф80-3407114
Шайба
В узле: 4
|
|||||||||||||||||||||||||||||||||||||||||||||||||||||||||||||||||||||||||||||||||||||||
| Ф80-3407114 Шайба МТЗ |
|
Под заказ | 59.30 р. | ||||||||||||||||||||||||||||||||||||||||||||||||||||||||||||||||||||||||||||||||||||
|
59
2022-3407202
Переходник
В узле: 1
|
|||||||||||||||||||||||||||||||||||||||||||||||||||||||||||||||||||||||||||||||||||||||
| 2022-3407202 Угольник МТЗ поворотный |
|
Под заказ | 794.15 р. | ||||||||||||||||||||||||||||||||||||||||||||||||||||||||||||||||||||||||||||||||||||
|
48
Ф80-3405102-В
Втулка
В узле: 2
|
|||||||||||||||||||||||||||||||||||||||||||||||||||||||||||||||||||||||||||||||||||||||
| Ф80-3405102-В втулка МТЗ, БЗТДиА |
|
Под заказ | 160.22 р. | ||||||||||||||||||||||||||||||||||||||||||||||||||||||||||||||||||||||||||||||||||||
|
49
Ф80-3405108
Чашка уплотнительная
В узле: 4
|
|||||||||||||||||||||||||||||||||||||||||||||||||||||||||||||||||||||||||||||||||||||||
| Ф80-3405108 Чашка МТЗ рулевого пальца, (А) |
|
Под заказ | 15.58 р. | ||||||||||||||||||||||||||||||||||||||||||||||||||||||||||||||||||||||||||||||||||||
| Ф80-3405108 Чашка МТЗ рулевого пальца |
|
Под заказ | 47.44 р. | ||||||||||||||||||||||||||||||||||||||||||||||||||||||||||||||||||||||||||||||||||||
|
51
Ф80-3405109
Уплотнитель
В узле: 4
|
|||||||||||||||||||||||||||||||||||||||||||||||||||||||||||||||||||||||||||||||||||||||
| Ф80-3405109 Уплотнитель МТЗ шарнира, (У) |
|
Под заказ | 8.32 р. | ||||||||||||||||||||||||||||||||||||||||||||||||||||||||||||||||||||||||||||||||||||
|
22
Ф80-3407157
Шайба
В узле: 6
|
|||||||||||||||||||||||||||||||||||||||||||||||||||||||||||||||||||||||||||||||||||||||
| Ф80-3407157 Шайба МТЗ |
|
Под заказ | 94.39 р. | ||||||||||||||||||||||||||||||||||||||||||||||||||||||||||||||||||||||||||||||||||||
|
60
70-3506027
Втулка
В узле: 10
|
|||||||||||||||||||||||||||||||||||||||||||||||||||||||||||||||||||||||||||||||||||||||
| 70-3506027 Втулка МТЗ, Беларусь |
|
Под заказ | 9.62 р. | ||||||||||||||||||||||||||||||||||||||||||||||||||||||||||||||||||||||||||||||||||||
|
53
70-4605316
Гайка упорная
В узле: 2
|
|||||||||||||||||||||||||||||||||||||||||||||||||||||||||||||||||||||||||||||||||||||||
| 70-4605316 Гайка МТЗ |
|
Под заказ | 1 357.34 р. | ||||||||||||||||||||||||||||||||||||||||||||||||||||||||||||||||||||||||||||||||||||
|
32
70-3407146
Планка
В узле: 3
|
|||||||||||||||||||||||||||||||||||||||||||||||||||||||||||||||||||||||||||||||||||||||
| 70-3407146 Планка МТЗ |
|
>10 шт. | 42.50 р. | ||||||||||||||||||||||||||||||||||||||||||||||||||||||||||||||||||||||||||||||||||||
|
21
85-3407105
Болт
В узле: 2
|
|||||||||||||||||||||||||||||||||||||||||||||||||||||||||||||||||||||||||||||||||||||||
| 85-3407105 Болт МТЗ арматуры рулевого управления, БЗТДиА |
|
Под заказ | 410.40 р. | ||||||||||||||||||||||||||||||||||||||||||||||||||||||||||||||||||||||||||||||||||||
|
25А
680-4607140-06
Рукав высокого давления
В узле: 1
|
|||||||||||||||||||||||||||||||||||||||||||||||||||||||||||||||||||||||||||||||||||||||
| 680-4607140-06 Рукав МТЗ Ду10 М20х1.5 S24 L=800 0/90 (РВД), (А) |
|
Под заказ | 247.85 р. | ||||||||||||||||||||||||||||||||||||||||||||||||||||||||||||||||||||||||||||||||||||
|
17
2522-6703034
Прокладка
В узле: 1
|
|||||||||||||||||||||||||||||||||||||||||||||||||||||||||||||||||||||||||||||||||||||||
| 2522-6703034 Прокладка МТЗ |
|
Под заказ | 1 273.37 р. | ||||||||||||||||||||||||||||||||||||||||||||||||||||||||||||||||||||||||||||||||||||
|
36
923-3407050
Тройник
В узле: 1
|
|||||||||||||||||||||||||||||||||||||||||||||||||||||||||||||||||||||||||||||||||||||||
| 923-3407050 Тройник МТЗ |
|
Под заказ | 2 665.70 р. | ||||||||||||||||||||||||||||||||||||||||||||||||||||||||||||||||||||||||||||||||||||
Содержащиеся в справочниках-каталогах запасные части и детали не предлагаются к продаже, а носят исключительно информационный характер