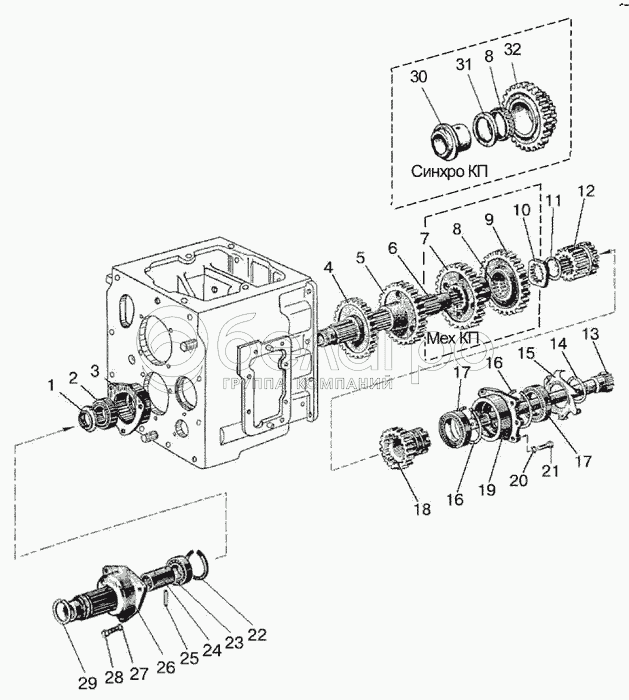
Каталог запасных частей к технике: МТЗ-821/921. Вал внутренний. Вал промежуточный

zoom-in zoom-out enlarge shrink circle-right circle-left file-text2 info cart arraw right arraw left zoom out zoom in arraw maximize arraw minimize
1
2
3
4
5
6
6
7
8
8
9
10
11
12
13
14
15
16
16
17
17
18
18
19
20
21
22
23
24
25
26
27
28
29
30
31
32
4
50-1701218
Шестерня V передачи и з. х.
В узле: 1
50-1701218 Шестерня МТЗ КПП, 5-й передачи и заднего хода, z=38/19, МЗШ >10 шт. 2 974.73 р.
50-1701218 Шестерня МТЗ КПП, 5-й передачи и заднего хода, z=38/19, (А) >10 шт. 1 148.47 р.
1
50-1701181
Гайка вала
В узле: 1
50-1701181 Гайка МТЗ вала промежуточного, (А) >10 шт. 35.33 р.
50-1701181 Гайка МТЗ вала промежуточного, БЗТДиА >10 шт. 598.23 р.
7
50-1701214
Шестерня III передачи
В узле: 1
50-1701214 Шестерня ведомая МТЗ промежуточного вала КПП 3-й, 6-й передачи, z=43, МЗШ >10 шт. 3 304.58 р.
50-1701214 Шестерня ведомая МТЗ промежуточного вала КПП 3-й, 6-й передачи, z=43, SPILE Под заказ 1 395.78 р.
5
50-1701216
Шестерня IV передачи
В узле: 1
50-1701216 Шестерня МТЗ КПП, 4-5 передачи, z=40, МЗШ >10 шт. 2 373.07 р.
50-1701216 Шестреня МТЗ КПП, 4-5 передачи, z=40, (А) Под заказ 849.10 р.
10
50-1701183
Шайба упорная
В узле: 1
50-1701183 Шайба МТЗ, (А) >10 шт. 146.90 р.
50-1701183 Шайба МТЗ Под заказ 366.57 р.
9
Ф50-1701056-Б
Шестерня промежуточная
В узле: 1
Ф50-1701056-Б Шестерня МТЗ КПП, 26/43, (А) >10 шт. 1 192.78 р.
Ф50-1701056-Б Шестерня МТЗ z=26/43, МЗШ >10 шт. 4 072.18 р.
12
70-1701196
Шестерня 1-й ступени редуктора
В узле: 1
70-1701196 Шестерня МТЗ z=20/20, МЗШ >10 шт. 3 212.94 р.
70-1701196 Шестерня МТЗ z=20/20, (А) Под заказ 888.88 р.
26
70-1701186
Гнездо
В узле: 1
70-1701186 Гнездо МТЗ промежуточного вала в корпусе КПП, SPILE Под заказ 1 186.12 р.
70-1701186 Гнездо МТЗ промежуточного вала в корпусе КПП, ВЗТЗЧ <10 шт. 3 579.57 р.
70-1701186 Гнездо МТЗ промежуточного вала в корпусе КПП, Беларусь <10 шт. 3 413.85 р.
24
50-1701188
Втулка
В узле: 1
50-1701188 Втулка МТЗ редуктора <10 шт. 872.51 р.
50-1701188 Втулка МТЗ редуктора, (А) >10 шт. 181.91 р.
13
50-1701185
Вал внутренний
В узле: 1
50-1701185 Вал внутренний МТЗ привода ВОМ Под заказ 3 728.61 р.
50-1701185 Вал внутренний МТЗ привода ВОМ, SPILE Под заказ 1 021.60 р.
11
50-1701187
Упор
В узле: 1
50-1701187 Упор МТЗ Под заказ 94.03 р.
22
2С80
Кольцо
В узле: 1
2С80 Кольцо (915216) ГОСТ 13941-86, МТЗ Под заказ 94.03 р.
3
50-1701184
Гнездо подшипника
В узле: 1
50-1701184 Гнездо МТЗ подшипника КПП, SPILE Под заказ 497.85 р.
50-1701184 Гнездо МТЗ подшипника КПП, Беларусь Под заказ 764.88 р.
18
50-1701198-А
Шестерня II ступени редуктора
В узле: 1
50-1701198-А Шестерня МТЗ КПП вала промежуточного, z=28 Под заказ 6 679.79 р.
50-1701198-А Шестерня МТЗ КПП вала промежуточного, z=28 SPILE Под заказ 2 629.91 р.
15
50-1701401
Крыльчатка
В узле: 1
50-1701401 крыльчатка Под заказ 288.02 р.
6
70-1701182-Б
Вал промежуточный
В узле: 1
70-1701182-Б Вал МТЗ КПП промежуточный Под заказ 5 410.24 р.
19
50-1701195
Стакан
В узле: 1
50-1701195 Стакан МТЗ, Беларусь Под заказ 1 209.08 р.
18
50-1701190-А
Шестерня II ступени редуктора в сборе
В узле: 1
50-1701190 А Шестерня МТЗ вала промежуточного, в сборе Под заказ 17 516.59 р.
32
74-1701056-Б
Шестерня
В узле: 1
74-1701056-Б Шестерня МТЗ КПП вала промежуточного, z=40/26, МЗШ Под заказ 7 813.50 р.
74-1701070
Шестерня
В узле: 1
74-1701070 Шестерня МТЗ z=40/26 <10 шт. 10 543.02 р.
Ф50-1701065
Шестерня
В узле: 1
2
60210АУШ1
Подшипник
В узле: 1
6
70-1701182-Б-01
Вал промежуточный
В узле: 1
8
3КК72х82х45Е
Подшипник
В узле: 1
14
2С75
Кольцо
В узле: 1
16
2С115
Кольцо
В узле: 1
17
6-12115ЕМУШ1
Подшипник
В узле: 1
20
12 ОТ
Шайба
В узле: 1
21
М12-6gx35.88.35.019
Болт
В узле: 4
23
307А
Подшипник
В узле: 1
25
А.8х45.65Г
Штифт
В узле: 1
27
10 ОТ
Шайба
В узле: 1
28
М10-6gx35.88.35.019
Болт
В узле: 3
29
2С60
Кольцо
В узле: 1
30
74-1701055-Б
Втулка
В узле: 1
31
74-1701057-Б
Втулка
В узле: 1
Содержащиеся в справочниках-каталогах запасные части и детали не предлагаются к продаже, а носят исключительно информационный характер

Ваша заявка была отправлена. В ближайшее время наши специалисты с Вами свяжутся по указанному Вами телефону.

Представьтесь
Поле обязательно для заполнения
Ваш телефон
Введите правильный номер телефона
E-mail
Введите правильный e-mail
Тема
Тема
применяемость финансирование доставка цена, наличие другое сервис и гарантия
Время для звонка
08:00
08:00 09:00 10:00 11:00 12:00 13:00 14:00 15:00 16:00 17:00 18:00 19:00
19:00
08:00 09:00 10:00 11:00 12:00 13:00 14:00 15:00 16:00 17:00 18:00 19:00

Мы постараемся перезвонить в указанное время

Если вы не хотите ждать, то звоните нашим вежливым консультантам:

8 800 100-2-700
Подтвердите, что вы не робот
Подтвердите, что вы не робот
Спасибо!

Ваше сообщение успешно отправлено!

ЗакрытьПовторить попытку