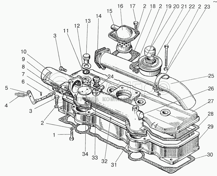
Каталог запасных частей к технике: МТЗ-822. Головка цилиндров. Клапаны и толкатели клапанов

zoom-in zoom-out enlarge shrink circle-right circle-left file-text2 info cart arraw right arraw left zoom out zoom in arraw maximize arraw minimize
1
2
2
2
2
3
3
4
5
6
7
8
9
10
10
11
12
13
14
15
16
17
18
19
20
21
21
22
23
24
25
26
27
28
29
29
30
31
32
33
34
24
Д18-055-А
Шайба
В узле: 1
Д18-055-А Кольцо уплотнительное МТЗ, ЗИЛ медное, d=14х19х1, ММЗ >10 шт. 54.66 р.
Д18-055-А кольцо медн.(диам. внутр. 14х19х1 мм) (А) >10 шт. 3.17 р.
28
240-1003109
Прокладка
В узле: 1
240-1003109 прокладка клапан. крышки (пробка 2,0 мм) Под заказ Нет на складе
240-1003109 Прокладка крышки ГБЦ МТЗ верхняя (резино-пробка), РФ Под заказ 103.33 р.
240-1003109 Прокладка крышки ГБЦ МТЗ верхняя (паронит 1,5 мм), РФ Под заказ 97.04 р.
31
240-1003031
Прокладка
В узле: 2
240-1003031 Прокладка коллектора впускного МТЗ, Беларусь >10 шт. 5.55 р.
30
240-1003108
Прокладка
В узле: 1
240-1003108 прокладка крышки (пробка 2,0 мм) <10 шт. Нет на складе
240-1003108 Прокладка крышки ГБЦ МТЗ нижняя (резино-пробка), РФ Под заказ Нет на складе
240-1003108 Прокладка крышки ГБЦ МТЗ нижняя (паронит 1,5 мм), РФ Под заказ 100.75 р.
13
50-1003104-А
Гайка колпака
В узле: 4
50-1003104-А Гайка МТЗ, ЗИЛ-5301 колпака головки блока, ММЗ >10 шт. 205.84 р.
12
50-1003106
Шайба
В узле: 4
50-1003106 Шайба МТЗ, Д-243, Д-245, Д-260 крепления колпака, ММЗ >10 шт. 54.66 р.
15
240-1002440
Фильтр
В узле: 1
240-1002440 Фильтр МТЗ-82 сапуна, ММЗ >10 шт. 338.96 р.
29
240-1003032-А
Крышка головки цилиндров
В узле: 1
240-1003032-А Крышка головки старого образца, до августа 2011 года, ММЗ Под заказ 3 994.68 р.
240-1003032-А Крышка головки старого образца, до августа 2011 года, (А) Под заказ 2 504.10 р.
14
240-1003264-А
Прокладка
В узле: 2
240-1003264-А Прокладка МТЗ паронит 0,5 мм, РФ Под заказ 8.09 р.
240-1003264-А Прокладка МТЗ темсил, РФ <10 шт. 7.31 р.
26
240-1003033
Коллектор
В узле: 1
240-1003033 Коллектор МТЗ впускной, ММЗ Под заказ 4 670.49 р.
27
240-1003122-Б
Колпак крышки
В узле: 1
240-1003122-Б Колпак МТЗ крышки головки блока цилиндров, ММЗ Под заказ 5 798.48 р.
25
240-1003260
Труба
В узле: 1
240-1003260 Труба МТЗ воздухоподводящая, ММЗ <10 шт. 1 839.52 р.
33
50-1117028
Пробка
В узле: 1
50-1117028 Пробка МТЗ <10 шт. 135.59 р.
5
240-1003240-А1
Валик
В узле: 1
240-1003240-А1 Валик МТЗ заслонки с рычагом, ММЗ Под заказ 1 065.37 р.
1
М8х35
Болт
В узле: 5
2
ШП8
Шайба
В узле: 10
3
М8х30
Болт
В узле: 5
4
240-1003226-А1
Пружина
В узле: 1
6
ВМ4х10
Винт
В узле: 2
7
009-013-25-2-1
Кольцо
В узле: 2
9
240-1003227
Штифт
В узле: 1
10
240-1003220-В-03
Патрубок
В узле: 1
10
240-1003222-В
Патрубок
В узле: 2
11
50-1003107-А-01
Кольцо
В узле: 4
16
240-1002430-В
Корпус сапуна
В узле: 1
17
М8х16
Болт
В узле: 4
18
240-1002444-А
Прокладка
В узле: 1
19
240-3707200-01
Пробка
В узле: 1
20
М8
Гайка
В узле: 2
21
240-3707220
Бачок с пробкой
В узле: 1
21
240-3707140-А-01
Бачок
В узле: 1
22
М3х30
Болт
В узле: 1
23
ХС-61.019
Хомут
В узле: 1
29
240-1003030
Крышка головки цилиндров
В узле: 1
32
2,5х10
Штифт
В узле: 2
34
240-1003221
Заслонка
В узле: 1
Содержащиеся в справочниках-каталогах запасные части и детали не предлагаются к продаже, а носят исключительно информационный характер

Ваша заявка была отправлена. В ближайшее время наши специалисты с Вами свяжутся по указанному Вами телефону.

Представьтесь
Поле обязательно для заполнения
Ваш телефон
Введите правильный номер телефона
E-mail
Введите правильный e-mail
Тема
Тема
применяемость финансирование доставка цена, наличие другое сервис и гарантия
Время для звонка
08:00
08:00 09:00 10:00 11:00 12:00 13:00 14:00 15:00 16:00 17:00 18:00 19:00
19:00
08:00 09:00 10:00 11:00 12:00 13:00 14:00 15:00 16:00 17:00 18:00 19:00

Мы постараемся перезвонить в указанное время

Если вы не хотите ждать, то звоните нашим вежливым консультантам:

8 800 100-2-700
Подтвердите, что вы не робот
Подтвердите, что вы не робот
Спасибо!

Ваше сообщение успешно отправлено!

ЗакрытьПовторить попытку