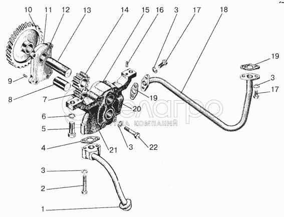
Каталог запасных частей к технике: МТЗ-822. Масляный насос и приемник масляного насоса

zoom-in zoom-out enlarge shrink circle-right circle-left file-text2 info cart arraw right arraw left zoom out zoom in arraw maximize arraw minimize
245-140301050-1403010Б1
1
2
3
3
3
3
4
5
6
7
7
8
9
10
10
11
11
12
13
14
15
16
17
17
18
19
19
20
20
21
22
19
50-1403033
Прокладка
В узле: 2
50-1403033 Прокладка фланца МТЗ, Беларусь >10 шт. 3.95 р.
1
240-1402010-А3
Маслоприемник
В узле: 1
240-1402010-А3 Маслоприемник МТЗ, ПАЗ, ММЗ Под заказ 1 222.10 р.
4
50-1402053
Прокладка
В узле: 1
50-1402053 Прокладка МТЗ, ЗИЛ маслоприемника (темпсил 0,5 мм), РФ Под заказ 4.51 р.
16
240-1002044
Штифт
В узле: 2
240-1002044 Штифт МТЗ,ММЗ крышки распределения блока цилиндров, ММЗ Под заказ 71.28 р.
245-140301050-1403010Б1
Насос масляный (2, 3, 7-16, 20-22)
В узле: 1
2
М8х50
Болт
В узле: 2
3
ШП8
Шайба
В узле: 10
5
М12х30
Болт
В узле: 2
6
ШП12
Шайба
В узле: 2
7
50-1403110-Б
Шестерня
В узле: 1
7
50-1403115-Б
Шестерня
В узле: 1
8
50-1403125-Б
Палец
В узле: 1
9
50-1403233
Штифт
В узле: 2
10
245-1403228
Шестерня
В узле: 1
10
50-1403228
Шестерня
В узле: 1
11
240-1403150
Крышка со втулкой в сборе
В узле: 1
11
240-1403155
Крышка
В узле: 1
12
А57.03.027-А
Втулка
В узле: 1
13
50-1403052-В
Валик
В узле: 1
14
50-1403075-В
Шестерня
В узле: 1
15
240-1403025
Корпус
В узле: 1
17
М8х20
Болт
В узле: 4
18
50-1403015-А
Патрубок
В узле: 1
20
240-1403020
Корпус со втулкой в сборе
В узле: 1
20
А57.03.026-А
Втулка
В узле: 1
21
А57.03.028-А
Втулка
В узле: 1
22
М8х45
Болт
В узле: 4
Содержащиеся в справочниках-каталогах запасные части и детали не предлагаются к продаже, а носят исключительно информационный характер

Ваша заявка была отправлена. В ближайшее время наши специалисты с Вами свяжутся по указанному Вами телефону.

Представьтесь
Поле обязательно для заполнения
Ваш телефон
Введите правильный номер телефона
E-mail
Введите правильный e-mail
Тема
Тема
применяемость финансирование доставка цена, наличие другое сервис и гарантия
Время для звонка
08:00
08:00 09:00 10:00 11:00 12:00 13:00 14:00 15:00 16:00 17:00 18:00 19:00
19:00
08:00 09:00 10:00 11:00 12:00 13:00 14:00 15:00 16:00 17:00 18:00 19:00

Мы постараемся перезвонить в указанное время

Если вы не хотите ждать, то звоните нашим вежливым консультантам:

8 800 100-2-700
Подтвердите, что вы не робот
Подтвердите, что вы не робот
Спасибо!

Ваше сообщение успешно отправлено!

ЗакрытьПовторить попытку