Каталог запасных частей к технике: МТЗ-822. Насос топливный высокого давления

zoom-in zoom-out enlarge shrink circle-right circle-left file-text2 info cart arraw right arraw left zoom out zoom in arraw maximize arraw minimize
4УТНИ-Т-1111005-20
4УТНИ-1111005-20
4УТНИ-Т-1111010
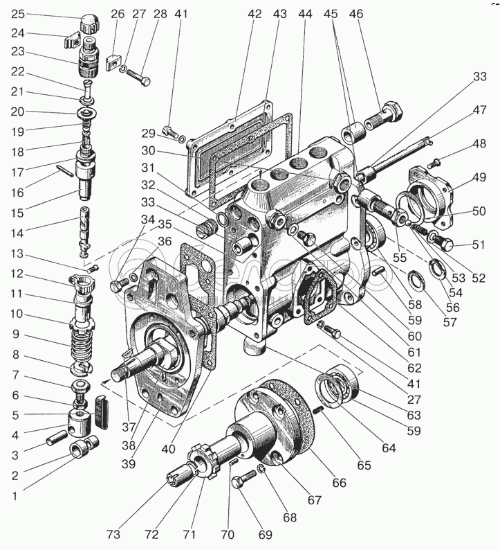
1
2
3
4
5
6
7
8
9
10
11
12
13
14
15
16
17
18
18
19
20
21
22
23
24
25
26
27
27
28
29
30
31
32
33
33
34
35
36
37
38
39
40
41
41
42
43
44
45
46
47
48
49
50
51
52
53
54
55
56
57
58
59
59
60
61
62
63
64
65
66
67
68
69
70
71
72
73
18
4УТНИ-1111220
Клапан
В узле: 4
4УТНИ-1111220 Клапан МТЗ, ЗИЛ нагнетательный в сборе (клапанная пара), РФ <10 шт. 574.45 р.
4УТНИ-1111005-20
Насос топливный
В узле: 1
4УТНИ-1111005-20 Насос топливный высокого давления МТЗ, Д-240, Д-243 (привод шестерня) (ТНВД), РФ <10 шт. 62 023.48 р.
4УТНИ-Т-1111005-20
Насос топливный с регулятором
В узле: 1
16-С13-1Б
Клапан перепускной в сборе
В узле: 1
4УТНМ-1111410-01
Плунжерная пара в сборе
В узле: 4
4УТНМ-1111090-01
Толкатель в сборе
В узле: 4
4УТНИ-Т-1111010
Насос топливный (1-73)
В узле: 1
1
УТН-5-1111264
Втулка
В узле: 4
2
УТН-5-1111263
Ролик
В узле: 4
3
4УТНМ-1111266
Ось
В узле: 4
4
4УТНМ-1111262-01
Корпус толкателя
В узле: 4
5
4УТНМ-1111426
Фиксатор
В узле: 2
6
УТН-5-1111267
Контргайка
В узле: 4
7
4УТНМ-1111265
Болт
В узле: 4
8
4УТНМ-1111472
Тарелка
В узле: 4
9
УТН-5-1111138
Пружина
В узле: 4
10
УТН-5-1111473-А
Тарелка
В узле: 4
11
УТН-5-1111431-01
Втулка
В узле: 4
12
4УТНМ-1111432-01
Венец
В узле: 4
13
УТН-5-1111433-А
Винт
В узле: 4
14
4УТНМ-1111422
Плунжер
В узле: 4
15
4УТНМ-1111425-01
Втулка
В узле: 4
16
УТН-3-1111489
Штифт
В узле: 4
17
УТНИ-1111226
Седло
В узле: 4
18
УТНИ-1111224
Клапан
В узле: 4
19
4УТНИ-1111225
Пружина
В узле: 4
20
16-212-В1
Прокладка
В узле: 4
21
4УТНИ-1111487-01
Прокладка
В узле: 8
22
4УТНИ-1111486
Вытеснитель
В узле: 4
23
УТНИ-1111485
Штуцер
В узле: 4
24
УТН-3-1111478-А2
Зажим
В узле: 2
25
119-73-В
Колпачок (деталь технологическая)
В узле: 4
26
УТН-3-1111477-А2
Зажим
В узле: 2
27
ШП6
Шайба
В узле: 5
28
М6х30
Болт
В узле: 2
29
УТН-3-1111488-01
Шайба
В узле: 6
30
УТН-3-1111028-Г
Футорка
В узле: 2
31
УТН-5-1111519
Кольцо
В узле: 4
32
УТН-5-1111023-А
Пробка
В узле: 4
33
4УТНМ-1111029
Втулка
В узле: 2
34
М8х16
Болт
В узле: 2
35
УТН-3-1111022-Б
Футорка
В узле: 1
36
УТН-5-1110242-В
Шайба
В узле: 2
37
УТН-5-1111155
Шпонка
В узле: 1
38
УТНИ-1111152
Вал кулачковый
В узле: 1
39
4УТНМ-1111082-11
Плита
В узле: 1
40
4УТНМ-1111483-01
Прокладка
В узле: 1
41
М6х20
Винт
В узле: 9
42
УТН-5-1111475-А6
Крышка
В узле: 1
43
УТН-5-1111476-А5
Прокладка
В узле: 1
44
4УТНМ-1111025-30
Корпус насоса
В узле: 1
45
119-85-1
Втулка (деталь технологическая)
В узле: 2
46
А12.01.013-02
Болт
В узле: 1
47
4УТНМ-1111350
Рейка
В узле: 1
48
ВМ6х12
Винт
В узле: 4
49
УТН-5-1111451-И
Стакан
В узле: 1
50
4УТНМ-1111213
Прокладка регулировочная
В узле: 3
51
16-218
Пробка
В узле: 1
52
16-219
Прокладка
В узле: 1
53
16-057
Пружина
В узле: 1
54
16-262
Шарик
В узле: 1
55
16-216-1
Корпус
В узле: 1
56
УТН-5-1111153
Шайба
В узле: 1
57
УТН-5-1111154
Шайба
В узле: 1
58
7204-К1
Подшипник
В узле: 2
59
Д40-1110026
Штифт
В узле: 2
60
ОНМ-019-2
Болт
В узле: 1
61
ОНМ-086-1
Прокладка
В узле: 1
62
16-148-Б
Прокладка
В узле: 1
63
УТН-3-1111026-А2
Пробка
В узле: 4
64
4УТНМ-1111244
Пластина опорная
В узле: 2
65
4УТНМ-1111243-10
Пружина
В узле: 6
66
4УТНМ-1111493-01
Прокладка
В узле: 1
67
4УТНМ-1111162-10
Фланец
В узле: 1
68
ШП8
Шайба
В узле: 6
69
М8х30
Болт
В узле: 4
70
УТН-5-1111163
Заглушка
В узле: 1
71
4УТНМ-1111165
Втулка
В узле: 1
72
ШП14
Шайба
В узле: 1
73
4УТНМ-1111144
Гайка
В узле: 1
Содержащиеся в справочниках-каталогах запасные части и детали не предлагаются к продаже, а носят исключительно информационный характер

Ваша заявка была отправлена. В ближайшее время наши специалисты с Вами свяжутся по указанному Вами телефону.

Представьтесь
Поле обязательно для заполнения
Ваш телефон
Введите правильный номер телефона
E-mail
Введите правильный e-mail
Тема
Тема
применяемость финансирование доставка цена, наличие другое сервис и гарантия
Время для звонка
08:00
08:00 09:00 10:00 11:00 12:00 13:00 14:00 15:00 16:00 17:00 18:00 19:00
19:00
08:00 09:00 10:00 11:00 12:00 13:00 14:00 15:00 16:00 17:00 18:00 19:00

Мы постараемся перезвонить в указанное время

Если вы не хотите ждать, то звоните нашим вежливым консультантам:

8 800 100-2-700
Подтвердите, что вы не робот
Подтвердите, что вы не робот
Спасибо!

Ваше сообщение успешно отправлено!

ЗакрытьПовторить попытку