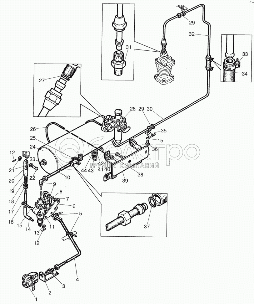
Каталог запасных частей к технике: МТЗ-822. Пневмопривод
1
2
3
4
5
6
7
8
9
10
11
12
12
13
14
15
15
16
17
18
19
20
21
22
23
24
25
26
27
28
29
29
30
31
32
32
33
34
35
36
37
38
39
40
41
42
43
44
|
34
70-1405013
Шланг
В узле: 1
|
|||||||||||||||||||||||||||||||||||||||||||||||||||||||||||||||||||||||||||||||||||||||
| 70-1405013 Шланг МТЗ масляного радиатора (14х23-1,6), (У) |
|
>10 шт. | 119.62 р. | ||||||||||||||||||||||||||||||||||||||||||||||||||||||||||||||||||||||||||||||||||||
|
11
80-3514010
Кран тормозной
В узле: 1
|
|||||||||||||||||||||||||||||||||||||||||||||||||||||||||||||||||||||||||||||||||||||||
| 80-3514010 Кран тормозной МТЗ (А29.61.000) (А) |
|
>10 шт. | 2 007.40 р. | ||||||||||||||||||||||||||||||||||||||||||||||||||||||||||||||||||||||||||||||||||||
| 80-3514010 Кран тормозной МТЗ (А29.61.000) (ТАИМ) |
|
Под заказ | 4 259.35 р. | ||||||||||||||||||||||||||||||||||||||||||||||||||||||||||||||||||||||||||||||||||||
|
29
70-3506027
Втулка
В узле: 2
|
|||||||||||||||||||||||||||||||||||||||||||||||||||||||||||||||||||||||||||||||||||||||
| 70-3506027 Втулка МТЗ, Беларусь |
|
Под заказ | 11.08 р. | ||||||||||||||||||||||||||||||||||||||||||||||||||||||||||||||||||||||||||||||||||||
|
26
В50-3513032
Хомут
В узле: 2
|
|||||||||||||||||||||||||||||||||||||||||||||||||||||||||||||||||||||||||||||||||||||||
| В50-3513032 Хомут МТЗ крепления воздушного баллона, ресивера |
|
<10 шт. | 218.92 р. | ||||||||||||||||||||||||||||||||||||||||||||||||||||||||||||||||||||||||||||||||||||
|
31
70-3506022
Штуцер
В узле: 1
|
|||||||||||||||||||||||||||||||||||||||||||||||||||||||||||||||||||||||||||||||||||||||
| 70-3506022 Штуцер МТЗ ввертный, САЗ |
|
Под заказ | 130.49 р. | ||||||||||||||||||||||||||||||||||||||||||||||||||||||||||||||||||||||||||||||||||||
|
37
012-015-19-2-4
Кольцо
В узле: 4
|
|||||||||||||||||||||||||||||||||||||||||||||||||||||||||||||||||||||||||||||||||||||||
| 012-015-19-2-4 Кольцо уплотнительное, Беларусь |
|
Под заказ | 10.96 р. | ||||||||||||||||||||||||||||||||||||||||||||||||||||||||||||||||||||||||||||||||||||
|
35
70-6804011
Держатель
В узле: 1
|
|||||||||||||||||||||||||||||||||||||||||||||||||||||||||||||||||||||||||||||||||||||||
| 70-6804011 Держатель МТЗ, БЗТДиА |
|
Под заказ | 68.94 р. | ||||||||||||||||||||||||||||||||||||||||||||||||||||||||||||||||||||||||||||||||||||
|
42
85-3513110
Клапан в сборе
В узле: 1
|
|||||||||||||||||||||||||||||||||||||||||||||||||||||||||||||||||||||||||||||||||||||||
| 85-3513110 Клапан слива конденсата МТЗ тормозной системы, Беларусь |
|
Под заказ | 315.39 р. | ||||||||||||||||||||||||||||||||||||||||||||||||||||||||||||||||||||||||||||||||||||
|
1
80-3521010
Головка соединительная
В узле: 1
|
|||||||||||||||||||||||||||||||||||||||||||||||||||||||||||||||||||||||||||||||||||||||
| 80-3521010 Головка соединительная тормозных шлангов МТЗ (ТАИМ) |
|
Под заказ | 1 497.09 р. | ||||||||||||||||||||||||||||||||||||||||||||||||||||||||||||||||||||||||||||||||||||
|
43
Н50-4202146
Кольцо
В узле: 1
|
|||||||||||||||||||||||||||||||||||||||||||||||||||||||||||||||||||||||||||||||||||||||
| Н50-4202146 Кольцо МТЗ |
|
<10 шт. | 56.71 р. | ||||||||||||||||||||||||||||||||||||||||||||||||||||||||||||||||||||||||||||||||||||
|
9
1522-3514033
Угольник
В узле: 2
|
|||||||||||||||||||||||||||||||||||||||||||||||||||||||||||||||||||||||||||||||||||||||
| 1522-3514033 Угольник МТЗ |
|
Под заказ | 647.36 р. | ||||||||||||||||||||||||||||||||||||||||||||||||||||||||||||||||||||||||||||||||||||
Содержащиеся в справочниках-каталогах запасные части и детали не предлагаются к продаже, а носят исключительно информационный характер