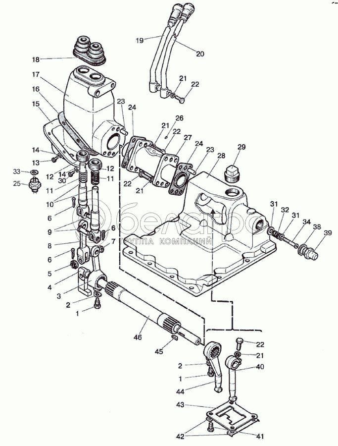
Каталог запасных частей к технике: МТЗ-826. Механизм 2-х рычажного управления КП

zoom-in zoom-out enlarge shrink circle-right circle-left file-text2 info cart arraw right arraw left zoom out zoom in arraw maximize arraw minimize
920-1702010-03
920-1702010
1
1
2
2
3
4
5
6
6
6
7
8
9
10
11
11
12
12
13
14
14
15
16
17
18
19
20
21
21
21
21
22
22
22
22
23
23
24
24
25
26
27
28
29
30
31
31
32
33
34
38
39
40
41
42
43
43
44
45
46
12
142-1702032
Сфера
В узле: 2
142-1702032 Сфера МТЗ, Беларусь >10 шт. 77.20 р.
45
СШ-611
Шпонка
В узле: 1
СШ-611 Шпонка МТЗ 6х11, Г8795 Под заказ 183.35 р.
40
70-1703011
Рычаг
В узле: 1
70-1703011 Рычаг МТЗ Под заказ 995.08 р.
32
920-1702313
Пружина
В узле: 1
920-1702313 Пружина МТЗ <10 шт. 251.03 р.
42
50-1702107-А
Пластина стопорная
В узле: 2
50-1702107-А Пластина стопорная МТЗ Под заказ 50.75 р.
10
80С-1702074
Вилка
В узле: 2
80С-1702074 Вилка переключения передач МТЗ Под заказ 1 965.77 р.
7
80-1702108
Болт
В узле: 1
80-1702108 Болт МТЗ, БЗТДиА Под заказ 224.74 р.
18
922-1702019
Чехол
В узле: 1
922-1702019 Чехол МТЗ Под заказ 1 168.55 р.
8
922-1702018
Вилка
В узле: 1
922-1702018 Вилка МТЗ Под заказ 3 017.78 р.
920-1702010-03
Управление КП
В узле: 1
920-1702010
Управление КП
В узле: 1
920-1702090
Корпус
В узле: 1
1
922-1702021
Болт
В узле: 2
2
50-1702107
Шайба
В узле: 2
3
922-1702017
Рычаг
В узле: 1
4
920-1702020
Вал
В узле: 1
5
М12-6Н.04.019
Гайка
В узле: 1
6
3,2x18.019
Шплинт
В узле: 3
9
12x32
Палец
В узле: 2
11
77.37.117
Пружина
В узле: 2
13
В.М6-6gx20.58.019
Винт
В узле: 4
14
Шайба
В узле: 5
15
920-1702023
Крышка
В узле: 1
16
922-1702024
Прокладка
В узле: 1
17
922-1702011-01
Корпус
В узле: 1
19
920-1702060/-01
Рычаг
В узле: 1
20
920-1702050
Рычаг
В узле: 1
21
10 ОТ
Шайба
В узле: 11
22
М10-6gx30.88.35.019
Болт
В узле: 11
23
ШЦК 10x25
Штифт
В узле: 4
24
922-1702026
Прокладка
В узле: 2
25
ВК 12-41
Выключатель
В узле: 1
26
923-1702023
Заглушка
В узле: 1
27
920-1702012
Проставка
В узле: 1
28
922-1702025
Крышка
В узле: 1
29
50-1701130
Сапун
В узле: 1
30
В.М6-6gx50.58.019
Винт
В узле: 1
31
С12.01.019
Шайба
В узле: 2
33
50-1702048
Прокладка
В узле: 3
34
920-1702314
Винт
В узле: 1
38
80-1702098
Шайба
В узле: 1
39
80С-1702302
Корпус
В узле: 1
41
М10-6gx18.88.35.019
Болт
В узле: 4
43
922-1702084
Пластина
В узле: 1
43
822-1702084
Пластина
В узле: 1
44
920-1702016
Рычаг
В узле: 1
46
920-1702015
Труба
В узле: 1
Содержащиеся в справочниках-каталогах запасные части и детали не предлагаются к продаже, а носят исключительно информационный характер

Ваша заявка была отправлена. В ближайшее время наши специалисты с Вами свяжутся по указанному Вами телефону.

Представьтесь
Поле обязательно для заполнения
Ваш телефон
Введите правильный номер телефона
E-mail
Введите правильный e-mail
Тема
Тема
применяемость финансирование доставка цена, наличие другое сервис и гарантия
Время для звонка
08:00
08:00 09:00 10:00 11:00 12:00 13:00 14:00 15:00 16:00 17:00 18:00 19:00
19:00
08:00 09:00 10:00 11:00 12:00 13:00 14:00 15:00 16:00 17:00 18:00 19:00

Мы постараемся перезвонить в указанное время

Если вы не хотите ждать, то звоните нашим вежливым консультантам:

8 800 100-2-700
Подтвердите, что вы не робот
Подтвердите, что вы не робот
Спасибо!

Ваше сообщение успешно отправлено!

ЗакрытьПовторить попытку