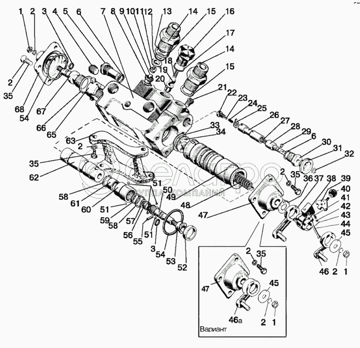
Каталог запасных частей к технике: МТЗ-826. Регулятор

zoom-in zoom-out enlarge shrink circle-right circle-left file-text2 info cart arraw right arraw left zoom out zoom in arraw maximize arraw minimize
80-4614210
80-4614020
80П-4614210
1
1
1
2
2
2
2
2
2
2
3
3
4
5
6
6
7
8
9
10
11
12
13
14
14
15
15
16
17
18
19
20
21
22
23
24
25
26
26
27
28
29
30
31
32
33
34
35
35
35
35
36
37
38
39
40
41
42
43
44
45
45
46
46
47
47
48
49
50
50
51
51
51
52
53
54
54
55
56
57
58
58
59
60
61
62
63
65
66
67
67
68
14
70-1405089
Штуцер
В узле: 2
70-1405089 Штуцер МТЗ, САЗ Под заказ 192.24 р.
54
056-060-25-2-2
Кольцо
В узле: 2
056-060-25-2-2 Кольцо уплотнительное, Беларусь >10 шт. 24.07 р.
17
022-027-30-2-2
Кольцо
В узле: 1
022-027-30-2-2 Кольцо уплотнительное, Беларусь Под заказ 17.91 р.
80-4614020
Регулятор
В узле: 1
80-4614020 Регулятор глубины вспашки МТЗ (регулятор силовой), Беларусь Под заказ 17 488.27 р.
80-4614210
Регулятор с кронштейном
В узле: 1
80-4614050
Рычаг
В узле: 1
80П-4614210
Регулятор с кронштейном
В узле: 1
80-4614090
Клапан
В узле: 1
1
М10-6Н.6.019
Гайка
В узле: 2
2
10 ОТ
Шайба
В узле: 12
3
011-016-30-2-4
Кольцо
В узле: 2
4
"КГ1/4"".А12.019"
Пробка
В узле: 1
5
80-4614087
Пробка
В узле: 1
6
018-022-25-2-3
Кольцо
В узле: 4
7
80-4614011-01
Корпус регулятора
В узле: 1
8
80-4614091
Седло
В узле: 1
9
7,938-100
Шарик
В узле: 1
10
80-4614093
Направляющая
В узле: 1
11
80-4614094
Кольцо защитное
В узле: 1
12
014-017-19-2-4
Кольцо
В узле: 1
13
80-4614092
Пружина
В узле: 1
15
017-022-30-1-4
Кольцо
В узле: 2
16
Р50-4614019-Б
Корпус клапана
В узле: 1
18
А61-072
Пружина
В узле: 1
19
14,288-60
Шарик
В узле: 1
20
Р50-4614018
Седло
В узле: 1
21
"КГ 1/8"". А12.019"
Пробка
В узле: 4
22
80-4614085
Пробка
В узле: 1
23
6,350-100
Шарик
В узле: 1
24
80-4614058
Пружина
В узле: 1
25
80-4614065
Шайба
В узле: 1
26
80-4614070
Плунжер
В узле: 1
26
80-4614064
Плунжер
В узле: 1
27
80-4614086
Пружина
В узле: 1
28
80-4614063
Винт
В узле: 1
29
005-008-19-1-4
Кольцо
В узле: 1
30
80-4614037
Заглушка
В узле: 1
31
80-4614071
Маховичок
В узле: 1
32
В8
Кольцо
В узле: 1
33
С36
Кольцо
В узле: 1
34
Р50-4614017
Шайба
В узле: 1
35
M10-6gx20.88.35.019
Болт
В узле: 12
36
Р50-4614052
Шайба
В узле: 1
37
Р50-4614080-А
Рычаг
В узле: 1
38
Р50-41614048-Б1
Муфта
В узле: 1
39
Р50-4614049-Б
Фиксатор
В узле: 1
40
Р50-4614054
Ручка
В узле: 1
41
Р50-4614072
Пружина
В узле: 1
42
5,556-60
Шарик
В узле: 2
43
2x12.019
Шплинт
В узле: 1
44
Р50-4614051
Ось
В узле: 1
45
Р50-4614053
Шайба
В узле: 1
46
Р50-4614090
Рычаг
В узле: 1
47
80-4614060
Крышка левая со втулкой в сборе
В узле: 1
48
80-4614014
Пружина
В узле: 1
49
80-4614012
Гильза
В узле: 1
50
80-4614040
Винт золотника
В узле: 1
50
80-4614041
Винт золотника
В узле: 1
51
3,969-100
Шарик
В узле: 5
52
80-4614027
Шайба
В узле: 1
53
80-4614043
Втулка
В узле: 1
55
А.4х20.65Г
Штифт
В узле: 1
56
80-4614044
Шайба
В узле: 1
57
С15
Кольцо
В узле: 1
58
С25
Кольцо
В узле: 2
59
80-4614046
Втулка
В узле: 1
60
80-4614042
Гайка золотника
В узле: 1
61
80-4614045
Втулка
В узле: 1
62
80-4614013
Золотник
В узле: 1
63
70-4614032-А
Кронштейн
В узле: 1
65
80-4614024
Гайка гильзы
В узле: 1
66
С38
Кольцо
В узле: 1
67
80-4614030
Винт гильзы с гайкой в сборе
В узле: 1
67
80-4614022
Винт гильзы
В узле: 1
68
Р50-4614015-Б-01
Крышка правая
В узле: 1
Содержащиеся в справочниках-каталогах запасные части и детали не предлагаются к продаже, а носят исключительно информационный характер

Ваша заявка была отправлена. В ближайшее время наши специалисты с Вами свяжутся по указанному Вами телефону.

Представьтесь
Поле обязательно для заполнения
Ваш телефон
Введите правильный номер телефона
E-mail
Введите правильный e-mail
Тема
Тема
применяемость финансирование доставка цена, наличие другое сервис и гарантия
Время для звонка
08:00
08:00 09:00 10:00 11:00 12:00 13:00 14:00 15:00 16:00 17:00 18:00 19:00
19:00
08:00 09:00 10:00 11:00 12:00 13:00 14:00 15:00 16:00 17:00 18:00 19:00

Мы постараемся перезвонить в указанное время

Если вы не хотите ждать, то звоните нашим вежливым консультантам:

8 800 100-2-700
Подтвердите, что вы не робот
Подтвердите, что вы не робот
Спасибо!

Ваше сообщение успешно отправлено!

ЗакрытьПовторить попытку