Каталог запасных частей к технике: МТЗ-826. Управление тормозами (сухого трения)
85-3502010
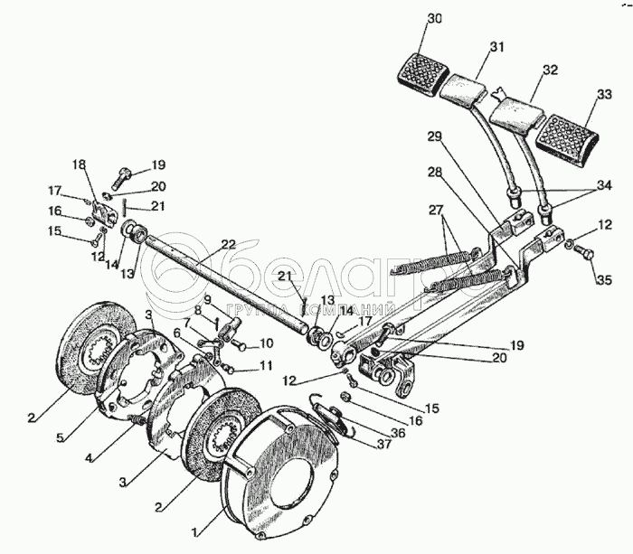
1
2
2
2
3
3
3
4
5
6
7
8
9
10
11
12
12
12
13
13
14
14
15
15
16
16
17
17
18
19
19
20
20
21
21
22
27
28
29
30
31
31
32
32
33
34
35
36
37
|
36
50-3502202
Чехол
В узле: 2
|
|||||||||||||||||||||||||||||||||||||||||||||||||||||||||||||||||||||||||||||||||||||||
| 50-3502202 Чехол кожуха тормозов МТЗ, (У) |
|
Под заказ | 36.38 р. | ||||||||||||||||||||||||||||||||||||||||||||||||||||||||||||||||||||||||||||||||||||
| 50-3502202 Чехол МТЗ тормозного кожуха, Беларусь |
|
Под заказ | 12.21 р. | ||||||||||||||||||||||||||||||||||||||||||||||||||||||||||||||||||||||||||||||||||||
|
3
85-3502030
Диск нажимной в сборе
В узле: 2
|
|||||||||||||||||||||||||||||||||||||||||||||||||||||||||||||||||||||||||||||||||||||||
| 85-3502030 Диск МТЗ тормозной нажимной (схлестка), (А) |
|
Под заказ | 1 344.76 р. | ||||||||||||||||||||||||||||||||||||||||||||||||||||||||||||||||||||||||||||||||||||
| 85-3502030 Диск МТЗ тормозной нажимной (схлестка), ВЗТЗЧ |
|
Под заказ | 3 319.23 р. | ||||||||||||||||||||||||||||||||||||||||||||||||||||||||||||||||||||||||||||||||||||
|
4
77.38.163
Пружина
В узле: 6
|
|||||||||||||||||||||||||||||||||||||||||||||||||||||||||||||||||||||||||||||||||||||||
| 77.38.163 Пружина МТЗ,ДТ,ЮМЗ тормозного диска, ленты, 5 витков, Беларусь |
|
Под заказ | 26.95 р. | ||||||||||||||||||||||||||||||||||||||||||||||||||||||||||||||||||||||||||||||||||||
|
33
А13.33.002
Чехол
В узле: 1
|
|||||||||||||||||||||||||||||||||||||||||||||||||||||||||||||||||||||||||||||||||||||||
| А13.33.002 Накладка МТЗ на педаль сцепления и тормоза, с бортиком, Беларусь |
|
<10 шт. | 128.94 р. | ||||||||||||||||||||||||||||||||||||||||||||||||||||||||||||||||||||||||||||||||||||
| А13.33.002 Чехол на педаль сц. и тормоза (с бортиком) МТЗ, (У) |
|
Под заказ | 92.54 р. | ||||||||||||||||||||||||||||||||||||||||||||||||||||||||||||||||||||||||||||||||||||
|
27
50-1605152
Пружина
В узле: 2
|
|||||||||||||||||||||||||||||||||||||||||||||||||||||||||||||||||||||||||||||||||||||||
| 50-1605152 Пружина МТЗ, Беларусь |
|
Под заказ | 145.06 р. | ||||||||||||||||||||||||||||||||||||||||||||||||||||||||||||||||||||||||||||||||||||
|
30
А13.34.001
Чехол
В узле: 1
|
|||||||||||||||||||||||||||||||||||||||||||||||||||||||||||||||||||||||||||||||||||||||
| А13.34.001 Накладка МТЗ на педаль тормоза левая, Беларусь |
|
Под заказ | 116.06 р. | ||||||||||||||||||||||||||||||||||||||||||||||||||||||||||||||||||||||||||||||||||||
| А13.34.001 Накладка педали тормоза МТЗ, (У) |
|
Под заказ | 93.03 р. | ||||||||||||||||||||||||||||||||||||||||||||||||||||||||||||||||||||||||||||||||||||
|
20
70-3503018
Шайба
В узле: 2
|
|||||||||||||||||||||||||||||||||||||||||||||||||||||||||||||||||||||||||||||||||||||||
| 70-3503018 Шайба (РБ) |
|
>10 шт. | 91.05 р. | ||||||||||||||||||||||||||||||||||||||||||||||||||||||||||||||||||||||||||||||||||||
|
34
80-3503158-А
Чехол
В узле: 2
|
|||||||||||||||||||||||||||||||||||||||||||||||||||||||||||||||||||||||||||||||||||||||
| 80-3503158-А Уплотнитель МТЗ, Беларусь |
|
Под заказ | 31.92 р. | ||||||||||||||||||||||||||||||||||||||||||||||||||||||||||||||||||||||||||||||||||||
|
9
50-3502203
Вилка
В узле: 2
|
|||||||||||||||||||||||||||||||||||||||||||||||||||||||||||||||||||||||||||||||||||||||
| 50-3502203 Вилка соединительная МТЗ |
|
<10 шт. | 291.90 р. | ||||||||||||||||||||||||||||||||||||||||||||||||||||||||||||||||||||||||||||||||||||
|
17
СШ-611
Шпонка
В узле: 2
|
|||||||||||||||||||||||||||||||||||||||||||||||||||||||||||||||||||||||||||||||||||||||
| СШ-611 Шпонка МТЗ 6х11, Г8795 |
|
Под заказ | 179.85 р. | ||||||||||||||||||||||||||||||||||||||||||||||||||||||||||||||||||||||||||||||||||||
|
2
85-3502040-04
Диск
В узле: 4
|
|||||||||||||||||||||||||||||||||||||||||||||||||||||||||||||||||||||||||||||||||||||||
| 85-3502040-04 Диск МТЗ тормозной безасбестовый, РФ |
|
Под заказ | 716.95 р. | ||||||||||||||||||||||||||||||||||||||||||||||||||||||||||||||||||||||||||||||||||||
|
22
50-3503015
Валик
В узле: 1
|
|||||||||||||||||||||||||||||||||||||||||||||||||||||||||||||||||||||||||||||||||||||||
| 50-3503015 Валик МТЗ управления тормозами |
|
<10 шт. | 1 579.01 р. | ||||||||||||||||||||||||||||||||||||||||||||||||||||||||||||||||||||||||||||||||||||
| 50-3503015 Валик МТЗ управления тормозами, (А) |
|
Под заказ | 1 436.86 р. | ||||||||||||||||||||||||||||||||||||||||||||||||||||||||||||||||||||||||||||||||||||
|
19
70-3503019
Болт
В узле: 2
|
|||||||||||||||||||||||||||||||||||||||||||||||||||||||||||||||||||||||||||||||||||||||
| 70-3503019 Болт МТЗ |
|
Под заказ | 458.85 р. | ||||||||||||||||||||||||||||||||||||||||||||||||||||||||||||||||||||||||||||||||||||
| 70-3503019 Болт МТЗ стояночного тормоза |
|
Под заказ | Нет на складе | ||||||||||||||||||||||||||||||||||||||||||||||||||||||||||||||||||||||||||||||||||||
|
1
85-3502035
Кожух
В узле: 2
|
|||||||||||||||||||||||||||||||||||||||||||||||||||||||||||||||||||||||||||||||||||||||
| 85-3502035 Кожух МТЗ тормозной |
|
Под заказ | 4 110.94 р. | ||||||||||||||||||||||||||||||||||||||||||||||||||||||||||||||||||||||||||||||||||||
|
28
80-3503110
Рычаг
В узле: 1
|
|||||||||||||||||||||||||||||||||||||||||||||||||||||||||||||||||||||||||||||||||||||||
| 80-3503110 Рычаг МТЗ педали тормоза, правый |
|
<10 шт. | 2 855.76 р. | ||||||||||||||||||||||||||||||||||||||||||||||||||||||||||||||||||||||||||||||||||||
|
29
80-3503120
Рычаг
В узле: 1
|
|||||||||||||||||||||||||||||||||||||||||||||||||||||||||||||||||||||||||||||||||||||||
| 80-3503120 Рычаг МТЗ педали тормоза, левый |
|
<10 шт. | 2 261.03 р. | ||||||||||||||||||||||||||||||||||||||||||||||||||||||||||||||||||||||||||||||||||||
|
18
70-3503017-А
Рычаг
В узле: 1
|
|||||||||||||||||||||||||||||||||||||||||||||||||||||||||||||||||||||||||||||||||||||||
| 70-3503017-А рычаг |
|
Под заказ | 809.12 р. | ||||||||||||||||||||||||||||||||||||||||||||||||||||||||||||||||||||||||||||||||||||
|
32
80-3503130
Педаль
В узле: 1
|
|||||||||||||||||||||||||||||||||||||||||||||||||||||||||||||||||||||||||||||||||||||||
| 80-3503130 Педаль тормоза МТЗ правая |
|
<10 шт. | 848.97 р. | ||||||||||||||||||||||||||||||||||||||||||||||||||||||||||||||||||||||||||||||||||||
|
31
80-3503140
Педаль
В узле: 1
|
|||||||||||||||||||||||||||||||||||||||||||||||||||||||||||||||||||||||||||||||||||||||
| 80-3503140 Педаль тормоза МТЗ левая |
|
<10 шт. | 579.05 р. | ||||||||||||||||||||||||||||||||||||||||||||||||||||||||||||||||||||||||||||||||||||
|
85-3502010
Тормоз
В узле: 2
|
|||||||||||||||||||||||||||||||||||||||||||||||||||||||||||||||||||||||||||||||||||||||
| 85-3502010 Тормоз МТЗ |
|
<10 шт. | 10 567.21 р. | ||||||||||||||||||||||||||||||||||||||||||||||||||||||||||||||||||||||||||||||||||||
|
3
85-3502036
Диск нажимной
В узле: 4
|
|||||||||||||||||||||||||||||||||||||||||||||||||||||||||||||||||||||||||||||||||||||||
| 85-3502036 Диск МТЗ нажимной половинка, ВЗТЗЧ |
|
Под заказ | 1 431.83 р. | ||||||||||||||||||||||||||||||||||||||||||||||||||||||||||||||||||||||||||||||||||||
|
14
50-3503071
Шайба
В узле: 3
|
|||||||||||||||||||||||||||||||||||||||||||||||||||||||||||||||||||||||||||||||||||||||
| 50-3503071 Шайба МТЗ тормозного валика |
|
Под заказ | 37.30 р. | ||||||||||||||||||||||||||||||||||||||||||||||||||||||||||||||||||||||||||||||||||||
|
32
80-3503080
Педаль правая с чехлом в сборе
В узле: 1
|
|||||||||||||||||||||||||||||||||||||||||||||||||||||||||||||||||||||||||||||||||||||||
| 80-3503080 Педаль тормоза МТЗ правая в сборе с чехлом |
|
Под заказ | 983.61 р. | ||||||||||||||||||||||||||||||||||||||||||||||||||||||||||||||||||||||||||||||||||||
|
31
80-3503090
Педаль левая с чехлом в сборе
В узле: 1
|
|||||||||||||||||||||||||||||||||||||||||||||||||||||||||||||||||||||||||||||||||||||||
| 80-3503090 Педаль тормоза МТЗ левая в сборе с чехлом |
|
Под заказ | 753.56 р. | ||||||||||||||||||||||||||||||||||||||||||||||||||||||||||||||||||||||||||||||||||||
Содержащиеся в справочниках-каталогах запасные части и детали не предлагаются к продаже, а носят исключительно информационный характер