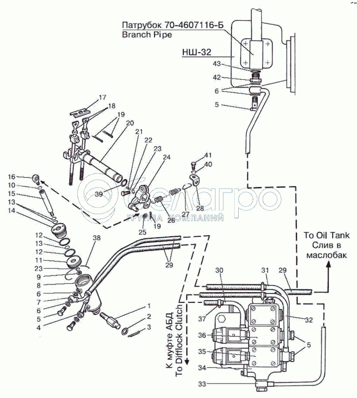
Каталог запасных частей к технике: МТЗ-826. Управление задним валом отбора мощности

zoom-in zoom-out enlarge shrink circle-right circle-left file-text2 info cart arraw right arraw left zoom out zoom in arraw maximize arraw minimize
920-4216010
70-4607116-Б
НШ-32
1
2
3
4
5
5
5
6
6
6
7
8
9
10
11
12
12
13
13
14
15
16
17
18
19
19
20
21
22
23
23
24
25
26
27
28
29
29
30
31
32
33
34
35
36
37
38
39
40
41
42
43
6
Д18-055-А
Шайба
В узле: 16
Д18-055-А Кольцо уплотнительное МТЗ, ЗИЛ медное, d=14х19х1, ММЗ >10 шт. 54.66 р.
Д18-055-А кольцо медн.(диам. внутр. 14х19х1 мм) (А) >10 шт. 3.17 р.
26
50-1605152
Пружина
В узле: 1
50-1605152 Пружина МТЗ, Беларусь Под заказ 145.06 р.
18
70-4216028
Винт
В узле: 2
70-4216028 Винт МТЗ (А) Под заказ 90.67 р.
70-4216028 Винт регулировочный заднего вала отбора мощности Под заказ 552.44 р.
17
80-4216039
Стопор
В узле: 1
80-4216039 Стопор МТЗ управления задним валом отбора мощности >10 шт. 54.28 р.
21
СШ-611
Шпонка
В узле: 1
СШ-611 Шпонка МТЗ 6х11, Г8795 Под заказ 179.85 р.
28
80-1602116
Ушко
В узле: 1
80-1602116 Ушко МТЗ крепежное >10 шт. 156.26 р.
20
50-4216070-Б
Валик управления с осью в сборе
В узле: 1
50-4216070-Б Валик МТЗ управления ВОМ в сборе с осью >10 шт. 5 126.59 р.
1
821-4216048
Болт
В узле: 1
821-4216048 болт <10 шт. 389.31 р.
80-4216100
Цилиндр
В узле: 1
80-4216100 Гидроцилиндр МТЗ управления ВОМ, Беларусь Под заказ 5 704.34 р.
30
822-4801190
Маслопровод
В узле: 1
822-4801190 Маслопровод <10 шт. 824.79 р.
920-4216010
Управление ВОМ
В узле: 1
70-4607116-Б
Патрубок
В узле: ---
НШ-32
Насос шестеренный
В узле: ---
920-4803150
Гидропривод АБД и ВОМ
В узле: 1
2
С 16.01.019
Шайба
В узле: 1
3
4x36.019
Шплинт
В узле: 1
4
85-4216125
Маслопровод
В узле: 1
5
Д18-051
Болт
В узле: 8
7
85-4216130
Маслопровод
В узле: 1
8
80-4216115
Корпус
В узле: 1
9
М12-6Н.6.019
Гайка
В узле: 1
10
10 ОТ
Шайба
В узле: 1
11
80-4216118
Поршень
В узле: 1
12
045-050-30-2-2
Кольцо
В узле: 2
13
15.54x2.62 DBS/AS MS 29513
Кольцо
В узле: 3
14
80-4216116
Крышка передняя
В узле: 1
15
80-4216119
Шток
В узле: 1
16
80-4216121
Наконечник
В узле: 1
19
3,2x18.019
Шплинт
В узле: 3
22
M12-6gx35.88.35.019
Болт
В узле: 1
23
12 ОТ
Шайба
В узле: 2
24
821-4216020
Рычаг
В узле: 1
25
С 12.01.019
Шайба
В узле: 1
27
70-3514094
Крюк
В узле: 1
29
1221-2412026
Рукав
В узле: 4
31
822-4801195
Маслопровод
В узле: 2
32
923-4803165
Маслопровод
В узле: 1
33
920-4803155
Маслопровод
В узле: 1
34
822-4801180-Б-01
Плита гидропривода
В узле: 1
36
РГ822-6/1.2 СЕ.В.574А.Г12.01
Гидрораспределитель
В узле: 1
37
НОРМА TORRO 12-20/9-C6W
Хомут
В узле: 8
38
80-4216117
Наконечник
В узле: 1
39
025-030-30-1-4
Кольцо
В узле: 1
40
Шайба
В узле: 1
41
M8-6gx40.88.35.019
Болт
В узле: 1
42
1021-4803158
Переходник
В узле: 1
43
017-022-30-1-4
Кольцо
В узле: 1
Содержащиеся в справочниках-каталогах запасные части и детали не предлагаются к продаже, а носят исключительно информационный характер

Ваша заявка была отправлена. В ближайшее время наши специалисты с Вами свяжутся по указанному Вами телефону.

Представьтесь
Поле обязательно для заполнения
Ваш телефон
Введите правильный номер телефона
E-mail
Введите правильный e-mail
Тема
Тема
применяемость финансирование доставка цена, наличие другое сервис и гарантия
Время для звонка
08:00
08:00 09:00 10:00 11:00 12:00 13:00 14:00 15:00 16:00 17:00 18:00 19:00
19:00
08:00 09:00 10:00 11:00 12:00 13:00 14:00 15:00 16:00 17:00 18:00 19:00

Мы постараемся перезвонить в указанное время

Если вы не хотите ждать, то звоните нашим вежливым консультантам:

8 800 100-2-700
Подтвердите, что вы не робот
Подтвердите, что вы не робот
Спасибо!

Ваше сообщение успешно отправлено!

ЗакрытьПовторить попытку