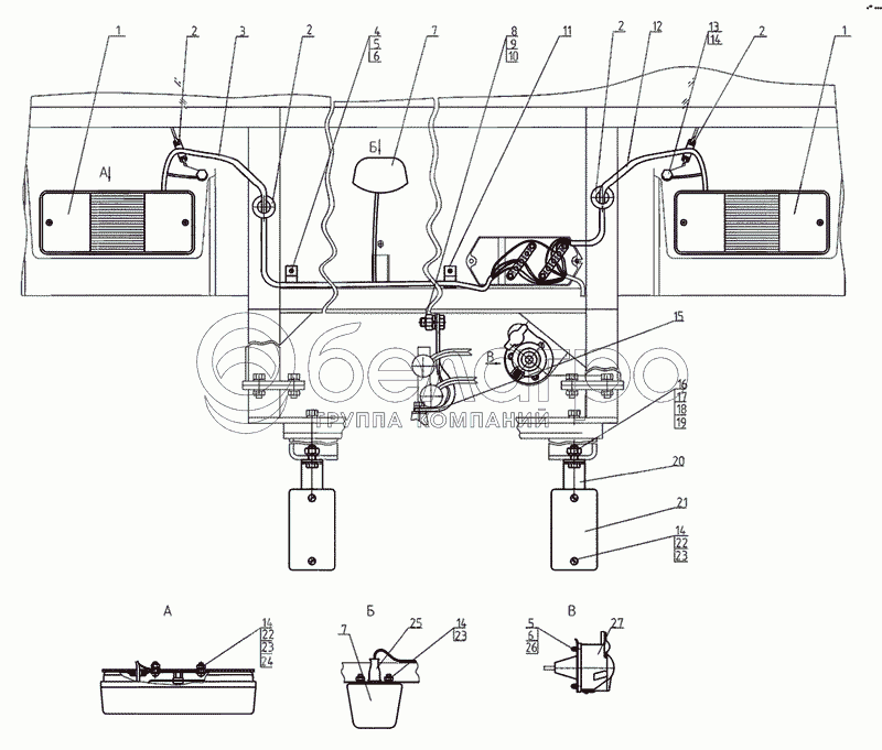
Каталог запасных частей к технике: МТЗ-826. Установка фонарей задних

zoom-in zoom-out enlarge shrink circle-right circle-left file-text2 info cart arraw right arraw left zoom out zoom in arraw maximize arraw minimize
80-3700060-В-06
80-3700060-В-07
80-3700060-В-05
1
1
2
2
2
2
3
4
5
5
6
6
7
7
8
9
10
11
12
13
14
14
14
14
15
15
16
17
18
19
20
21
22
22
23
23
23
24
25
26
27
15
80-3724112
Перемычка массы
В узле: 1
80-3724112 Перемычка МТЗ, Беларусь Под заказ 584.37 р.
80-3700060-В-06
Установка фонарей задних
В узле: ---
80-3700060-В-07
Установка фонарей задних
В узле: ---
80-3700060-В-05
Установка фонарей задних
В узле: ---
1
3716.10
Фонарь задний
В узле: 2
2
70-3723042-02
Втулка
В узле: 4
3
920-3724163
Жгут
В узле: 1
4
B.M5-6gx12.58.019
Винт
В узле: 3
5
М5-6Н.6.019
Гайка ГОСТ 5915-70
В узле: 6
6
Шайба
В узле: 6
7
3717.10
Фонарь освещения номерного знака
В узле: 1
8
M12-6gx25.88.35.019
Болт
В узле: 1
9
М12-6Н.6.019
Гайка
В узле: 1
10
12 ОТ
Шайба
В узле: 1
11
80-3723043
Скоба
В узле: 3
12
920-3724162
Жгут
В узле: 1
13
М6-6gx16.88.35.019
Болт
В узле: 2
14
Шайба
В узле: 12
15
80-3724112-01
Перемычка
В узле: 1
16
М10-6gx25.88.35.019
Болт
В узле: 2
17
М10-6Н.6.019
Гайка
В узле: 2
18
С 10.01.019
Шайба
В узле: 2
19
10 ОТ
Шайба
В узле: 2
20
Ф50-3731011
Кронштейн
В узле: 2
21
3731.10
Световозвращатель
В узле: 2
22
В.М6-6gx18.58.019
Винт
В узле: 8
23
М6-6Н.6.019
Гайка
В узле: 10
24
С6.01.019
Шайба
В узле: 4
25
70-3723035
Наконечник
В узле: 1
26
В.М5-6gx35.58.019
Винт
В узле: 3
27
3723.10
Розетка прицепа
В узле: 1
Содержащиеся в справочниках-каталогах запасные части и детали не предлагаются к продаже, а носят исключительно информационный характер

Ваша заявка была отправлена. В ближайшее время наши специалисты с Вами свяжутся по указанному Вами телефону.

Представьтесь
Поле обязательно для заполнения
Ваш телефон
Введите правильный номер телефона
E-mail
Введите правильный e-mail
Тема
Тема
применяемость финансирование доставка цена, наличие другое сервис и гарантия
Время для звонка
08:00
08:00 09:00 10:00 11:00 12:00 13:00 14:00 15:00 16:00 17:00 18:00 19:00
19:00
08:00 09:00 10:00 11:00 12:00 13:00 14:00 15:00 16:00 17:00 18:00 19:00

Мы постараемся перезвонить в указанное время

Если вы не хотите ждать, то звоните нашим вежливым консультантам:

8 800 100-2-700
Подтвердите, что вы не робот
Подтвердите, что вы не робот
Спасибо!

Ваше сообщение успешно отправлено!

ЗакрытьПовторить попытку