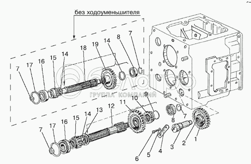
Каталог запасных частей к технике: МТЗ-826. Вал 1-ой передачи и передачи заднего хода
50-1701380-А
70-1701380
1
2
3
4
5
6
7
7
7
7
8
8
9
10
11
12
13
14
14
14
15
15
16
16
17
17
18
19
|
15
50-1701212-А
Шестерня I передачи и заднего хода
В узле: 1
|
|||||||||||||||||||||||||||||||||||||||||||||||||||||||||||||||||||||||||||||||||||||||
| 50-1701212-А Шестерня МТЗ КПП, 1-й передачи и заднего хода, z=17, МЗШ |
|
>10 шт. | 1 541.84 р. | ||||||||||||||||||||||||||||||||||||||||||||||||||||||||||||||||||||||||||||||||||||
| 50-1701212-А Шестерня МТЗ КПП, 1-й передачи и заднего хода, z=17, (А) |
|
Под заказ | 520.01 р. | ||||||||||||||||||||||||||||||||||||||||||||||||||||||||||||||||||||||||||||||||||||
|
1
70-1701082
Шестерня заднего хода промежуточная
В узле: 1
|
|||||||||||||||||||||||||||||||||||||||||||||||||||||||||||||||||||||||||||||||||||||||
| 70-1701082 Шестерня МТЗ КПП, промежуточная заднего хода, z= 31, МЗШ |
|
>10 шт. | 2 295.98 р. | ||||||||||||||||||||||||||||||||||||||||||||||||||||||||||||||||||||||||||||||||||||
| 70-1701082 Шестерня МТЗ КПП, промежуточная заднего хода, z= 31, (А) |
|
Под заказ | 672.35 р. | ||||||||||||||||||||||||||||||||||||||||||||||||||||||||||||||||||||||||||||||||||||
|
19
Ф50-1701224
Шестерня
В узле: 1
|
|||||||||||||||||||||||||||||||||||||||||||||||||||||||||||||||||||||||||||||||||||||||
| Ф50-1701224 Шестерня МТЗ z=32, МЗШ |
|
>10 шт. | 2 120.58 р. | ||||||||||||||||||||||||||||||||||||||||||||||||||||||||||||||||||||||||||||||||||||
|
10
70-1701072
Шестерня включения ходоуменьшителя I
В узле: 1
|
|||||||||||||||||||||||||||||||||||||||||||||||||||||||||||||||||||||||||||||||||||||||
| 70-1701072 Шестерня МТЗ включения ходоуменьшител,я z=20, МЗШ |
|
>10 шт. | 1 793.91 р. | ||||||||||||||||||||||||||||||||||||||||||||||||||||||||||||||||||||||||||||||||||||
| 70-1701072 Шестерня МТЗ включения ходоуменьшител,я z=20, (А) |
|
>10 шт. | 665.75 р. | ||||||||||||||||||||||||||||||||||||||||||||||||||||||||||||||||||||||||||||||||||||
|
12
70-1701382
Вал I передачи и з.х.
В узле: 1
|
|||||||||||||||||||||||||||||||||||||||||||||||||||||||||||||||||||||||||||||||||||||||
| 70-1701382 Вал МТЗ Вал 1-й передачи и заднего хода |
|
Под заказ | 4 320.15 р. | ||||||||||||||||||||||||||||||||||||||||||||||||||||||||||||||||||||||||||||||||||||
| 70-1701382 Вал МТЗ Вал 1-й передачи и заднего хода, (А) |
|
Под заказ | 1 326.25 р. | ||||||||||||||||||||||||||||||||||||||||||||||||||||||||||||||||||||||||||||||||||||
|
13
70-1701226
Шайба
В узле: 1
|
|||||||||||||||||||||||||||||||||||||||||||||||||||||||||||||||||||||||||||||||||||||||
| 70-1701226 Шайба МТЗ |
|
<10 шт. | 108.03 р. | ||||||||||||||||||||||||||||||||||||||||||||||||||||||||||||||||||||||||||||||||||||
|
18
50-1701382-А
Вал 1-ой передачи и 3.х.
В узле: 1
|
|||||||||||||||||||||||||||||||||||||||||||||||||||||||||||||||||||||||||||||||||||||||
| 50-1701382-А Вал МТЗ 1-й передачи и заднего хода |
|
Под заказ | 3 417.56 р. | ||||||||||||||||||||||||||||||||||||||||||||||||||||||||||||||||||||||||||||||||||||
|
4
50-1702082-А
Планка
В узле: 1
|
|||||||||||||||||||||||||||||||||||||||||||||||||||||||||||||||||||||||||||||||||||||||
| 50-1702082-А Планка МТЗ |
|
<10 шт. | 149.08 р. | ||||||||||||||||||||||||||||||||||||||||||||||||||||||||||||||||||||||||||||||||||||
|
3
50-1701434-А
Ось
В узле: 1
|
|||||||||||||||||||||||||||||||||||||||||||||||||||||||||||||||||||||||||||||||||||||||
| 50-1701434-А Ось МТЗ шестерни КПП, (А) |
|
Под заказ | 395.08 р. | ||||||||||||||||||||||||||||||||||||||||||||||||||||||||||||||||||||||||||||||||||||
| 50-1701434-А Ось МТЗ, Беларусь |
|
Под заказ | 1 244.44 р. | ||||||||||||||||||||||||||||||||||||||||||||||||||||||||||||||||||||||||||||||||||||
Содержащиеся в справочниках-каталогах запасные части и детали не предлагаются к продаже, а носят исключительно информационный характер