Каталог запасных частей к технике: МТЗ-900. Бак масляный и Фильтр

zoom-in zoom-out enlarge shrink circle-right circle-left file-text2 info cart arraw right arraw left zoom out zoom in arraw maximize arraw minimize
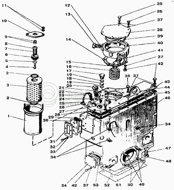
1
2
2
3
4
5
6
7
8
9
10
11
12
13
14
15
16
17
18
19
19
20
21
22
23
24
25
26
27
28
29
30
31
32
33
34
34
35
36
36
37
37
37
37
38
39
40
41
42
42
43
44
45
46
47
48
49
50
51
52
53
54
2
042-050-46-2-2
Кольцо
В узле: 2
042-050-46-2-2 Кольцо уплотнительное, Беларусь <10 шт. 31.85 р.
48
50-4608027-В
Пробка
В узле: 1
50-4608027-В Пробка МТЗ сливная бака гидросистемы , САЗ <10 шт. 70.20 р.
13
85-4608021
Пробка
В узле: 1
85-4608021 пробка (РБ) <10 шт. 106.77 р.
17
50-4608059
Пробка сапуна
В узле: 1
50-4608059 Пробка МТЗ сапуна , САЗ <10 шт. 133.53 р.
16
85-4608057
Пружина
В узле: 1
85-4608057 Пружина МТЗ, Беларусь Под заказ 346.43 р.
А28.04.10.000
Клапан 8.20.004 в сборе
В узле: 1
А28.04.10.000 Клапан МТЗ масляного фильтра <10 шт. 1 327.07 р.
38
85-4608022
Крышка
В узле: 1
85-4608022 Крышка гидробака МТЗ Под заказ 658.47 р.
10
А28.04.00.001
Ограничитель
В узле: 1
А28.04.00.001 Ограничитель корпуса МТЗ масляного фильтра <10 шт. 75.13 р.
85-4608090
Клапан 85-4608091 в сборе
В узле: 1
85-4608090 Клапан МТЗ гидробака в сб. Под заказ 504.37 р.
18
50-4608063
Фильтр
В узле: 1
50-4608063 Фильтр МТЗ Под заказ 9.20 р.
15
С80-4607034
Штуцер
В узле: 1
С80-4607034 Штуцер <10 шт. 725.14 р.
19
50-4608062
Шайба сапуна
В узле: 2
50-4608062 Шайба МТЗ сапуна Под заказ 14.07 р.
51
70-4608072
Пластина
В узле: 1
70-4608072 Пластина МТЗ гидросистемы Под заказ 920.22 р.
Гайка М10
Гайка М10
В узле: 2
Шайба ШП10
Шайба ШП10
В узле: 4
85-4608010-03
Корпус бака гидросистемы
В узле: 1
1
А28.04.20.000А
Корпус
В узле: 1
3
761-00-00-00
Элемент фильтрующий Реготмас 635-1
В узле: 1
4
Винт В1.М6х40
Винт В1.М6х40
В узле: 1
5
8.20.004
Клапан
В узле: 1
6
А28.04.10.001
Корпус
В узле: 1
7
8.20.002
Пружина
В узле: 1
8
8.20.005
Шайба опорная
В узле: 1
9
Гайка 2М6
Гайка 2М6
В узле: 2
11
Гайка М6
Гайка М6
В узле: 4
12
Кольцо 021-025-25-1-4
Кольцо 021-025-25-1-4
В узле: 1
14
85-4608089
Прокладка
В узле: 1
20
Пробка КГ 1/4
Пробка КГ 1/4
В узле: 1
21
А61-С06-А2
Фильтр
В узле: 1
22
85-4608091
Клапан
В узле: 1
23
50-1002450
Цепочка
В узле: 1
24
Кольцо 011-015-25-2-2
Кольцо 011-015-25-2-2
В узле: 2
25
36-1101067
Кольцо
В узле: 2
26
50-3407069
Чека
В узле: 1
27
Болт М12х20
Болт М12х20
В узле: 3
28
Шайба ШП12
Шайба ШП12
В узле: 3
29
85-4608086
Прокладка
В узле: 1
30
85-4608087
Указатель
В узле: 1
31
85-4608088
Пластина
В узле: 1
32
Болт М6х20
Болт М6х20
В узле: 6
33
Шайба ШП6
Шайба ШП6
В узле: 6
34
Шпилька М10х Т2/6g х20
Шпилька М10х Т2/6g х20
В узле: 3
35
Болт М8х80
Болт М8х80
В узле: 1
36
Болт М8х25
Болт М8х25
В узле: 5
37
Шайба ШП8
Шайба ШП8
В узле: 27
39
Кольцо 130-135-30-2-4
Кольцо 130-135-30-2-4
В узле: 1
40
85-4608018-01
Стакан
В узле: 1
41
Кольцо 027-032-30-2-4
Кольцо 027-032-30-2-4
В узле: 1
42
Болт М8х20
Болт М8х20
В узле: 20
43
85-4608025-02
Крышка
В узле: 1
44
80-4608073
Кронштейн
В узле: 1
45
85-4608031
Прокладка
В узле: 1
46
85-4608016
Корпус гидросистемы
В узле: 1
47
Кольцо 017-022-30-2-2
Кольцо 017-022-30-2-2
В узле: 1
49
Шпилька М10х Т2/6g х35
Шпилька М10х Т2/6g х35
В узле: 2
50
Болт М10х40
Болт М10х40
В узле: 2
52
50-4608049
Прокладка
В узле: 2
53
70-4608033
Прокладка
В узле: 1
54
70-4608019
Крышка
В узле: 1
Содержащиеся в справочниках-каталогах запасные части и детали не предлагаются к продаже, а носят исключительно информационный характер

Ваша заявка была отправлена. В ближайшее время наши специалисты с Вами свяжутся по указанному Вами телефону.

Представьтесь
Поле обязательно для заполнения
Ваш телефон
Введите правильный номер телефона
E-mail
Введите правильный e-mail
Тема
Тема
применяемость финансирование доставка цена, наличие другое сервис и гарантия
Время для звонка
08:00
08:00 09:00 10:00 11:00 12:00 13:00 14:00 15:00 16:00 17:00 18:00 19:00
19:00
08:00 09:00 10:00 11:00 12:00 13:00 14:00 15:00 16:00 17:00 18:00 19:00

Мы постараемся перезвонить в указанное время

Если вы не хотите ждать, то звоните нашим вежливым консультантам:

8 800 100-2-700
Подтвердите, что вы не робот
Подтвердите, что вы не робот
Спасибо!

Ваше сообщение успешно отправлено!

ЗакрытьПовторить попытку