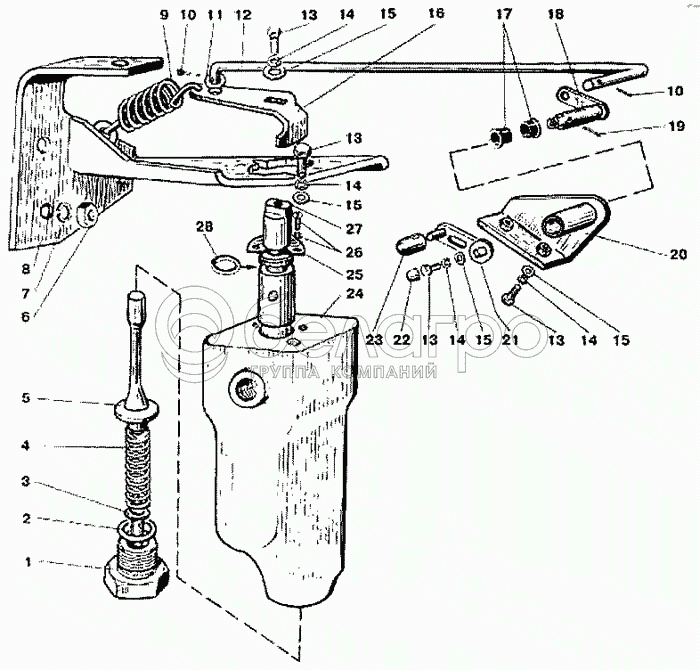
Каталог запасных частей к технике: МТЗ-900. Датчик блокировки. Арматура датчика блокировки

zoom-in zoom-out enlarge shrink circle-right circle-left file-text2 info cart arraw right arraw left zoom out zoom in arraw maximize arraw minimize
1
2
3
4
5
6
7
8
9
10
10
11
12
13
13
13
13
14
14
14
14
15
15
15
15
16
17
18
19
20
21
22
23
24
25
26
27
28
22
А30.04.017
Колпачок
В узле: 1
А30.04.017 Колпачок Под заказ 4.61 р.
23
А13.11.000
Рукоятка
В узле: 1
А13.11.000 Рукоятка МТЗ управления подачей топлива Под заказ 51.22 р.
9
70-4803019
Пружина
В узле: 1
70-4803019 Пружина МТЗ, Беларусь Под заказ 71.71 р.
20
80-4802020
Кронштейн
В узле: 1
80-4802020 Кронштейн МТЗ тяги управления блокировкой Под заказ 491.95 р.
3
Шайба ШП5
Шайба ШП5
В узле: 4
80-4801200
Кран блокировки
В узле: 1
1
80-4801220
Пробка
В узле: 1
2
Кольцо 015-019-25-2-2
Кольцо 015-019-25-2-2
В узле: 1
4
50-4609054
Пружина
В узле: 1
5
80-4801230
Клапан
В узле: 1
6
Гайка М10
Гайка М10
В узле: 2
7
Шайба ШП10
Шайба ШП10
В узле: 2
8
80-4803110
Кронштейн
В узле: 1
10
Шплинт 1,6х12
Шплинт 1,6х12
В узле: 2
11
Шайба ШЧ5
Шайба ШЧ5
В узле: 2
12
80-4803121
Тяга
В узле: 1
13
Болт М6х14
Болт М6х14
В узле: 5
14
Шайба ШП6
Шайба ШП6
В узле: 5
15
Шайба ШЧ6
Шайба ШЧ6
В узле: 5
16
80-4801216
Рычаг
В узле: 1
17
50-4607082А
Втулка
В узле: 2
18
80-4802030
Рычаг
В узле: 1
19
Шплинт 2х16
Шплинт 2х16
В узле: 1
21
80-4802040
Рычаг
В узле: 1
24
80-4801211
Корпус
В узле: 1
25
80-4801217
Стопор
В узле: 1
26
Винт М5
Винт М5
В узле: 2
27
80-4801212
Золотник крана
В узле: 1
28
Кольцо 016-020-25-2-2
Кольцо 016-020-25-2-2
В узле: 1
Содержащиеся в справочниках-каталогах запасные части и детали не предлагаются к продаже, а носят исключительно информационный характер

Ваша заявка была отправлена. В ближайшее время наши специалисты с Вами свяжутся по указанному Вами телефону.

Представьтесь
Поле обязательно для заполнения
Ваш телефон
Введите правильный номер телефона
E-mail
Введите правильный e-mail
Тема
Тема
применяемость финансирование доставка цена, наличие другое сервис и гарантия
Время для звонка
08:00
08:00 09:00 10:00 11:00 12:00 13:00 14:00 15:00 16:00 17:00 18:00 19:00
19:00
08:00 09:00 10:00 11:00 12:00 13:00 14:00 15:00 16:00 17:00 18:00 19:00

Мы постараемся перезвонить в указанное время

Если вы не хотите ждать, то звоните нашим вежливым консультантам:

8 800 100-2-700
Подтвердите, что вы не робот
Подтвердите, что вы не робот
Спасибо!

Ваше сообщение успешно отправлено!

ЗакрытьПовторить попытку