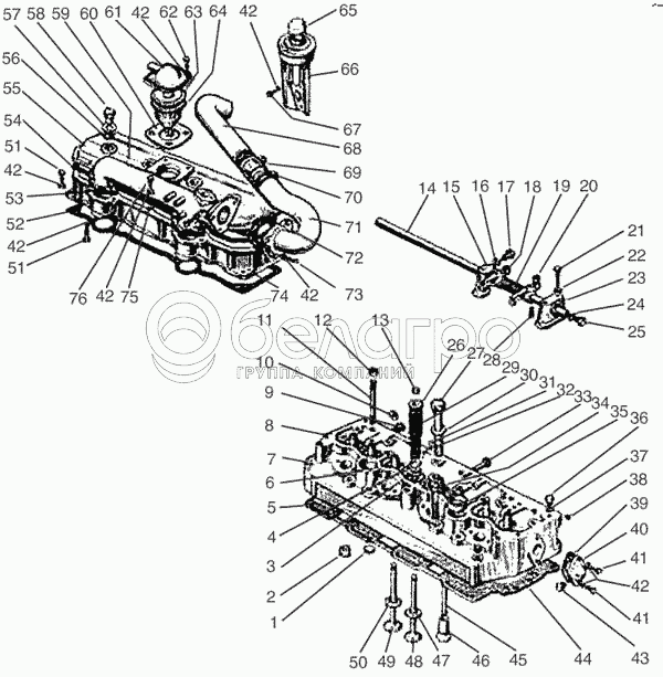
Каталог запасных частей к технике: МТЗ-900. Головка цилиндров. Клапаны и толкатели клапанов

zoom-in zoom-out enlarge shrink circle-right circle-left file-text2 info cart arraw right arraw left zoom out zoom in arraw maximize arraw minimize
1
2
3
4
5
6
7
8
9
10
11
12
13
14
15
16
17
18
19
20
21
22
23
24
25
26
27
28
29
30
31
32
33
34
35
36
37
38
39
40
41
41
42
42
42
42
42
42
42
43
44
45
46
47
48
49
50
51
51
52
53
54
55
58
59
60
61
62
63
64
65
66
67
68
69
70
71
72
73
74
75
76
39
50-1015598
Прокладка патрубка
В узле: 1
50-1015598 Прокладка МТЗ, ЗИЛ патрубка головки блока, Беларусь >10 шт. 5.55 р.
30
48-1002318
Шайба
В узле: 16
48-1002318 Шайба МТЗ головки блока, ММЗ >10 шт. 43.75 р.
27
240-1002047
Болт
В узле: 12
240-1002047 Болт головки МТЗ, Д243, Д245 длинный, ММЗ <10 шт. 302.66 р.
240-1002047 Болт головки МТЗ, Д243, Д245 длинный, (А) Под заказ 50.56 р.
34
240-1002047-01
Болт
В узле: 4
240-1002047-01 Болт головки МТЗ, Д243, Д245 коротокий, ММЗ Под заказ 261.47 р.
240-1002047-01 Болт головки МТЗ, Д243, Д245 коротокий, (А) Под заказ 42.87 р.
54
240-1003109
Прокладка
В узле: 1
240-1003109 прокладка клапан. крышки (пробка 2,0 мм) Под заказ Нет на складе
240-1003109 Прокладка крышки ГБЦ МТЗ верхняя (резино-пробка), РФ >10 шт. 103.33 р.
240-1003109 Прокладка крышки ГБЦ МТЗ верхняя (паронит 1,5 мм), РФ Под заказ 97.04 р.
8
240-1007032-Б-01
Втулка
В узле: 8
240-1007032-Б-01 Втулка клапана МТЗ, Д-240, Д-260, Д-245, направляющая, (А) Под заказ 34.72 р.
6
240-1007020
Манжета
В узле: 8
240-1007020 Манжета уплотнительного клапана, ММЗ Под заказ 74.71 р.
240-1007020 Колпачок МТЗ маслосъёмный комплект к-т 12 шт, дв. Д-260 Под заказ 549.50 р.
240-1007020 Колпачок МТЗ маслосъёмный, (А) Под заказ 5.08 р.
52
240-1003108
Прокладка
В узле: 1
240-1003108 прокладка крышки (пробка 2,0 мм) <10 шт. Нет на складе
240-1003108 Прокладка крышки ГБЦ МТЗ нижняя (резино-пробка), РФ Под заказ Нет на складе
240-1003108 Прокладка крышки ГБЦ МТЗ нижняя (паронит 1,5 мм), РФ <10 шт. 97.04 р.
4
240-1007055
Шайба
В узле: 8
240-1007055 Шайба Д245 пружины клапана верхняя, ММЗ >10 шт. 54.66 р.
57
50-1003106
Шайба
В узле: 4
50-1003106 Шайба МТЗ, Д-243, Д-245, Д-260 крепления колпака, ММЗ >10 шт. 54.66 р.
40
70-8115022-А
Патрубок
В узле: 1
70-8115022-А Патрубок МТЗ головки цилиндров, ММЗ* >10 шт. 391.51 р.
70-8115022-А Патрубок МТЗ головки цилиндров, (У) Под заказ 229.49 р.
20
Д02-063
Гайка
В узле: 8
Д02-063 Гайка МТЗ винта регулировки коромысла, ММЗ <10 шт. 123.49 р.
53
240-1003031
Прокладка
В узле: 2
240-1003031 Прокладка коллектора впускного МТЗ, Беларусь >10 шт. 5.55 р.
28
50-1007175-Б1
Винт регулировочный
В узле: 8
50-1007175-Б1 Винт МТЗ регулировочный рычага(коромысла) клапана, ММЗ >10 шт. 131.20 р.
26
240-1007048
Тарелка
В узле: 8
240-1007048 Тарелка Д243,Д245,Д260 пружин клапана головки блока, ММЗ >10 шт. 283.27 р.
2
240-1003029
Втулка
В узле: 6
240-1003029 Втулка МТЗ головки блока цилиндров, ММЗ >10 шт. 120.27 р.
38
240-1003037
Заглушка
В узле: 1
240-1003037 Заглушка МТЗ, ММЗ <10 шт. 90.23 р.
58
50-1003104-А
Гайка колпака
В узле: 4
50-1003104-А Гайка МТЗ, ЗИЛ-5301 колпака головки блока, ММЗ Под заказ 205.84 р.
240-1007151-Б
Стойка передняя
В узле: 1
240-1007151-Б Стойка Д243,Д245,Д260 оси коромысел, передняя ММЗ <10 шт. 717.79 р.
240-1007152-Б
Стойка вторая
В узле: 1
240-1007152-Б Стойка Д243,Д245,Д260 оси коромысел, средняя, ММЗ <10 шт. 521.46 р.
72
240-1003264-А
Прокладка
В узле: 1
240-1003264-А Прокладка МТЗ паронит 0,5 мм, РФ Под заказ 8.09 р.
240-1003264-А Прокладка МТЗ темсил, РФ <10 шт. 7.31 р.
36
240-1003281
Пробка
В узле: 1
240-1003281 Пробка головки блока цилиндров дв. 242, 243, 245, 260, 265, ММЗ <10 шт. 112.11 р.
64
245-1014440
Стакан
В узле: 1
245-1014440 Стакан МТЗ, Д-245, Д-260, ЗИЛ, ПАЗ крышки головки блока цилиндров, с трубкой, ММЗ <10 шт. 512.40 р.
15
240-1007152-Б-01
Стойка средняя
В узле: 1
240-1007152-Б-01 Стойка Д243,Д245,Д260 оси коромысел, средняя, ММЗ Под заказ 568.57 р.
10
245-3701069
Шайба
В узле: 3
245-3701069 Шайба Под заказ 43.75 р.
245-1003012-01
Головка цилиндров
В узле: 1
245-3707220-А-01
Бачок с крышкой
В узле: 1
245-1003013-А-03
Головка цилиндров
В узле: 1
245-1003030
Крышка головки цилиндров
В узле: 1
1
240-1003027
Заглушка
В узле: 5
3
240-1007054
Шайба
В узле: 8
5
50-1003020-А2-01
Прокладка
В узле: 1
7
245-1003015-А-01
Головка цилиндров
В узле: 1
21
Болт М12х85
Болт М12х85
В узле: 2
11
50-1003112
Шпилька
В узле: 4
12
Гайка М12
Гайка М12
В узле: 4
13
50-1007053-А1
Сухарь клапана
В узле: 16
14
50-1007102-А
Ось
В узле: 1
16
Шайба ШП10
Шайба ШП10
В узле: 1
17
240-1007185
Фиксатор
В узле: 1
18
50-1007212-А3
Коромысло
В узле: 8
19
50-1007103-А
Пружина оси коромысел
В узле: 3
22
Шайба ШЧ12
Шайба ШЧ12
В узле: 2
23
240-1007151-Б-01
Стойка задняя
В узле: 1
24
50-1007183
Шайба пробки
В узле: 2
25
50-1007182
Пробка оси коромысел
В узле: 2
29
240-1007045-А1
Пружина клапана
В узле: 8
31
Д02-003-А
Заглушка
В узле: 4
32
240-1007046-А1
Пружина клапана
В узле: 8
33
Болт М12Х35
Болт М12Х35
В узле: 4
35
50-1003103-А
Стакан
В узле: 2
37
36-1104788-01
Прокладка
В узле: 1
41
Болт М8х25
Болт М8х25
В узле: 4
42
Шайба ШП8
Шайба ШП8
В узле: 15
43
Пробка КГ 3/8
Пробка КГ 3/8
В узле: 2
44
Ф-4.118.3
Кольцо
В узле: 4
45
240-1007310
Штанга
В узле: 8
46
240-1007375-А
Толкатель
В узле: 8
47
245-1003018
Седло впускного клапана
В узле: 4
48
240-1007014-Б4
Клапан впускной
В узле: 4
49
240-1007015-Б6
Клапан выпускной
В узле: 4
50
245-1003019
Седло выпускного клапана
В узле: 4
51
Болт М8х35
Болт М8х35
В узле: 6
55
245-1003122-02
Колпак
В узле: 1
56
50-1003107-А-01
Кольцо
В узле: 4
59
245-1003033-01
Коллектор
В узле: 1
60
240-1002444-А
Прокладка
В узле: 1
61
245-1014430-02
Корпус сапуна
В узле: 1
62
Болт М8х16
Болт М8х16
В узле: 4
63
245-1014454
Маслоотражатель
В узле: 1
65
240-3707200-01
Пробка
В узле: 1
66
245-3707140-А-01
Бачок
В узле: 1
67
Болт М8х20
Болт М8х20
В узле: 4
68
245-1003036
Патрубок
В узле: 1
69
54-65-75-0.2(2)
Рукав
В узле: 2
70
ХЧП10-02.019
Хомут стяжной
В узле: 4
71
245-1003035-А
Патрубок
В узле: 1
73
Болт М8х30
Болт М8х30
В узле: 4
74
240-1003032-А-02
Крышка
В узле: 1
75
Штифт 2,5х10
Штифт 2,5х10
В узле: 2
76
Болт М8х80
Болт М8х80
В узле: 1
Содержащиеся в справочниках-каталогах запасные части и детали не предлагаются к продаже, а носят исключительно информационный характер

Ваша заявка была отправлена. В ближайшее время наши специалисты с Вами свяжутся по указанному Вами телефону.

Представьтесь
Поле обязательно для заполнения
Ваш телефон
Введите правильный номер телефона
E-mail
Введите правильный e-mail
Тема
Тема
применяемость финансирование доставка цена, наличие другое сервис и гарантия
Время для звонка
08:00
08:00 09:00 10:00 11:00 12:00 13:00 14:00 15:00 16:00 17:00 18:00 19:00
19:00
08:00 09:00 10:00 11:00 12:00 13:00 14:00 15:00 16:00 17:00 18:00 19:00

Мы постараемся перезвонить в указанное время

Если вы не хотите ждать, то звоните нашим вежливым консультантам:

8 800 100-2-700
Подтвердите, что вы не робот
Подтвердите, что вы не робот
Спасибо!

Ваше сообщение успешно отправлено!

ЗакрытьПовторить попытку