Каталог запасных частей к технике: МТЗ-900. Кабина

zoom-in zoom-out enlarge shrink circle-right circle-left file-text2 info cart arraw right arraw left zoom out zoom in arraw maximize arraw minimize
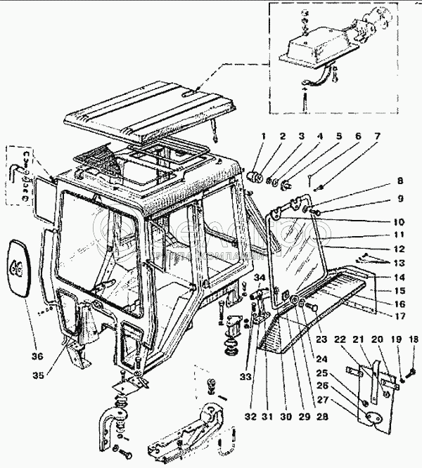
1
2
3
4
5
6
7
8
9
10
11
12
13
13
13
14
15
16
17
18
19
20
21
22
23
24
25
26
27
28
29
30
31
32
33
33
34
35
36
5
80-6708903
Втулка
В узле: 4
80-6708903 Втулка МТЗ стекла бокового, Беларусь >10 шт. 8.40 р.
10
80-6708902
Петля
В узле: 4
80-6708902 Петля МТЗ (80-6708972), ВЗТЗЧ >10 шт. 356.71 р.
16
80-8404011-Б
Крыло левое
В узле: 1
80-8404011Б Крыло заднее МТЗ левое (металл), Беларусь >10 шт. 1 613.80 р.
1
А30.04.017-02
Колпачок
В узле: 4
А30.04.017-02 Колпачок МТЗ, Беларусь Под заказ 2.80 р.
36
80-8201050
Зеркало наружное
В узле: 2
80-8201050 Зеркало наружное МТЗ, (мет.300х200мм) Беларусь Под заказ 744.67 р.
80-8201050 Зеркало наружное МТЗ (LL-278) (А) 44х21см Под заказ 553.46 р.
8
80-6708904
Прокладка
В узле: 4
80-6708904 Прокладка <10 шт. 2.18 р.
80-8404011Б-01
Крыло (правое)
В узле: 1
80-8404011Б-01 Крыло МТЗ правое заднее пластик, РФ <10 шт. 2 853.17 р.
80-6700010-04
Кабина трактора
В узле: 4
80-8404020Б-01
Закрылок правый
В узле: 1
2
Гайка М8
Гайка М8
В узле: 4
19
Шайба ШП8
Шайба ШП8
В узле: 12
4
Шайба ШЧ8
Шайба ШЧ8
В узле: 4
6
Шплинт 3,2х18
Шплинт 3,2х18
В узле: 4
7
Палец 8х30
Палец 8х30
В узле: 4
9
Болт М8х30
Болт М8х30
В узле: 4
11
80-6708901
Стекло
В узле: 2
12
Профиль Р-202
Профиль Р-202
В узле: 2
13
Винт ВМ6х16
Винт ВМ6х16
В узле: 12
21
Гайка М6
Гайка М6
В узле: 12
25
Шайба ШЧ6
Шайба ШЧ6
В узле: 2
14
80-8404014А
Уплотнитель
В узле: 2
15
80-8404020Б
Закрылок левый
В узле: 1
17
80-8404013А
Уплотнитель крыла кабины
В узле: 1
18
Болт М6х25
Болт М6х25
В узле: 10
20
80-8404032
Пластина
В узле: 4
22
80-8404031
Пружина
В узле: 2
23
80-6708965
Винт
В узле: 2
24
80-6708963
Шайба
В узле: 2
26
80-8404034
Пластина
В узле: 2
27
85-8404040
Брызговик
В узле: 2
28
80-6708962
Втулка
В узле: 2
29
80-6708961
Шайба
В узле: 2
30
80-6708964
Заклепка
В узле: 2
31
А37.04.054
Кронштейн
В узле: 2
32
А37.04.051
Ручка
В узле: 2
33
Болт М6х16
Болт М6х16
В узле: 4
33
Шайба ШП6
Шайба ШП6
В узле: 4
34
А37.04.052
Рычаг
В узле: 2
35
85-6703050
Обичайка
В узле: 1
Содержащиеся в справочниках-каталогах запасные части и детали не предлагаются к продаже, а носят исключительно информационный характер

Ваша заявка была отправлена. В ближайшее время наши специалисты с Вами свяжутся по указанному Вами телефону.

Представьтесь
Поле обязательно для заполнения
Ваш телефон
Введите правильный номер телефона
E-mail
Введите правильный e-mail
Тема
Тема
применяемость финансирование доставка цена, наличие другое сервис и гарантия
Время для звонка
08:00
08:00 09:00 10:00 11:00 12:00 13:00 14:00 15:00 16:00 17:00 18:00 19:00
19:00
08:00 09:00 10:00 11:00 12:00 13:00 14:00 15:00 16:00 17:00 18:00 19:00

Мы постараемся перезвонить в указанное время

Если вы не хотите ждать, то звоните нашим вежливым консультантам:

8 800 100-2-700
Подтвердите, что вы не робот
Подтвердите, что вы не робот
Спасибо!

Ваше сообщение успешно отправлено!

ЗакрытьПовторить попытку