Каталог запасных частей к технике: МТЗ-900. Компрессор. Установка компрессора

zoom-in zoom-out enlarge shrink circle-right circle-left file-text2 info cart arraw right arraw left zoom out zoom in arraw maximize arraw minimize
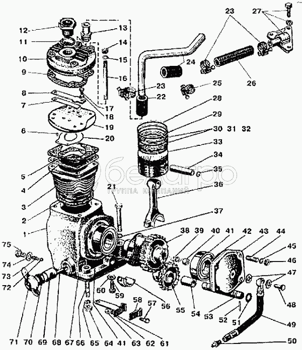
1
2
3
4
5
6
7
8
9
10
11
12
13
14
15
16
17
18
19
20
21
22
23
23
24
25
25
26
27
28
29
30
31
32
33
34
35
36
37
38
39
40
41
41
42
43
44
45
46
47
48
49
50
51
52
53
54
55
56
57
58
59
60
61
62
63
64
65
66
67
68
69
70
71
72
73
74
75
67
240-3509037-А
Прокладка
В узле: 1
240-3509037-А Прокладка МТЗ, ЗИЛ, ПАЗ компрессора >10 шт. 8.54 р.
49
240-3509150
Маслопровод
В узле: 1
240-3509150 Маслопровод МТЗ, ЗИЛ компрессора, L=352 мм, ММЗ* >10 шт. 720.69 р.
240-3509150 Маслопровод МТЗ, ЗИЛ компрессора, L=352 мм, (А) Под заказ 55.39 р.
48
36-1104787
Болт
В узле: 1
36-1104787 Болт МТЗ М10х1.0х22 обратки форсунки, САЗ* >10 шт. 55.36 р.
36-1104787 Болт МТЗ М10х1.0х22 обратки форсунки, (А) Под заказ 5.43 р.
47
36-1104788
Прокладка
В узле: 2
36-1104788 Шайба 10.0х16.0х1.5 Д-240, Д-245 уплотнительная медная, (А) Под заказ 4.43 р.
50
240-3509232
Штуцер
В узле: 2
240-3509232 Штуцер МТЗ, ЗИЛ маслопровода компрессора, L=31мм, (А) Под заказ 23.55 р.
7
А29.05.042
Клапан нагнетательный
В узле: 1
А29.05.042 Клапан компрессора МТЗ нагнетательный, БЗА* >10 шт. 271.76 р.
8
А29.05.043
Ограничитель
В узле: 1
А29.05.043 Ограничитель МТЗ, БЗА* <10 шт. 64.01 р.
А29.01.180
Поршневые кольца (комплект)
В узле: 1
А29.01.180 Кольца поршневые ЗИЛ, ПАЗ компрессора d=72 мм, комплект Под заказ 616.41 р.
А29.05.170
Шатун
В узле: 1
А29.05.170 Шатун компрессора МТЗ, БЗА* <10 шт. 1 423.90 р.
33
А29.05.101
Поршень
В узле: 1
А29.05.101 Поршень МТЗ, РФ <10 шт. 475.40 р.
А29.01.250-А
Валик управления
В узле: 1
Болт М8х25
Болт М8х25
В узле: 3
А29.01.200-А
Шестерня со втулкой в сборе
В узле: 1
45
Шайба ШП8
Шайба ШП8
В узле: 4
245-3509214
Прокладка
В узле: 1
А29.05.100
Поршень и шатун
В узле: 1
240-3509157
Прокладка
В узле: 1
А29.05.000-05
Компрессор
В узле: 1
1
А29.01.001-01
Картер
В узле: 1
2
А29.01.006
Прокладка
В узле: 1
3
А29.05.006-01
Цилиндр
В узле: 1
9
А29.05.004-01
Прокладка
В узле: 1
10
А29.05.005-01
Прокладка верхняя
В узле: 1
6
Штифт 2,5-6х12
Штифт 2,5-6х12
В узле: 1
11
А29.01.064
Прокладка
В узле: 1
12
А29.01.053-01
Пробка
В узле: 1
13
А29.01.059-01
Штуцер
В узле: 1
14
Гайка М8х1
Гайка М8х1
В узле: 4
15
Шайба ШЧ8
Шайба ШЧ8
В узле: 4
16
А29.01.023-01
Шпилька
В узле: 4
17
Болт М6х10
Болт М6х10
В узле: 2
62
Шайба ШП6
Шайба ШП6
В узле: 1
19
А29.05.041-01
Плита
В узле: 1
20
А29.05.001
Клапан всасывающий
В узле: 1
21
Болт М10х45
Болт М10х45
В узле: 1
22
18-30-50-1(10)
Рукав-деталь
В узле: 4
23
ХС-26.019
Хомут
В узле: 4
23
ХЧП10.019
Хомут стяжной
В узле: 4
24
242-3509211
Труба
В узле: 1
25
ХС-78.019
Хомут
В узле: 1
25
ХЧП10.03.019
Хомут
В узле: 1
26
18-30-155-1(10)
Рукав-деталь
В узле: 1
27
240-3509212Б
Патрубок
В узле: 1
28
А27.02.03.007
Кольцо компрессионное
В узле: 1
29
А27.02.03.008
Кольцо компрессионное
В узле: 1
30
А27.12.40.509
Сегмент
В узле: 2
31
А27.12.40.510
Расширитель
В узле: 1
32
А27.12.40.511
Расширитель
В узле: 1
34
А29.05.103
Палец поршневой
В узле: 1
35
А29.05.102
Кольцо стопорное
В узле: 2
36
А29.05.171
Шатун
В узле: 1
65
Шайба ШП10
Шайба ШП10
В узле: 4
38
А29.01.004
Вал коленчатый
В узле: 1
39
А29.01.013А
Пружина
В узле: 1
40
А29.01.019
Уплотнитель крышки
В узле: 1
41
Шарикоподшипник 207
Шарикоподшипник 207
В узле: 2
42
А29.01.009
Прокладка
В узле: 1
43
А29.01.003-01
Крышка
В узле: 1
44
Шпилька М8х То/6g х18
Шпилька М8х То/6g х18
В узле: 4
46
Гайка М8
Гайка М8
В узле: 4
51
014-018-25-2-1
Кольцо
В узле: 1
52
Штифт 4С3х28
Штифт 4С3х28
В узле: 1
53
А29.01.301-01
Ось
В узле: 1
54
А29.01.202-А
Втулка
В узле: 1
55
А29.01.201-А
Шестерня
В узле: 1
56
А29.05.172
Крышка шатуна
В узле: 1
57
Болт М6х16
Болт М6х16
В узле: 1
58
240-3509159
Скоба
В узле: 1
59
Болт М8х35
Болт М8х35
В узле: 2
60
А29.05.173
Шайба
В узле: 1
61
240-3509158
Хомут
В узле: 1
63
Гайка М6
Гайка М6
В узле: 1
64
Гайка М10
Гайка М10
В узле: 3
66
Шпилька 2М10х28
Шпилька 2М10х28
В узле: 3
68
А29.01.253
Палец
В узле: 1
69
А29.01.251-А
Валик
В узле: 1
70
020-025-30-2-1
Кольцо
В узле: 1
71
А29.01.252-А
Рычаг
В узле: 1
72
Шарик 8,0-100
Шарик 8,0-100
В узле: 1
73
Пружина 310
Пружина 310
В узле: 1
74
А29.01.017
Прокладка
В узле: 1
75
Болт М10
Болт М10
В узле: 1
Содержащиеся в справочниках-каталогах запасные части и детали не предлагаются к продаже, а носят исключительно информационный характер

Ваша заявка была отправлена. В ближайшее время наши специалисты с Вами свяжутся по указанному Вами телефону.

Представьтесь
Поле обязательно для заполнения
Ваш телефон
Введите правильный номер телефона
E-mail
Введите правильный e-mail
Тема
Тема
применяемость финансирование доставка цена, наличие другое сервис и гарантия
Время для звонка
08:00
08:00 09:00 10:00 11:00 12:00 13:00 14:00 15:00 16:00 17:00 18:00 19:00
19:00
08:00 09:00 10:00 11:00 12:00 13:00 14:00 15:00 16:00 17:00 18:00 19:00

Мы постараемся перезвонить в указанное время

Если вы не хотите ждать, то звоните нашим вежливым консультантам:

8 800 100-2-700
Подтвердите, что вы не робот
Подтвердите, что вы не робот
Спасибо!

Ваше сообщение успешно отправлено!

ЗакрытьПовторить попытку