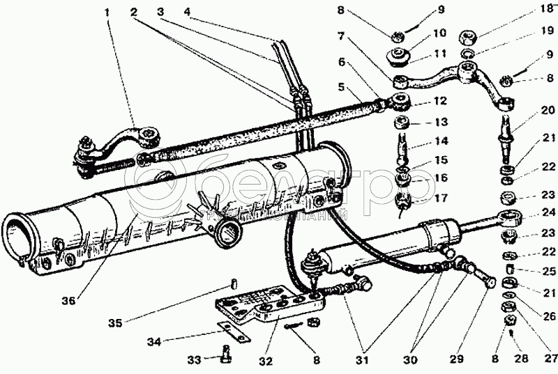
Каталог запасных частей к технике: МТЗ-900. Передняя ось с гидроцилиндром в рулевой трапеции
1
2
3
4
5
6
7
8
8
8
8
9
9
10
11
12
13
14
15
16
17
17
18
19
20
21
21
22
22
23
23
24
25
26
27
28
29
30
31
32
33
34
35
36
|
13
1220-3003023
Вкладыш верхний
В узле: 2
|
|||||||||||||||||||||||||||||||||||||||||||||||||||||||||||||||||||||||||||||||||||||||
| 1220-3003023 Вкладыш верхний (пластм.) |
|
>10 шт. | 15.70 р. | ||||||||||||||||||||||||||||||||||||||||||||||||||||||||||||||||||||||||||||||||||||
|
32
Ф80-3001011
Кронштейн
В узле: 1
|
|||||||||||||||||||||||||||||||||||||||||||||||||||||||||||||||||||||||||||||||||||||||
| Ф80-3001011 Кронштейн МТЗ ГОРУ, (А) |
|
>10 шт. | 1 323.46 р. | ||||||||||||||||||||||||||||||||||||||||||||||||||||||||||||||||||||||||||||||||||||
| Ф80-3001011 Кронштейн МТЗ ГОРУ, РК |
|
Под заказ | Нет на складе | ||||||||||||||||||||||||||||||||||||||||||||||||||||||||||||||||||||||||||||||||||||
| Ф80-3001011 Кронштейн МТЗ ГОРУ, Беларусь |
|
Под заказ | 1 590.83 р. | ||||||||||||||||||||||||||||||||||||||||||||||||||||||||||||||||||||||||||||||||||||
|
18
50-3001087
Гайка
В узле: 2
|
|||||||||||||||||||||||||||||||||||||||||||||||||||||||||||||||||||||||||||||||||||||||
| 50-3001087 Гайка МТЗ цапфы, (А) |
|
>10 шт. | 28.44 р. | ||||||||||||||||||||||||||||||||||||||||||||||||||||||||||||||||||||||||||||||||||||
| 50-3001087 Гайка МТЗ цапфы, САЗ* |
|
>10 шт. | 146.64 р. | ||||||||||||||||||||||||||||||||||||||||||||||||||||||||||||||||||||||||||||||||||||
| 50-3001087 Гайка МТЗ цапфы, БЗТДиА |
|
>10 шт. | 423.75 р. | ||||||||||||||||||||||||||||||||||||||||||||||||||||||||||||||||||||||||||||||||||||
|
15
1220-3003027
Вкладыш
В узле: 2
|
|||||||||||||||||||||||||||||||||||||||||||||||||||||||||||||||||||||||||||||||||||||||
| 1220-3003027 Вкладыш нижний (пластм.) |
|
>10 шт. | 28.95 р. | ||||||||||||||||||||||||||||||||||||||||||||||||||||||||||||||||||||||||||||||||||||
|
14
1220-3003021
Палец шаровой
В узле: 2
|
|||||||||||||||||||||||||||||||||||||||||||||||||||||||||||||||||||||||||||||||||||||||
| 1220-3003021 Палец МТЗ шаровой, (А) |
|
>10 шт. | 82.94 р. | ||||||||||||||||||||||||||||||||||||||||||||||||||||||||||||||||||||||||||||||||||||
| 1220-3003021 Палец МТЗ шаровой РЗТ |
|
Под заказ | Нет на складе | ||||||||||||||||||||||||||||||||||||||||||||||||||||||||||||||||||||||||||||||||||||
|
1220-3003010
Тяга рулевая
В узле: 1
|
|||||||||||||||||||||||||||||||||||||||||||||||||||||||||||||||||||||||||||||||||||||||
| 1220-3003010 Тяга рулевая МТЗ под гидроцилиндр, (А) |
|
Под заказ | 1 304.78 р. | ||||||||||||||||||||||||||||||||||||||||||||||||||||||||||||||||||||||||||||||||||||
| 1220-3003010 Тяга рулевая МТЗ-1221 |
|
Под заказ | 10 514.36 р. | ||||||||||||||||||||||||||||||||||||||||||||||||||||||||||||||||||||||||||||||||||||
|
27
Ф80-3405103
Шайба стопорная
В узле: 2
|
|||||||||||||||||||||||||||||||||||||||||||||||||||||||||||||||||||||||||||||||||||||||
| Ф80-3405103 Шайба МТЗ |
|
<10 шт. | 30.54 р. | ||||||||||||||||||||||||||||||||||||||||||||||||||||||||||||||||||||||||||||||||||||
|
21
Ф80-3405108
Чашка уплотнительная
В узле: 4
|
|||||||||||||||||||||||||||||||||||||||||||||||||||||||||||||||||||||||||||||||||||||||
| Ф80-3405108 Чашка МТЗ рулевого пальца, (А) |
|
Под заказ | 15.53 р. | ||||||||||||||||||||||||||||||||||||||||||||||||||||||||||||||||||||||||||||||||||||
| Ф80-3405108 Чашка МТЗ рулевого пальца |
|
<10 шт. | 47.48 р. | ||||||||||||||||||||||||||||||||||||||||||||||||||||||||||||||||||||||||||||||||||||
|
1
70-3001040
Рычаг правый
В узле: 1
|
|||||||||||||||||||||||||||||||||||||||||||||||||||||||||||||||||||||||||||||||||||||||
| 70-3001040 Рычаг МТЗ правый под ГОРу, (А) |
|
Под заказ | 934.26 р. | ||||||||||||||||||||||||||||||||||||||||||||||||||||||||||||||||||||||||||||||||||||
| 70-3001040 Рычаг МТЗ правый под ГОРу, РК |
|
>10 шт. | Нет на складе | ||||||||||||||||||||||||||||||||||||||||||||||||||||||||||||||||||||||||||||||||||||
| 70-3001040 Рычаг МТЗ правый под ГОРу, ВЗТЗЧ |
|
<10 шт. | 1 757.25 р. | ||||||||||||||||||||||||||||||||||||||||||||||||||||||||||||||||||||||||||||||||||||
|
7
70-3001040-01
Рычаг левый
В узле: 1
|
|||||||||||||||||||||||||||||||||||||||||||||||||||||||||||||||||||||||||||||||||||||||
| 70-3001040-01 Рычаг МТЗ левый под ГОРу, РК |
|
<10 шт. | Нет на складе | ||||||||||||||||||||||||||||||||||||||||||||||||||||||||||||||||||||||||||||||||||||
| 70-3001040-01 Рычаг МТЗ левый под ГОРу, (А) |
|
<10 шт. | 1 384.90 р. | ||||||||||||||||||||||||||||||||||||||||||||||||||||||||||||||||||||||||||||||||||||
| 70-3001040-01 Рычаг МТЗ левый под ГОРу, ВЗТЗЧ |
|
<10 шт. | 3 123.99 р. | ||||||||||||||||||||||||||||||||||||||||||||||||||||||||||||||||||||||||||||||||||||
|
23
Ф80-3405107
Втулка сферическая
В узле: 4
|
|||||||||||||||||||||||||||||||||||||||||||||||||||||||||||||||||||||||||||||||||||||||
| Ф80-3405107 Втулка МТЗ, (А) |
|
Под заказ | 15.53 р. | ||||||||||||||||||||||||||||||||||||||||||||||||||||||||||||||||||||||||||||||||||||
| Ф80-3405107 Втулка МТЗ |
|
Под заказ | 98.87 р. | ||||||||||||||||||||||||||||||||||||||||||||||||||||||||||||||||||||||||||||||||||||
|
30
Ф80-3407114
Шайба
В узле: 4
|
|||||||||||||||||||||||||||||||||||||||||||||||||||||||||||||||||||||||||||||||||||||||
| Ф80-3407114 Шайба МТЗ |
|
<10 шт. | 59.12 р. | ||||||||||||||||||||||||||||||||||||||||||||||||||||||||||||||||||||||||||||||||||||
|
16
1220-3003028
Вкладыш нижний
В узле: 2
|
|||||||||||||||||||||||||||||||||||||||||||||||||||||||||||||||||||||||||||||||||||||||
| 1220-3003028 Вкладыш нижний |
|
>10 шт. | 12.35 р. | ||||||||||||||||||||||||||||||||||||||||||||||||||||||||||||||||||||||||||||||||||||
|
29
Ф80-3407201
Болт
В узле: 2
|
|||||||||||||||||||||||||||||||||||||||||||||||||||||||||||||||||||||||||||||||||||||||
| Ф80-3407201 Болт МТЗ, САЗ* |
|
Под заказ | 132.94 р. | ||||||||||||||||||||||||||||||||||||||||||||||||||||||||||||||||||||||||||||||||||||
|
22
Ф80-3405109
Уплотнитель
В узле: 4
|
|||||||||||||||||||||||||||||||||||||||||||||||||||||||||||||||||||||||||||||||||||||||
| Ф80-3405109 Уплотнитель МТЗ шарнира, (У) |
|
Под заказ | 8.45 р. | ||||||||||||||||||||||||||||||||||||||||||||||||||||||||||||||||||||||||||||||||||||
|
36
50-3001010А-01
Ось передняя
В узле: 1
|
|||||||||||||||||||||||||||||||||||||||||||||||||||||||||||||||||||||||||||||||||||||||
| 50-3001010А-01 Ось передняя МТЗ с отверстиями, Беларусь |
|
Под заказ | 13 543.04 р. | ||||||||||||||||||||||||||||||||||||||||||||||||||||||||||||||||||||||||||||||||||||
|
33
Ф80-3001013
Пластина
В узле: 2
|
|||||||||||||||||||||||||||||||||||||||||||||||||||||||||||||||||||||||||||||||||||||||
| Ф80-3001013 Пластина МТЗ |
|
Под заказ | 36.83 р. | ||||||||||||||||||||||||||||||||||||||||||||||||||||||||||||||||||||||||||||||||||||
Содержащиеся в справочниках-каталогах запасные части и детали не предлагаются к продаже, а носят исключительно информационный характер