Каталог запасных частей к технике: МТЗ-900. Вал отбора мощности

zoom-in zoom-out enlarge shrink circle-right circle-left file-text2 info cart arraw right arraw left zoom out zoom in arraw maximize arraw minimize
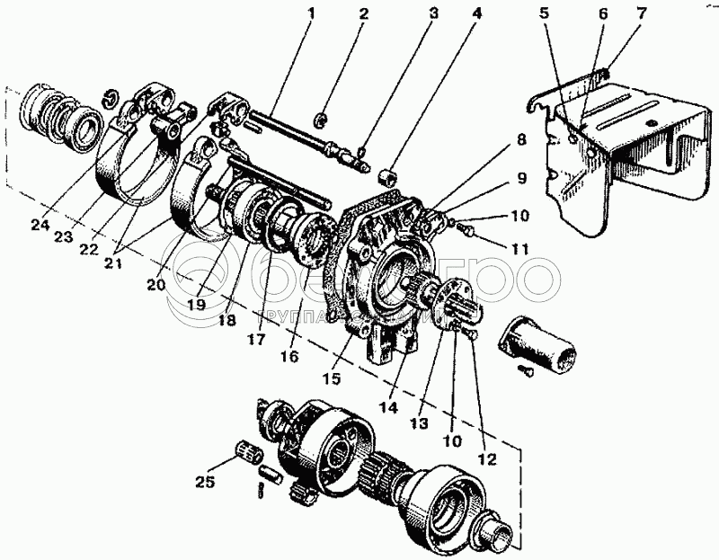
1
2
3
4
5
6
7
8
9
10
10
11
12
13
14
15
16
17
18
19
20
21
22
23
24
25
14
80-4202019Б-01
Хвостовик (с 6 шплицами)
В узле: 1
80-4202019Б-01 Хвостовик ВОМ МТЗ 6 шлицов, БЗТДиА >10 шт. 2 288.89 р.
80-4202019Б-01 Хвостовик ВОМ МТЗ 6 шлицов, (А) Под заказ 481.84 р.
22
85-4202074
Рычаг
В узле: 1
85-4202074 Рычаг МТЗ, БЗТДиА >10 шт. 431.34 р.
9
85-4202079
Пластина
В узле: 1
85-4202079 Пластина МТЗ, БЗТДиА Под заказ 213.50 р.
24
50-4202074
Рычаг
В узле: 1
50-4202074 Рычаг МТЗ, БЗТДиА <10 шт. 396.66 р.
23
50-4202058
Кронштейн
В узле: 1
50-4202058 Кронштейн МТЗ, БЗТДиА <10 шт. 272.04 р.
1
80-4202076
Вал
В узле: 1
80-4202076 Ось МТЗ, БЗТДиА <10 шт. 3 109.28 р.
6
80-4202092
Крышка
В узле: 1
80-4202092 Крышка МТЗ вала отбора мощности заднего Под заказ 714.35 р.
4
80-4202082
Втулка
В узле: 1
80-4202082 Втулка МТЗ, БЗТДиА Под заказ 159.97 р.
80-4202010А-01
Задний вал отбора мощности (ВОМ)
В узле: 1
80-4202019Б-02
Хвостовик (с 21 шплицем)
В узле: 1
Шайба ШП8
Шайба ШП8
В узле: 4
Шайба ШЧ8
Шайба ШЧ8
В узле: 4
Гайка М8
Гайка М8
В узле: 4
2
Кольцо 54.38.619
Кольцо 54.38.619
В узле: 1
3
Кольцо 014-018-25-1-4
Кольцо 014-018-25-1-4
В узле: 1
5
Болт М8х6
Болт М8х6
В узле: 4
7
80-4202091-01
Кожух
В узле: 1
8
Кольцо 2Б18
Кольцо 2Б18
В узле: 1
10
Шайба ШП10
Шайба ШП10
В узле: 7
11
Болт М10х35
Болт М10х35
В узле: 1
12
Болт М10х18
Болт М10х18
В узле: 6
13
80-4202081
Пластина
В узле: 1
15
80-4202042Б
Крышка
В узле: 1
16
80-4202017Б
Вал
В узле: 1
17
Манжета 2-80х105-1
Манжета 2-80х105-1
В узле: 1
18
Подшипник 60 310А
Подшипник 60 310А
В узле: 1
19
Кольцо 2В110
Кольцо 2В110
В узле: 1
20
70-4202072Б
Ось
В узле: 1
21
50-4202100А1
Лента с накладкой
В узле: 2
25
Подшипник ЗКК 20х26х34Е
Подшипник ЗКК 20х26х34Е
В узле: 2
Содержащиеся в справочниках-каталогах запасные части и детали не предлагаются к продаже, а носят исключительно информационный характер

Ваша заявка была отправлена. В ближайшее время наши специалисты с Вами свяжутся по указанному Вами телефону.

Представьтесь
Поле обязательно для заполнения
Ваш телефон
Введите правильный номер телефона
E-mail
Введите правильный e-mail
Тема
Тема
применяемость финансирование доставка цена, наличие другое сервис и гарантия
Время для звонка
08:00
08:00 09:00 10:00 11:00 12:00 13:00 14:00 15:00 16:00 17:00 18:00 19:00
19:00
08:00 09:00 10:00 11:00 12:00 13:00 14:00 15:00 16:00 17:00 18:00 19:00

Мы постараемся перезвонить в указанное время

Если вы не хотите ждать, то звоните нашим вежливым консультантам:

8 800 100-2-700
Подтвердите, что вы не робот
Подтвердите, что вы не робот
Спасибо!

Ваше сообщение успешно отправлено!

ЗакрытьПовторить попытку