Каталог запасных частей к технике: МТЗ-900/920/950/952. Электрооборудование по кабине

zoom-in zoom-out enlarge shrink circle-right circle-left file-text2 info cart arraw right arraw left zoom out zoom in arraw maximize arraw minimize
1
1
1
1
2
2
2
3
4
5
6
6
7
7
7
8
9
9
9
9
10
11
11
12
13
13
14
15
16
17
17
18
19
20
21
22
23
24
25
25а
256
26
27
27
27
28
28
29
30
30
31
31
32
32
32
33
33
35
35
35
35
36
36
36
36
37
37
38
38
38
39
40
41
42
43
44
45
46
47
48
48
48
49
49а
496
50
51
52
53
53
54
55
56
57
58
59
31
А37.10.031
Бонка
В узле: 4
А37.10.031 Бонка МТЗ, Беларусь Под заказ 4.04 р.
14
80-3801342
Щиток
В узле: 1
80-3801342 Щиток МТЗ, Беларусь Под заказ 174.48 р.
54
80-3738001
Кронштейн
В узле: 1
80-3738001 Кронштейн МТЗ знака автопоезда под фонарь ФА-1 <10 шт. 493.44 р.
55
80-6708904
Прокладка
В узле: 4
80-6708904 Прокладка Под заказ 2.54 р.
26
80-5205031
Кронштейн
В узле: 1
80-5205031 Кронштейн МТЗ Под заказ 145.95 р.
16
80-3801327
Заглушка
В узле: 2
80-3801327 Заглушка МТЗ Под заказ 84.80 р.
9
8724.31.06
Фара
В узле: 4
8724.31.06 Фара задняя МТЗ круглая , Беларусь Под заказ 854.81 р.
23
11.3729
Дополнительное сопротивление
В узле: 1
11.3729 резистор (сопротивление) Под заказ 271.78 р.
58
80-3724353-Г
Жгут
В узле: 1
80-3724353Г Жгут МТЗ, Беларусь Под заказ 281.65 р.
29
80-3724232-Б
Жгут
В узле: 1
80-3724232Б Жгут МТЗ, Беларусь Под заказ 215.78 р.
59
80-3724233-Б
Жгут
В узле: 1
80-3724233Б Жгут МТЗ установки рабочих фар, Беларусь Под заказ 240.88 р.
50
80-3710012
Кронштейн
В узле: 1
80-3710012 Кронштейн МТЗ Под заказ 61.06 р.
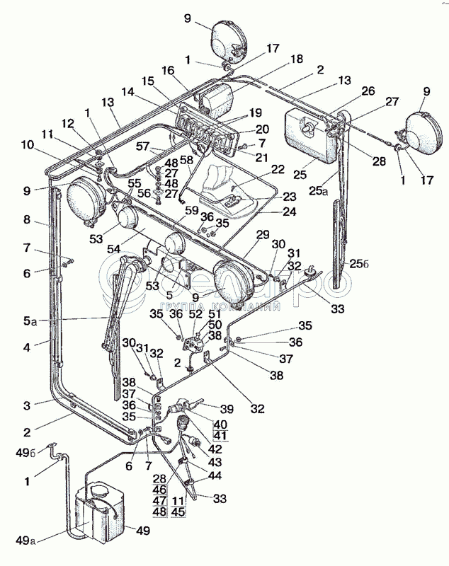
1
70-3723042-01
Втулка
В узле: 5
2
80-3724351-П
Жгут
В узле: 1
3
80-3723015
Желоб
В узле: 1
4
80-3723020
Желоб
В узле: 1
5
5205.10
Стеклоочиститель пантографный
В узле: 1
5205.25
Щетка с рычагом
В узле: 1
6
С6.01.019
Шайба
В узле: 5
7
В.М6-6gx12.58.019
Винт
В узле: 9
8
80-3723010
Желоб
В узле: 1
10
М8-6gx14.88.35.019
Болт
В узле: 1
11
Шайба
В узле: 1
12
М8-6Н.6.019
Гайка
В узле: 1
13
80В-3724310-14
Провод
В узле: 1
15
3710.40
Выключатель знака автопоезда
В узле: 1
17
80-3724035-Б
Провод
В узле: 2
18
3714.10
Плафон освещения кабины
В узле: 1
19
3710.30
Выключатель фар рабочих
В узле: 2
20
3709.15
Переключатель вентилятора
В узле: 1
21
3709.25
Переключатель стеклоочистителя
В узле: 1
22
4x10.01.019
Винт
В узле: 1
24
80В-3724010
Жгут
В узле: 1
25
5205.20
Стеклоочиститель
В узле: 1
25а
5205.30
Рычаг стеклоочистителя
В узле: 1
256
5205.35
Щетка стеклоочистителя
В узле: 1
27
Шайба
В узле: 5
28
М6-6gx16.88.35.019
Болт
В узле: 2
30
2-4x16.019
Шуруп
В узле: 4
32
85-3723041-01
Скоба
В узле: 4
33
80-3724300-П
Жгут
В узле: 1
35
М5-6Н.6.019
Гайка ГОСТ 5915-70
В узле: 11
36
Шайба
В узле: 11
37
80-3723038
Скоба
В узле: 3
38
В.М5-6gx16.58.019
Винт
В узле: 3
39
85-3710032
Рычаг
В узле: 1
40
85-3710025
Гайка
В узле: 1
41
14Л
Шайба
В узле: 1
42
3720.10
Выключатель сигнала торможения
В узле: 1
43
3829.15
Датчик аварийного давления Масла (ДАДМ-03)
В узле: 1
44
1321-8700029
Хомут
В узле: 2
45
В.М8-6gx25.58.019
Винт
В узле: 1
46
В.М6-6gx25.58.019
Винт
В узле: 1
47
С8.01.019
Шайба
В узле: 1
48
М6-6Н.6.019
Гайка
В узле: 3
49
5208.25
Стеклоомыватель электрический
В узле: 1
49а
5208.20
Кронштейн
В узле: 1
496
5208.10
Жиклер
В узле: 1
51
3710.60
Выключатель лампы ручного тормоза
В узле: 1
52
С5.01.019
Шайба
В узле: 2
53
3738.10
Фонарь автопоезда
В узле: 3
56
M6-6gx20.58.35.019
Болт
В узле: 1
57
80-3724231-Б
Жгут
В узле: 2
Содержащиеся в справочниках-каталогах запасные части и детали не предлагаются к продаже, а носят исключительно информационный характер

Ваша заявка была отправлена. В ближайшее время наши специалисты с Вами свяжутся по указанному Вами телефону.

Представьтесь
Поле обязательно для заполнения
Ваш телефон
Введите правильный номер телефона
E-mail
Введите правильный e-mail
Тема
Тема
применяемость финансирование доставка цена, наличие другое сервис и гарантия
Время для звонка
08:00
08:00 09:00 10:00 11:00 12:00 13:00 14:00 15:00 16:00 17:00 18:00 19:00
19:00
08:00 09:00 10:00 11:00 12:00 13:00 14:00 15:00 16:00 17:00 18:00 19:00

Мы постараемся перезвонить в указанное время

Если вы не хотите ждать, то звоните нашим вежливым консультантам:

8 800 100-2-700
Подтвердите, что вы не робот
Подтвердите, что вы не робот
Спасибо!

Ваше сообщение успешно отправлено!

ЗакрытьПовторить попытку