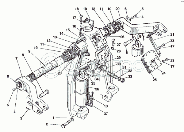
Каталог запасных частей к технике: МТЗ-900/920/950/952. Гидроподъемник
1221-4635010
1
2
3
4
4
5
5
6
6
7
8
8
9
10
10
11
11
12
12
13
13
14
15
16
17
17
17
18
19
20
21
22
23
24
25
26
26
27
28
29
30
31
32
33
34
35
36
36
36
37
|
27
А61.05.005
Чека
В узле: 1
|
|||||||||||||||||||||||||||||||||||||||||||||||||||||||||||||||||||||||||||||||||||||||
| А61.05.005 Чека МТЗ задней навески голая (под шплинт), Беларусь |
|
Под заказ | 93.57 р. | ||||||||||||||||||||||||||||||||||||||||||||||||||||||||||||||||||||||||||||||||||||
| А61.05.005 Чека МТЗ задней навески голая (под шплинт), (А) |
|
Под заказ | 8.49 р. | ||||||||||||||||||||||||||||||||||||||||||||||||||||||||||||||||||||||||||||||||||||
|
10
079-085-36-2-2
Кольцо
В узле: 2
|
|||||||||||||||||||||||||||||||||||||||||||||||||||||||||||||||||||||||||||||||||||||||
| 079-085-36-2-2 Кольцо уплотнительное, Беларусь |
|
>10 шт. | 45.80 р. | ||||||||||||||||||||||||||||||||||||||||||||||||||||||||||||||||||||||||||||||||||||
|
13
820-4635115
Шланг
В узле: 2
|
|||||||||||||||||||||||||||||||||||||||||||||||||||||||||||||||||||||||||||||||||||||||
| 820-4635115 Рукав высокого давления гидроподъемника МТЗ (РВД 10.33.18.90.650), Беларусь |
|
>10 шт. | 542.79 р. | ||||||||||||||||||||||||||||||||||||||||||||||||||||||||||||||||||||||||||||||||||||
|
28
А61.05.004
Кольцо
В узле: 1
|
|||||||||||||||||||||||||||||||||||||||||||||||||||||||||||||||||||||||||||||||||||||||
| А61.05.004 Кольцо МТЗ оборудования навесного и прицепного |
|
<10 шт. | 23.40 р. | ||||||||||||||||||||||||||||||||||||||||||||||||||||||||||||||||||||||||||||||||||||
|
34
А61.10.001
Палец
В узле: 1
|
|||||||||||||||||||||||||||||||||||||||||||||||||||||||||||||||||||||||||||||||||||||||
| А61.10.001 Палец МТЗ механизма задней навески |
|
Под заказ | 474.43 р. | ||||||||||||||||||||||||||||||||||||||||||||||||||||||||||||||||||||||||||||||||||||
|
19
820-4634010
Распределитель
В узле: 1
|
|||||||||||||||||||||||||||||||||||||||||||||||||||||||||||||||||||||||||||||||||||||||
| 820-4634010 Гидрораспределитель МТЗ гидроподъемника, Беларусь |
|
>10 шт. | 10 082.14 р. | ||||||||||||||||||||||||||||||||||||||||||||||||||||||||||||||||||||||||||||||||||||
|
6
40-4605023-А2
Шайба
В узле: 2
|
|||||||||||||||||||||||||||||||||||||||||||||||||||||||||||||||||||||||||||||||||||||||
| 40-4605023-А2 Шайба МТЗ |
|
Под заказ | 101.26 р. | ||||||||||||||||||||||||||||||||||||||||||||||||||||||||||||||||||||||||||||||||||||
|
36
820-4625010-Б
Цилиндр
В узле: 2
|
|||||||||||||||||||||||||||||||||||||||||||||||||||||||||||||||||||||||||||||||||||||||
| 820-4625010-Б Цилиндр МТЗ подъема навески, Беларусь |
|
Под заказ | 14 198.26 р. | ||||||||||||||||||||||||||||||||||||||||||||||||||||||||||||||||||||||||||||||||||||
|
15
012-015-19-2-4
Кольцо
В узле: 2
|
|||||||||||||||||||||||||||||||||||||||||||||||||||||||||||||||||||||||||||||||||||||||
| 012-015-19-2-4 Кольцо уплотнительное, Беларусь |
|
Под заказ | 10.96 р. | ||||||||||||||||||||||||||||||||||||||||||||||||||||||||||||||||||||||||||||||||||||
|
26
820-4635088
Втулка
В узле: 4
|
|||||||||||||||||||||||||||||||||||||||||||||||||||||||||||||||||||||||||||||||||||||||
| 820-4635088 Втулка гидроподъемника МТЗ, Беларусь |
|
Под заказ | 1 459.44 р. | ||||||||||||||||||||||||||||||||||||||||||||||||||||||||||||||||||||||||||||||||||||
|
8
1221-4635016
Палец
В узле: 2
|
|||||||||||||||||||||||||||||||||||||||||||||||||||||||||||||||||||||||||||||||||||||||
| 1221-4635016 Палец МТЗ гидроподъемника, Беларусь |
|
Под заказ | 1 218.73 р. | ||||||||||||||||||||||||||||||||||||||||||||||||||||||||||||||||||||||||||||||||||||
|
20
1221-4635012
Рычаг правый
В узле: 1
|
|||||||||||||||||||||||||||||||||||||||||||||||||||||||||||||||||||||||||||||||||||||||
| 1221-4635012 Рычаг МТЗ гидроподъемника, правый, Беларусь |
|
Под заказ | 14 501.35 р. | ||||||||||||||||||||||||||||||||||||||||||||||||||||||||||||||||||||||||||||||||||||
|
9
1221-4635014
Вал
В узле: 1
|
|||||||||||||||||||||||||||||||||||||||||||||||||||||||||||||||||||||||||||||||||||||||
| 1221-4635014 Вал поворотный МТЗ гидроподъемника |
|
Под заказ | 25 577.46 р. | ||||||||||||||||||||||||||||||||||||||||||||||||||||||||||||||||||||||||||||||||||||
| 1221-4635014 Вал поворотный гидроподъемника, РБ |
|
Под заказ | 9 005.23 р. | ||||||||||||||||||||||||||||||||||||||||||||||||||||||||||||||||||||||||||||||||||||
|
37
820-4635084
Угольник
В узле: 2
|
|||||||||||||||||||||||||||||||||||||||||||||||||||||||||||||||||||||||||||||||||||||||
| 820-4635084 Угольник гидроподъемника МТЗ, Беларусь |
|
<10 шт. | 550.82 р. | ||||||||||||||||||||||||||||||||||||||||||||||||||||||||||||||||||||||||||||||||||||
|
11
820-4635091
Стакан
В узле: 2
|
|||||||||||||||||||||||||||||||||||||||||||||||||||||||||||||||||||||||||||||||||||||||
| 820-4635091 Стакан гидроподъемника МТЗ, Беларусь |
|
Под заказ | 624.43 р. | ||||||||||||||||||||||||||||||||||||||||||||||||||||||||||||||||||||||||||||||||||||
|
7
1221-4635013
Рычаг левый
В узле: 1
|
|||||||||||||||||||||||||||||||||||||||||||||||||||||||||||||||||||||||||||||||||||||||
| 1221-4635013 Рычаг МТЗ гидроподъемника, левый, Беларусь |
|
Под заказ | 6 766.50 р. | ||||||||||||||||||||||||||||||||||||||||||||||||||||||||||||||||||||||||||||||||||||
|
30
80-4608021
Заглушка
В узле: 1
|
|||||||||||||||||||||||||||||||||||||||||||||||||||||||||||||||||||||||||||||||||||||||
| 80-4608021 Пробка МТЗ (заглушка), БЗТДиА |
|
Под заказ | 234.76 р. | ||||||||||||||||||||||||||||||||||||||||||||||||||||||||||||||||||||||||||||||||||||
|
16
1221-4635011
Корпус
В узле: 1
|
|||||||||||||||||||||||||||||||||||||||||||||||||||||||||||||||||||||||||||||||||||||||
| 1221-4635011 Корпус навески МТЗ, Беларусь |
|
Под заказ | 41 109.62 р. | ||||||||||||||||||||||||||||||||||||||||||||||||||||||||||||||||||||||||||||||||||||
|
1221-4635010
Гидроподъемник
В узле: 1
|
|||||||||||||||||||||||||||||||||||||||||||||||||||||||||||||||||||||||||||||||||||||||
| 1221-4635010 Гидроподъемник МТЗ (моноблок), Беларусь |
|
Под заказ | 109 604.15 р. | ||||||||||||||||||||||||||||||||||||||||||||||||||||||||||||||||||||||||||||||||||||
Содержащиеся в справочниках-каталогах запасные части и детали не предлагаются к продаже, а носят исключительно информационный характер