Каталог запасных частей к технике: МТЗ-900/920/950/952. Стартер

zoom-in zoom-out enlarge shrink circle-right circle-left file-text2 info cart arraw right arraw left zoom out zoom in arraw maximize arraw minimize
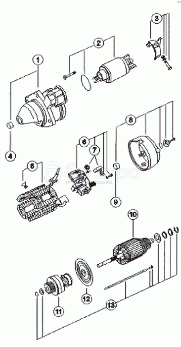
1
2
2
2
2
2
2
2
2
3
3
3
4
5
5
5
6
6
6
6
7
7
7
7
8
8
8
8
8
8
9
10
10
10
10
11
12
12
13
13
13
13
13
13
13
13
13
13
15.200.243
Пружина
В узле: 4
15.300.166
Винт
В узле: 1
1
16.281.793
Крышка передняя
В узле: 1
2
16.670.154-01
Реле в сборе
В узле: 1
2
16.300.126
Винт М5х55
В узле: 3
2
707.002.275
Кольцо
В узле: 1
2
16.150.007
Сердечник
В узле: 1
2
15.200.058
Пружина
В узле: 1
2
16.670.155-01
Реле в сборе
В узле: 1
2
16.670.262
Реле
В узле: 1
2
16.670.263
Реле
В узле: 1
3
15.300.191
Болт специальный
В узле: 4
3
16.901.700
Рычаг
В узле: 1
3
15.300.191
Болт специальный
В узле: 1
4
15.120.243
Втулка подшипника
В узле: 1
5
16.901.700
Рычаг
В узле: 1
5
16.500.664
Обмотка
В узле: 1
5
16.500.773
Обмотка
В узле: 1
6
16.901.954
Щеткодержатель
В узле: 1
6
16.901.626
Щеткодержатель
В узле: 1
6
16.903.773
Щеткодержатель
В узле: 1
6
16.903.908
Щеткодержатель
В узле: 1
7
16.770.083
Щетка
В узле: 4
7
16.770.119
Щетка
В узле: 1
7
16.770.378
Щетка
В узле: 1
7
16.770.121
Щетка
В узле: 1
8
15.300.710
Винт М5х10
В узле: 2
8
15.400.056
Кольцо уплотнительное
В узле: 1
8
15.400.249
Вставка
В узле: 1
8
15.120.155
Втулка подшипника
В узле: 1
8
16.283.449
Задняя крышка
В узле: 1
8
15.900.140
Крышка
В узле: 1
9
15.120.155
Втулка подшипника
В узле: 1
10
16.360.402
Ротор
В узле: 1
10
15.120.155
Втулка подшипника
В узле: 1
10
16.361.499
Ротор
В узле: 1
10
16.361.820
Ротор
В узле: 1
11
16.903.550
Бендикс
В узле: 1
12
15.120.154
Втулка
В узле: 1
12
16.281.299
Крышка средняя
В узле: 1
13
15.200.007
Кольцо пружинное
В узле: 1
13
15.300.042
Кольцо
В узле: 1
13
15.300.057
Шпилька М6х213
В узле: 2
13
15.300.594
Шпилька
В узле: 2
13
D6
Шайба
В узле: 1
13
M6
Гайка
В узле: 1
13
15.401.009
Шайба изоляционная
В узле: 1
13
15.300.027
Шайба регулировочная
В узле: 1
13
15.300.028
Шайба регулировочная
В узле: 2
13
15.900.204
Шайба стопорная
В узле: 1
Содержащиеся в справочниках-каталогах запасные части и детали не предлагаются к продаже, а носят исключительно информационный характер

Ваша заявка была отправлена. В ближайшее время наши специалисты с Вами свяжутся по указанному Вами телефону.

Представьтесь
Поле обязательно для заполнения
Ваш телефон
Введите правильный номер телефона
E-mail
Введите правильный e-mail
Тема
Тема
применяемость финансирование доставка цена, наличие другое сервис и гарантия
Время для звонка
08:00
08:00 09:00 10:00 11:00 12:00 13:00 14:00 15:00 16:00 17:00 18:00 19:00
19:00
08:00 09:00 10:00 11:00 12:00 13:00 14:00 15:00 16:00 17:00 18:00 19:00

Мы постараемся перезвонить в указанное время

Если вы не хотите ждать, то звоните нашим вежливым консультантам:

8 800 100-2-700
Подтвердите, что вы не робот
Подтвердите, что вы не робот
Спасибо!

Ваше сообщение успешно отправлено!

ЗакрытьПовторить попытку