Каталог запасных частей к технике: МТЗ-900/920/950/952. Вал отбора мощности боковой

zoom-in zoom-out enlarge shrink circle-right circle-left file-text2 info cart arraw right arraw left zoom out zoom in arraw maximize arraw minimize
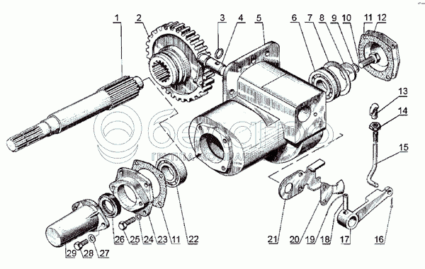
50-4204010
1
2
3
4
5
6
7
8
9
10
11
11
12
13
14
15
16
17
18
19
20
21
22
23
24
25
26
27
28
29
13
50-1310136-А
Рукоятка
В узле: 1
50-1310136-А Рукоятка МТЗ включения/выключения дифференциала, Беларусь <10 шт. 38.94 р.
8
50-1601038
Шайба нажимная
В узле: 1
50-1601038 Шайба МТЗ нажимная <10 шт. 129.50 р.
12
50-1601089
Крышка подшипника
В узле: 1
50-1601089 Крышка МТЗ подшипника корпуса сцепления Под заказ 438.62 р.
29
50-4202065-А
Колпак
В узле: 1
50-4202065 А Колпак МТЗ Под заказ 265.72 р.
50-4204010
Вал отбора мощности боковой с 8-шлицевым хвостовиком в сборе
В узле: 1
1
50-4204022
Вал с 8-шлицевым хвостовиком
В узле: 1
2
Ф50-4204026
Шестерня
В узле: 1
3
020-025-30-1-4
Кольцо
В узле: 1
4
50-4204040-А
Валик
В узле: 1
5
50-4204015-Б
Корпус
В узле: 1
6
208А
Подшипник
В узле: 1
7
72
Кольцо
В узле: 1
9
12ОТ
Шайба ОСТ 37.001.115-75
В узле: 1
10
M12-6gx35.88.35.019
Болт
В узле: 1
11
50-1601091
Прокладка
В узле: 2
14
М8-6Н.6.019
Гайка
В узле: 1
15
80-4204042
Тяга
В узле: 1
16
3,2x18.019
Шплинт
В узле: 1
17
50-4204034
Рычаг
В узле: 1
18
А.10х40.65Г
Штифт
В узле: 1
19
1,6-О-С
Проволока
В узле: 1
20
50-4204036-Б
Пластина
В узле: 1
21
50-4204038
Пластина
В узле: 1
22
6-50306К
Подшипник
В узле: 1
23
50-4204024
Крышка
В узле: 1
24
Шайба
В узле: 10
25
M8-6gx25.88.35.019
Болт
В узле: 4
26
2.2-38x58-1
Манжета
В узле: 1
27
С8.01.019
Шайба
В узле: 2
28
М8-6gx16.88.35.019
Болт
В узле: 8
Содержащиеся в справочниках-каталогах запасные части и детали не предлагаются к продаже, а носят исключительно информационный характер

Ваша заявка была отправлена. В ближайшее время наши специалисты с Вами свяжутся по указанному Вами телефону.

Представьтесь
Поле обязательно для заполнения
Ваш телефон
Введите правильный номер телефона
E-mail
Введите правильный e-mail
Тема
Тема
применяемость финансирование доставка цена, наличие другое сервис и гарантия
Время для звонка
08:00
08:00 09:00 10:00 11:00 12:00 13:00 14:00 15:00 16:00 17:00 18:00 19:00
19:00
08:00 09:00 10:00 11:00 12:00 13:00 14:00 15:00 16:00 17:00 18:00 19:00

Мы постараемся перезвонить в указанное время

Если вы не хотите ждать, то звоните нашим вежливым консультантам:

8 800 100-2-700
Подтвердите, что вы не робот
Подтвердите, что вы не робот
Спасибо!

Ваше сообщение успешно отправлено!

ЗакрытьПовторить попытку