Каталог запасных частей к технике: МТЗ-90/92. Кабина (тент-каркас)

zoom-in zoom-out enlarge shrink circle-right circle-left file-text2 info cart arraw right arraw left zoom out zoom in arraw maximize arraw minimize
1
1
1
2
2
2
2
2
2
2
3
4
5
6
7
8
9
10
11
12
13
13
14
14
15
16
17
18
19
20
21
22
23
24
25
26
27
28
29
30
31
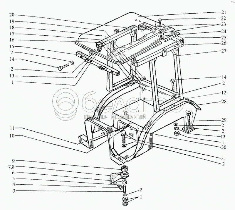
9
130-5001332
Подушка верхняя
В узле: 4
130-5001332 Подушка МТЗ большая, (А) >10 шт. 148.66 р.
130-5001332 Подушка МТЗ большая >10 шт. 113.42 р.
8
80-6702068
Кронштейн левый
В узле: 1
80-6702068 Кронштейн МТЗ левый крепления кабины, (А) <10 шт. 507.57 р.
80-6702068 Кронштейн МТЗ левый крепления кабины, ВЗТЗЧ <10 шт. 1 045.31 р.
7
80-6702069
Кронштейн правый
В узле: 1
80-6702069 Кронштейн МТЗ правый крепления кабины, (А) Под заказ 600.29 р.
80-6702069 Кронштейн МТЗ правый крепления кабины, ВЗТЗЧ Под заказ 1 045.31 р.
3
70-6702306
Втулка
В узле: 4
70-6702306 Втулка МТЗ подушки кабины Под заказ 72.36 р.
1
М12
Гайка
В узле: 18
2
ШЧ12
Шайба
В узле: 32
4
М16x50
Болт
В узле: 4
5
ШП16
Шайба
В узле: 4
6
130-5001364-В
Подушка нижняя
В узле: 4
10
ШП8
Шайба
В узле: 2
11
М8х16
Болт
В узле: 2
12
70-6702150
Крышка задняя
В узле: 1
13
ШП12
Шайба
В узле: 10
14
М12x75
Болт
В узле: 10
15
70-6709140
Поперечина передняя
В узле: 1
16
М10x35
Болт
В узле: 2
17
ШЧ10
Шайба
В узле: 2
18
ШП10
Шайба
В узле: 2
19
М10
Гайка
В узле: 2
20
70-6709120
Рама боковая
В узле: 1
21
70-6709036
Крыша
В узле: 1
22
М6х20
Винт
В узле: 8
23
ШЧ6
Шайба
В узле: 16
24
ШП6
Шайба
В узле: 8
25
М6
Гайка
В узле: 8
26
70-6709130
Поперечина задняя
В узле: 1
27
70-6709120-01
Рама боковая
В узле: 1
28
70-6702020-03
Основание
В узле: 1
29
М12х110
Болт
В узле: 2
30
70-6702078-Б
Крышка
В узле: 1
31
М12х120
Болт
В узле: 2
Содержащиеся в справочниках-каталогах запасные части и детали не предлагаются к продаже, а носят исключительно информационный характер

Ваша заявка была отправлена. В ближайшее время наши специалисты с Вами свяжутся по указанному Вами телефону.

Представьтесь
Поле обязательно для заполнения
Ваш телефон
Введите правильный номер телефона
E-mail
Введите правильный e-mail
Тема
Тема
применяемость финансирование доставка цена, наличие другое сервис и гарантия
Время для звонка
08:00
08:00 09:00 10:00 11:00 12:00 13:00 14:00 15:00 16:00 17:00 18:00 19:00
19:00
08:00 09:00 10:00 11:00 12:00 13:00 14:00 15:00 16:00 17:00 18:00 19:00

Мы постараемся перезвонить в указанное время

Если вы не хотите ждать, то звоните нашим вежливым консультантам:

8 800 100-2-700
Подтвердите, что вы не робот
Подтвердите, что вы не робот
Спасибо!

Ваше сообщение успешно отправлено!

ЗакрытьПовторить попытку