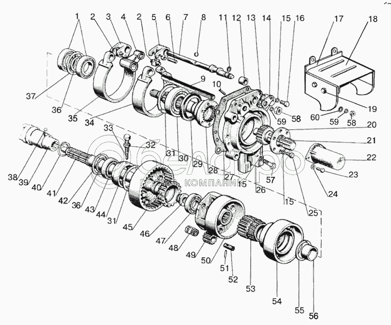
Каталог запасных частей к технике: МТЗ-90/92. Вал отбора мощности задний
85-4202010
1
2
2
3
4
5
6
7
8
9
10
11
12
13
14
15
15
15
16
17
18
19
19
19
19
20
21
21
21
22
23
24
25
26
27
28
29
30
31
31
32
33
34
35
35
36
36
37
38
39
40
41
42
43
44
45
46
47
48
49
50
51
52
53
54
55
56
57
58
58
59
59
60
|
35
85-4202100-01
Лента с накладкой 85-4202057
В узле: 1
|
|||||||||||||||||||||||||||||||||||||||||||||||||||||||||||||||||||||||||||||||||||||||
| 85-4202100-01 Лента МТЗ ВОМ, широкая (56мм), (А) |
|
>10 шт. | 389.38 р. | ||||||||||||||||||||||||||||||||||||||||||||||||||||||||||||||||||||||||||||||||||||
| 85-4202100-01 Лента ВОМ МТЗ широкая (56мм), (У) |
|
Под заказ | Нет на складе | ||||||||||||||||||||||||||||||||||||||||||||||||||||||||||||||||||||||||||||||||||||
| 85-4202100-01 Лента МТЗ ВОМ, широкая (56мм), БЗТДиА |
|
>10 шт. | 3 153.71 р. | ||||||||||||||||||||||||||||||||||||||||||||||||||||||||||||||||||||||||||||||||||||
|
34
85-4202100
Лента с накладкой 85-4202056
В узле: 1
|
|||||||||||||||||||||||||||||||||||||||||||||||||||||||||||||||||||||||||||||||||||||||
| 85-4202100 Лента МТЗ ВОМ без рычага, узкая (34мм), (А) |
|
>10 шт. | 313.33 р. | ||||||||||||||||||||||||||||||||||||||||||||||||||||||||||||||||||||||||||||||||||||
| 85-4202100 Лента МТЗ ВОМ без рычага, узкая (34мм), БЗТДиА |
|
>10 шт. | 2 816.68 р. | ||||||||||||||||||||||||||||||||||||||||||||||||||||||||||||||||||||||||||||||||||||
|
27
50-4202092А
Прокладка
В узле: 1
|
|||||||||||||||||||||||||||||||||||||||||||||||||||||||||||||||||||||||||||||||||||||||
| 50-4202092А Прокладка МТЗ, Беларусь (картон) |
|
Под заказ | Нет на складе | ||||||||||||||||||||||||||||||||||||||||||||||||||||||||||||||||||||||||||||||||||||
| 50-4202092А Прокладка МТЗ, Беларусь |
|
Под заказ | 51.75 р. | ||||||||||||||||||||||||||||||||||||||||||||||||||||||||||||||||||||||||||||||||||||
|
56
70-4202077
Втулка
В узле: 1
|
|||||||||||||||||||||||||||||||||||||||||||||||||||||||||||||||||||||||||||||||||||||||
| 70-4202077 Втулка МТЗ ВОМ, САЗ |
|
>10 шт. | 18.67 р. | ||||||||||||||||||||||||||||||||||||||||||||||||||||||||||||||||||||||||||||||||||||
| 70-4202077 Втулка МТЗ ВОМ, БЗТДиА |
|
<10 шт. | 467.11 р. | ||||||||||||||||||||||||||||||||||||||||||||||||||||||||||||||||||||||||||||||||||||
|
52
70-4202026
Ось
В узле: 3
|
|||||||||||||||||||||||||||||||||||||||||||||||||||||||||||||||||||||||||||||||||||||||
| 70-4202026 Ось МТЗ сателлита, (А) |
|
<10 шт. | 55.73 р. | ||||||||||||||||||||||||||||||||||||||||||||||||||||||||||||||||||||||||||||||||||||
| 70-4202026 Ось МТЗ сателлита, БЗТДиА |
|
>10 шт. | 565.71 р. | ||||||||||||||||||||||||||||||||||||||||||||||||||||||||||||||||||||||||||||||||||||
|
42
2С90
Кольцо
В узле: 1
|
|||||||||||||||||||||||||||||||||||||||||||||||||||||||||||||||||||||||||||||||||||||||
| 2С90 Кольцо (915219) ГОСТ 13941-86, МТЗ |
|
>10 шт. | 105.64 р. | ||||||||||||||||||||||||||||||||||||||||||||||||||||||||||||||||||||||||||||||||||||
|
49
70-4202024
Сателлит
В узле: 3
|
|||||||||||||||||||||||||||||||||||||||||||||||||||||||||||||||||||||||||||||||||||||||
| 70-4202024 Сателлит ВОМ МТЗ z=16 планетарного механизма, МЗШ |
|
>10 шт. | 1 224.71 р. | ||||||||||||||||||||||||||||||||||||||||||||||||||||||||||||||||||||||||||||||||||||
| 70-4202024 Сателлит ВОМ МТЗ z=16 планетарного механизма, (А) |
|
<10 шт. | 129.88 р. | ||||||||||||||||||||||||||||||||||||||||||||||||||||||||||||||||||||||||||||||||||||
|
51
70-4202431
Штифт
В узле: 3
|
|||||||||||||||||||||||||||||||||||||||||||||||||||||||||||||||||||||||||||||||||||||||
| 70-4202431 штифт 4х30 (РБ) |
|
Под заказ | 68.94 р. | ||||||||||||||||||||||||||||||||||||||||||||||||||||||||||||||||||||||||||||||||||||
|
21
80-4202019Б-01
Хвостовик (с 6 шплицами)
В узле: ---
|
|||||||||||||||||||||||||||||||||||||||||||||||||||||||||||||||||||||||||||||||||||||||
| 80-4202019Б-01 Хвостовик ВОМ МТЗ 6 шлицов, БЗТДиА |
|
>10 шт. | 2 288.89 р. | ||||||||||||||||||||||||||||||||||||||||||||||||||||||||||||||||||||||||||||||||||||
| 80-4202019Б-01 Хвостовик ВОМ МТЗ 6 шлицов, (А) |
|
Под заказ | 481.84 р. | ||||||||||||||||||||||||||||||||||||||||||||||||||||||||||||||||||||||||||||||||||||
|
45
70-4202043
Шестерня коронная
В узле: 1
|
|||||||||||||||||||||||||||||||||||||||||||||||||||||||||||||||||||||||||||||||||||||||
| 70-4202043 Шестерня МТЗ коронная, (А) |
|
Под заказ | 1 521.96 р. | ||||||||||||||||||||||||||||||||||||||||||||||||||||||||||||||||||||||||||||||||||||
| 70-4202043 Шестерня МТЗ коронная, БЗТДиА |
|
>10 шт. | 3 581.79 р. | ||||||||||||||||||||||||||||||||||||||||||||||||||||||||||||||||||||||||||||||||||||
|
85-4202020
Крышка
В узле: 1
|
|||||||||||||||||||||||||||||||||||||||||||||||||||||||||||||||||||||||||||||||||||||||
| 85-4202020 Вал МТЗ отбора мощности (крышка) в сборе усиленный (8 шлицов), БЗТДиА |
|
>10 шт. | 44 646.16 р. | ||||||||||||||||||||||||||||||||||||||||||||||||||||||||||||||||||||||||||||||||||||
|
41
70-4202044-Б
Вал
В узле: 1
|
|||||||||||||||||||||||||||||||||||||||||||||||||||||||||||||||||||||||||||||||||||||||
| 70-4202044-Б Вал МТЗ ВОМ, (А) |
|
Под заказ | 1 752.18 р. | ||||||||||||||||||||||||||||||||||||||||||||||||||||||||||||||||||||||||||||||||||||
| 70-4202044-Б Вал МТЗ ВОМ, БЗТДиА |
|
>10 шт. | 5 674.51 р. | ||||||||||||||||||||||||||||||||||||||||||||||||||||||||||||||||||||||||||||||||||||
|
46
70-4202083-А
Гайка
В узле: 1
|
|||||||||||||||||||||||||||||||||||||||||||||||||||||||||||||||||||||||||||||||||||||||
| 70-4202083-А Гайка МТЗ, САЗ* |
|
>10 шт. | 228.51 р. | ||||||||||||||||||||||||||||||||||||||||||||||||||||||||||||||||||||||||||||||||||||
|
53
70-4202032
Шестерня солнечная
В узле: 1
|
|||||||||||||||||||||||||||||||||||||||||||||||||||||||||||||||||||||||||||||||||||||||
| 70-4202032 Шестерня МТЗ солнечная ВОМ z=30, (А) |
|
>10 шт. | 613.34 р. | ||||||||||||||||||||||||||||||||||||||||||||||||||||||||||||||||||||||||||||||||||||
| 70-4202032 Шестерня МТЗ солнечная ВОМ z=30, Беларусь |
|
<10 шт. | 1 425.27 р. | ||||||||||||||||||||||||||||||||||||||||||||||||||||||||||||||||||||||||||||||||||||
|
28
80-4202017-Б
Вал
В узле: 1
|
|||||||||||||||||||||||||||||||||||||||||||||||||||||||||||||||||||||||||||||||||||||||
| 80-4202017-Б Вал МТЗ отбора мощности, БЗТДиА |
|
<10 шт. | 5 482.68 р. | ||||||||||||||||||||||||||||||||||||||||||||||||||||||||||||||||||||||||||||||||||||
| 80-4202017-Б Вал МТЗ отбора мощности, (А) |
|
Под заказ | 1 073.33 р. | ||||||||||||||||||||||||||||||||||||||||||||||||||||||||||||||||||||||||||||||||||||
|
5
85-4202074
Рычаг
В узле: 1
|
|||||||||||||||||||||||||||||||||||||||||||||||||||||||||||||||||||||||||||||||||||||||
| 85-4202074 Рычаг МТЗ, БЗТДиА |
|
>10 шт. | 431.34 р. | ||||||||||||||||||||||||||||||||||||||||||||||||||||||||||||||||||||||||||||||||||||
|
2
50-4202078
Палец
В узле: 2
|
|||||||||||||||||||||||||||||||||||||||||||||||||||||||||||||||||||||||||||||||||||||||
| 50-4202078 Палец МТЗ рычага ленты ВОМ, САЗ |
|
<10 шт. | 156.71 р. | ||||||||||||||||||||||||||||||||||||||||||||||||||||||||||||||||||||||||||||||||||||
|
14
85-4202079
Пластина
В узле: 1
|
|||||||||||||||||||||||||||||||||||||||||||||||||||||||||||||||||||||||||||||||||||||||
| 85-4202079 Пластина МТЗ, БЗТДиА |
|
Под заказ | 213.50 р. | ||||||||||||||||||||||||||||||||||||||||||||||||||||||||||||||||||||||||||||||||||||
|
33
50-4202068
Винт
В узле: 1
|
|||||||||||||||||||||||||||||||||||||||||||||||||||||||||||||||||||||||||||||||||||||||
| 50-4202068 Винт МТЗ установочный |
|
<10 шт. | 171.26 р. | ||||||||||||||||||||||||||||||||||||||||||||||||||||||||||||||||||||||||||||||||||||
|
20
80-4202081-А
Пластина
В узле: ---
|
|||||||||||||||||||||||||||||||||||||||||||||||||||||||||||||||||||||||||||||||||||||||
| 80-4202081 А Пластина МТЗ, БЗТДиА |
|
<10 шт. | 415.08 р. | ||||||||||||||||||||||||||||||||||||||||||||||||||||||||||||||||||||||||||||||||||||
|
3
50-4202074
Рычаг
В узле: 1
|
|||||||||||||||||||||||||||||||||||||||||||||||||||||||||||||||||||||||||||||||||||||||
| 50-4202074 Рычаг МТЗ, БЗТДиА |
|
<10 шт. | 396.66 р. | ||||||||||||||||||||||||||||||||||||||||||||||||||||||||||||||||||||||||||||||||||||
|
4
50-4202058
Кронштейн
В узле: 1
|
|||||||||||||||||||||||||||||||||||||||||||||||||||||||||||||||||||||||||||||||||||||||
| 50-4202058 Кронштейн МТЗ, БЗТДиА |
|
<10 шт. | 272.04 р. | ||||||||||||||||||||||||||||||||||||||||||||||||||||||||||||||||||||||||||||||||||||
|
26
80-4202042-Б
Крышка
В узле: 1
|
|||||||||||||||||||||||||||||||||||||||||||||||||||||||||||||||||||||||||||||||||||||||
| 80-4202042-Б Крышка МТЗ, БЗТДиА |
|
Под заказ | 6 542.60 р. | ||||||||||||||||||||||||||||||||||||||||||||||||||||||||||||||||||||||||||||||||||||
|
7
80-4202076
Вал
В узле: 1
|
|||||||||||||||||||||||||||||||||||||||||||||||||||||||||||||||||||||||||||||||||||||||
| 80-4202076 Ось МТЗ, БЗТДиА |
|
<10 шт. | 3 109.28 р. | ||||||||||||||||||||||||||||||||||||||||||||||||||||||||||||||||||||||||||||||||||||
|
40
А61.03.002
Кольцо
В узле: 1
|
|||||||||||||||||||||||||||||||||||||||||||||||||||||||||||||||||||||||||||||||||||||||
| А61.03.002 Кольцо МТЗ |
|
Под заказ | 21.33 р. | ||||||||||||||||||||||||||||||||||||||||||||||||||||||||||||||||||||||||||||||||||||
|
22
50-4202065-А
Колпак
В узле: ---
|
|||||||||||||||||||||||||||||||||||||||||||||||||||||||||||||||||||||||||||||||||||||||
| 50-4202065 А Колпак МТЗ |
|
Под заказ | 264.85 р. | ||||||||||||||||||||||||||||||||||||||||||||||||||||||||||||||||||||||||||||||||||||
|
11
014-018-25-2-2
Кольцо
В узле: 1
|
|||||||||||||||||||||||||||||||||||||||||||||||||||||||||||||||||||||||||||||||||||||||
| 014-018-25-2-2 Кольцо уплотнительное, Беларусь |
|
<10 шт. | 8.45 р. | ||||||||||||||||||||||||||||||||||||||||||||||||||||||||||||||||||||||||||||||||||||
|
70-4202030-А
Коронная шестерня
В узле: 1
|
|||||||||||||||||||||||||||||||||||||||||||||||||||||||||||||||||||||||||||||||||||||||
| 70-4202030-А Шестерня МТЗ |
|
Под заказ | 20 690.32 р. | ||||||||||||||||||||||||||||||||||||||||||||||||||||||||||||||||||||||||||||||||||||
|
12
80-4202082
Втулка
В узле: 1
|
|||||||||||||||||||||||||||||||||||||||||||||||||||||||||||||||||||||||||||||||||||||||
| 80-4202082 Втулка МТЗ, БЗТДиА |
|
Под заказ | 159.97 р. | ||||||||||||||||||||||||||||||||||||||||||||||||||||||||||||||||||||||||||||||||||||
|
50
85-4202065
Водило
В узле: 1
|
|||||||||||||||||||||||||||||||||||||||||||||||||||||||||||||||||||||||||||||||||||||||
| 85-4202065 Водило МТЗ, БЗТДиА |
|
Под заказ | 4 991.75 р. | ||||||||||||||||||||||||||||||||||||||||||||||||||||||||||||||||||||||||||||||||||||
Содержащиеся в справочниках-каталогах запасные части и детали не предлагаются к продаже, а носят исключительно информационный характер