Каталог запасных частей к технике: МТЗ-90/92. Вал первой передачи и заднего хода

zoom-in zoom-out enlarge shrink circle-right circle-left file-text2 info cart arraw right arraw left zoom out zoom in arraw maximize arraw minimize
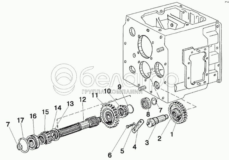
70-1701380
1
2
3
4
5
6
7
7
8
9
10
11
12
13
14
15
16
17
15
50-1701212-А
Шестерня I передачи и заднего хода
В узле: 1
50-1701212-А Шестерня МТЗ КПП, 1-й передачи и заднего хода, z=17, МЗШ >10 шт. 1 593.25 р.
50-1701212-А Шестерня МТЗ КПП, 1-й передачи и заднего хода, z=17, (А) Под заказ 509.83 р.
1
70-1701082
Шестерня заднего хода промежуточная
В узле: 1
70-1701082 Шестерня МТЗ КПП, промежуточная заднего хода, z= 31, МЗШ >10 шт. 2 567.51 р.
70-1701082 Шестерня МТЗ КПП, промежуточная заднего хода, z= 31, (А) Под заказ 659.75 р.
10
70-1701072
Шестерня включения ходоуменьшителя I
В узле: 1
70-1701072 Шестерня МТЗ включения ходоуменьшител,я z=20, МЗШ Под заказ 1 869.14 р.
70-1701072 Шестерня МТЗ включения ходоуменьшител,я z=20, (А) >10 шт. 652.70 р.
12
70-1701382
Вал I передачи и з.х.
В узле: 1
70-1701382 Вал МТЗ Вал 1-й передачи и заднего хода Под заказ 4 236.76 р.
70-1701382 Вал МТЗ Вал 1-й передачи и заднего хода, (А) <10 шт. 1 300.24 р.
13
70-1701226
Шайба
В узле: 1
70-1701226 Шайба МТЗ <10 шт. 105.64 р.
3
50-1701434-А
Ось
В узле: 1
50-1701434-А Ось МТЗ шестерни КПП, (А) Под заказ 387.35 р.
50-1701434-А Ось МТЗ, Беларусь Под заказ 1 104.33 р.
4
50-1702082-А
Планка
В узле: 1
50-1702082-А Планка МТЗ Под заказ 145.95 р.
70-1701380
Вал 1-ой передачи и заднего хода в сборе
В узле: 1
70-1701080
Шестерня с подшипником в сборе
В узле: 1
2
ЗКК 30x35x46 Е
Подшипник
В узле: 1
5
ШП 10
Шайба
В узле: 2
6
М10x25
Болт
В узле: 2
7
Х4М-1701163
Кольцо
В узле: 2
8
208А
Подшипник
В узле: 1
9
2С65
Кольцо
В узле: 1
11
70-1701224
Шестерня привода ходоуменьшителя
В узле: 1
14
2С50
Кольцо
В узле: 1
16
50308А
Подшипник
В узле: 1
17
90
Кольцо
В узле: 1
Содержащиеся в справочниках-каталогах запасные части и детали не предлагаются к продаже, а носят исключительно информационный характер

Ваша заявка была отправлена. В ближайшее время наши специалисты с Вами свяжутся по указанному Вами телефону.

Представьтесь
Поле обязательно для заполнения
Ваш телефон
Введите правильный номер телефона
E-mail
Введите правильный e-mail
Тема
Тема
применяемость финансирование доставка цена, наличие другое сервис и гарантия
Время для звонка
08:00
08:00 09:00 10:00 11:00 12:00 13:00 14:00 15:00 16:00 17:00 18:00 19:00
19:00
08:00 09:00 10:00 11:00 12:00 13:00 14:00 15:00 16:00 17:00 18:00 19:00

Мы постараемся перезвонить в указанное время

Если вы не хотите ждать, то звоните нашим вежливым консультантам:

8 800 100-2-700
Подтвердите, что вы не робот
Подтвердите, что вы не робот
Спасибо!

Ваше сообщение успешно отправлено!

ЗакрытьПовторить попытку