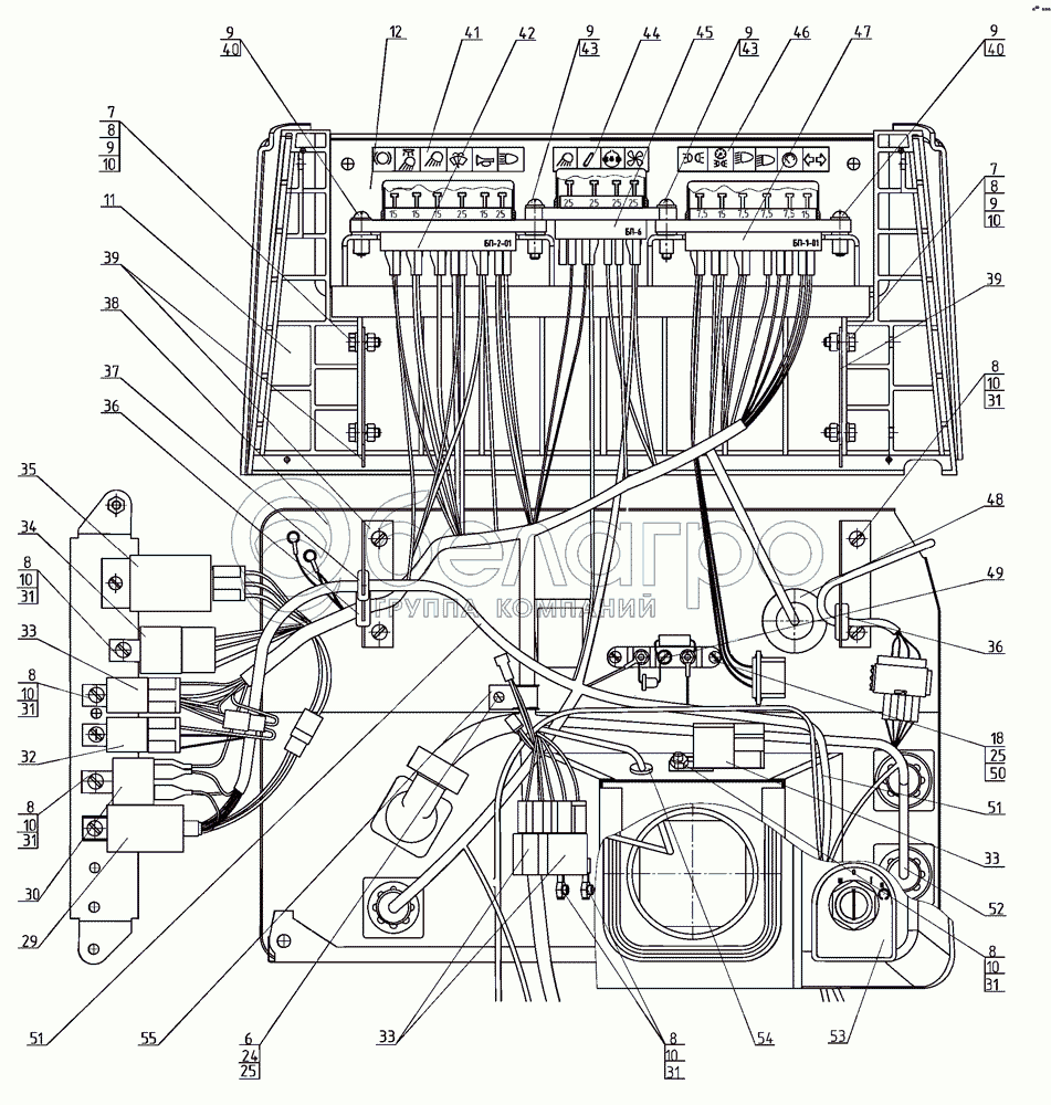
Каталог запасных частей к технике: МТЗ-920.4/952.4. Щиток приборов

zoom-in zoom-out enlarge shrink circle-right circle-left file-text2 info cart arraw right arraw left zoom out zoom in arraw maximize arraw minimize
6
7
7
8
8
8
8
8
8
8
8
9
9
9
9
9
9
10
10
10
10
10
10
10
10
11
12
18
24
25
25
29
30
31
31
31
31
31
31
32
33
33
33
34
35
36
36
37
38
39
39
40
40
41
42
43
43
44
45
46
47
48
49
50
51
51
52
53
54
55
6
80-3805030
Кронштейн
В узле: ---
7
M6-6gx16.88.35.019
Болт
В узле: 4
8
M6-6H.6.019
Гайка
В узле: 18
9
С6.01.019
Шайба
В узле: 10
10
Шайба
В узле: 21
11
826-3805045
Стенка
В узле: 1
12
826-3805061
Крышка
В узле: 1
18
Шайба
В узле: 5
24
В.М5-6gx16.58.019
Винт
В узле: ---
25
М5-6Н.6.019
Гайка ГОСТ 5915-70
В узле: 2
29
3741.10
Блок свечей накаливания
В узле: 1
30
3747.25
Реле стартера
В узле: 1
31
В.М6-6gx12.58.019
Винт
В узле: 13
32
3747.40
Реле на размыкание
В узле: 1
33
3747.50
Реле на замыкание
В узле: 4
34
3747.30
Реле питания приборов
В узле: 1
35
3747.10
Прерыватель указателей поворота
В узле: 1
36
70-3723042-02
Втулка
В узле: 2
37
70-3723042-01
Втулка
В узле: 1
38
80-3805050-03
Основание
В узле: 1
39
80-3805043
Кронштейн
В узле: 2
40
В.М6-6gx25.58.019
Винт
В узле: 2
41
80-3805027-В
Табличка
В узле: 1
42
3722.10
Блок предохранителей
В узле: 1
43
В.М6-6gx40.58.019
Винт
В узле: 2
44
80-3805037-Г
Табличка
В узле: 1
45
3722.15
Блок предохранителей
В узле: 1
46
80-3805026
Табличка
В узле: 1
47
3722.35
Блок предохранителей
В узле: 1
48
80-3723048
Втулка
В узле: 1
49
3741.30
Сопротивление добавочное
В узле: 1
50
В.М5-6gx20.58.019
Винт
В узле: 2
51
826-3724530
Жгут
В узле: 1
52
826.4-3724395-Б
Жгут
В узле: 1
53
826-3805013-01
Табличка
В узле: 1
54
50-4607064
Втулка
В узле: 1
55
80-3723043
Скоба
В узле: 1
Содержащиеся в справочниках-каталогах запасные части и детали не предлагаются к продаже, а носят исключительно информационный характер

Ваша заявка была отправлена. В ближайшее время наши специалисты с Вами свяжутся по указанному Вами телефону.

Представьтесь
Поле обязательно для заполнения
Ваш телефон
Введите правильный номер телефона
E-mail
Введите правильный e-mail
Тема
Тема
применяемость финансирование доставка цена, наличие другое сервис и гарантия
Время для звонка
08:00
08:00 09:00 10:00 11:00 12:00 13:00 14:00 15:00 16:00 17:00 18:00 19:00
19:00
08:00 09:00 10:00 11:00 12:00 13:00 14:00 15:00 16:00 17:00 18:00 19:00

Мы постараемся перезвонить в указанное время

Если вы не хотите ждать, то звоните нашим вежливым консультантам:

8 800 100-2-700
Подтвердите, что вы не робот
Подтвердите, что вы не робот
Спасибо!

Ваше сообщение успешно отправлено!

ЗакрытьПовторить попытку