Каталог запасных частей к технике: МТЗ-922. Форсунка

zoom-in zoom-out enlarge shrink circle-right circle-left file-text2 info cart arraw right arraw left zoom out zoom in arraw maximize arraw minimize
171.1112010-01
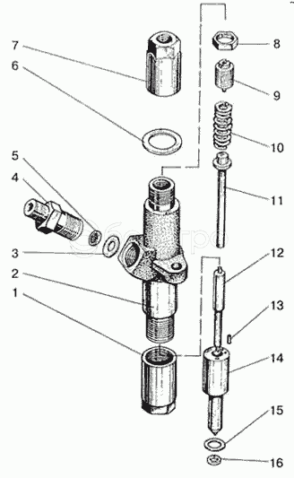
1
2
3
4
5
6
7
8
9
10
11
12
13
14
15
16
245-1111020
Прокладка-экран
В узле: ---
245-1111020 Прокладка-экран форсунки МТЗ, ЗИЛ кольцо уплотнительное, (У) >10 шт. 49.56 р.
171.1112010-01
Форсунка
В узле: ---
171.1112010-01 Форсунка Д-243, Д-245, Д-260 , РФ Под заказ 2 233.92 р.
171.1112110
Распылитель
В узле: ---
1
171.1112124
Гайка
В узле: ---
2
171.1112024
Корпус
В узле: ---
3
6Т2-2023А
Прокладка
В узле: ---
4
171-1112141
Штуцер
В узле: ---
5
6Т2-20С5
Фильтр
В узле: ---
6
171.1112023
Прокладка
В узле: ---
7
171.1112027
Колпак
В узле: ---
8
171.1112125
Контргайка
В узле: ---
9
171.1112135
Винт
В узле: ---
10
171-1112192
Пружина
В узле: ---
11
171.1112134
Штанга
В узле: ---
12
171.1112116
Игла
В узле: ---
13
171.1112137
Штифт
В узле: ---
14
171.1112114
Корпус
В узле: ---
15
245-1111021-А
Обойма
В узле: ---
16
245-1111022-А
Прокладка
В узле: ---
Содержащиеся в справочниках-каталогах запасные части и детали не предлагаются к продаже, а носят исключительно информационный характер

Ваша заявка была отправлена. В ближайшее время наши специалисты с Вами свяжутся по указанному Вами телефону.

Представьтесь
Поле обязательно для заполнения
Ваш телефон
Введите правильный номер телефона
E-mail
Введите правильный e-mail
Тема
Тема
применяемость финансирование доставка цена, наличие другое сервис и гарантия
Время для звонка
08:00
08:00 09:00 10:00 11:00 12:00 13:00 14:00 15:00 16:00 17:00 18:00 19:00
19:00
08:00 09:00 10:00 11:00 12:00 13:00 14:00 15:00 16:00 17:00 18:00 19:00

Мы постараемся перезвонить в указанное время

Если вы не хотите ждать, то звоните нашим вежливым консультантам:

8 800 100-2-700
Подтвердите, что вы не робот
Подтвердите, что вы не робот
Спасибо!

Ваше сообщение успешно отправлено!

ЗакрытьПовторить попытку