Каталог запасных частей к технике: МТЗ-922. Отопитель

zoom-in zoom-out enlarge shrink circle-right circle-left file-text2 info cart arraw right arraw left zoom out zoom in arraw maximize arraw minimize
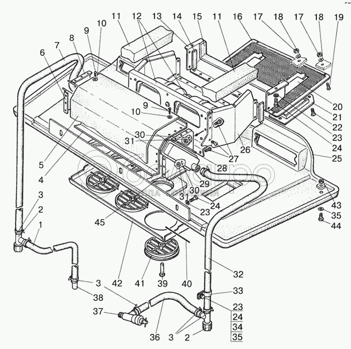
1
2
2
3
3
3
4
5
6
7
8
9
9
10
10
11
11
12
13
14
15
16
17
17
18
18
19
20
21
22
23
23
23
24
24
24
25
26
27
28
29
30
30
31
31
32
33
34
35
35
36
37
38
39
40
41
42
43
44
45
20
80-8100012
Заслонка
В узле: ---
80-8100012 Заслонка МТЗ, Беларусь Под заказ 31.02 р.
38
80-8100023
Штуцер
В узле: ---
80-8100023 Штуцер системы охлаждения МТЗ, САЗ Под заказ 83.52 р.
2
80-8100050
Кран
В узле: ---
80-8100050 Кран МТЗ отопителя Под заказ 350.25 р.
1
1522-8101012-03
Шланг
В узле: ---
3
20-32 Норма
Хомут Норма
В узле: ---
4
1522-8101104
Крышка
В узле: ---
5
1522-8101105
Обивка
В узле: ---
6
1522-8101170
Стенка
В узле: ---
7
1522-8101012-01
Шланг
В узле: ---
8
1522-8101101-01
Косынка
В узле: ---
9
2-4х16
Шуруп
В узле: ---
10
С5
Шайба
В узле: ---
11
1522-8101013-02
Уплотнитель
В узле: ---
12
ИЖСК632546.001
Вентилятор
В узле: ---
13
1522-8101103
Обечайка
В узле: ---
14
1522-8101013-04
Уплотнитель
В узле: ---
15
1522-8101013-03
Уплотнитель
В узле: ---
16
1522-8101160
Накладка
В узле: ---
17
М6
Гайка
В узле: ---
18
ШЧ6
Шайба
В узле: ---
22
ВМ6х25
Винт
В узле: ---
21
1522-8101033
Крышка
В узле: ---
23
ШП8
Шайба
В узле: ---
24
М8х25
Болт
В узле: ---
25
1522-8101110
Панель
В узле: ---
26
1522-8101130
Короб
В узле: ---
27
ВМ5х10
Винт
В узле: ---
28
1522-8101101
Косынка
В узле: ---
29
1522-8101060
Радиатор
В узле: ---
30
ШП5
Шайба
В узле: ---
31
М5
Гайка
В узле: ---
32
1522-8101012
Шланг
В узле: ---
33
220-3723012
Хомутик
В узле: ---
43
М8
Гайка
В узле: ---
35
ШЧ8
Шайба
В узле: ---
36
1522-8101012-02
Шланг
В узле: ---
37
ВС11(КР-29)
Кран
В узле: ---
39
50-8400031
Ось
В узле: ---
40
80-8100014-02
Стержень
В узле: ---
41
150.95.301
Воздухораспределитель
В узле: ---
42
1522-8101029
Панель
В узле: ---
44
М8х35
Болт
В узле: ---
45
1522-8101102
Стенка
В узле: ---
Содержащиеся в справочниках-каталогах запасные части и детали не предлагаются к продаже, а носят исключительно информационный характер

Ваша заявка была отправлена. В ближайшее время наши специалисты с Вами свяжутся по указанному Вами телефону.

Представьтесь
Поле обязательно для заполнения
Ваш телефон
Введите правильный номер телефона
E-mail
Введите правильный e-mail
Тема
Тема
применяемость финансирование доставка цена, наличие другое сервис и гарантия
Время для звонка
08:00
08:00 09:00 10:00 11:00 12:00 13:00 14:00 15:00 16:00 17:00 18:00 19:00
19:00
08:00 09:00 10:00 11:00 12:00 13:00 14:00 15:00 16:00 17:00 18:00 19:00

Мы постараемся перезвонить в указанное время

Если вы не хотите ждать, то звоните нашим вежливым консультантам:

8 800 100-2-700
Подтвердите, что вы не робот
Подтвердите, что вы не робот
Спасибо!

Ваше сообщение успешно отправлено!

ЗакрытьПовторить попытку