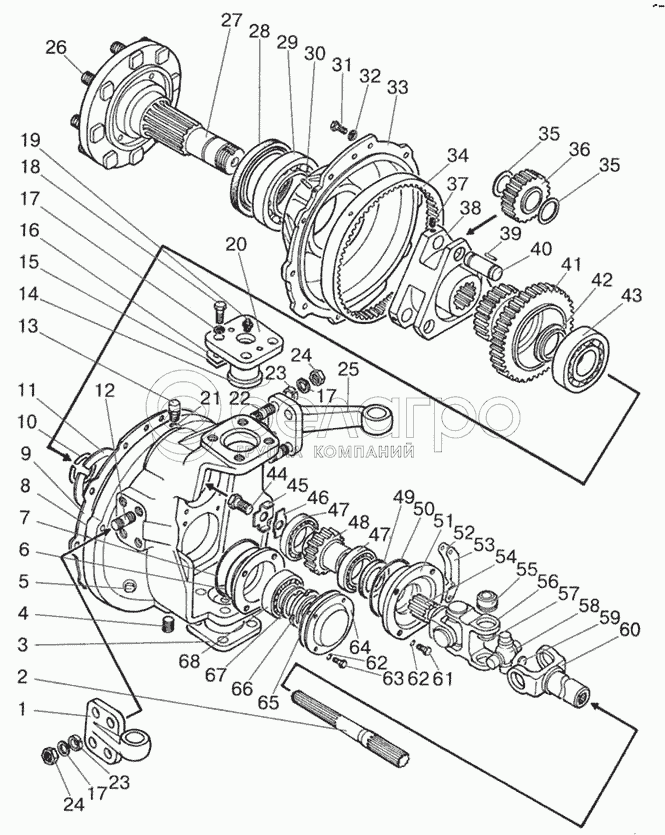
Каталог запасных частей к технике: МТЗ-922. Редуктор конечной передачи переднего ведущего моста
822-2308005-01
822-2308005
1
2
3
4
5
6
7
8
8
9
10
11
12
13
14
15
16
17
17
17
18
19
20
21
22
23
23
24
24
25
25
26
27
28
29
30
31
32
33
34
35
35
36
37
38
39
40
41
42
43
44
45
46
47
47
48
49
50
51
52
53
54
55
56
57
57
57
57
58
59
60
60
61
62
62
63
64
65
66
67
68
|
26
40-3103016
Болт
В узле: ---
|
|||||||||||||||||||||||||||||||||||||||||||||||||||||||||||||||||||||||||||||||||||||||
| 40-3103016 Болт переднего колеса (МТЗ-ЮМЗ) (А) |
|
>10 шт. | 46.12 р. | ||||||||||||||||||||||||||||||||||||||||||||||||||||||||||||||||||||||||||||||||||||
| 40-3103016 Болт переднего колеса МТЗ, ЮМЗ |
|
Под заказ | 132.50 р. | ||||||||||||||||||||||||||||||||||||||||||||||||||||||||||||||||||||||||||||||||||||
|
1520-2308024-20
Шарнир сдвоенный
В узле: ---
|
|||||||||||||||||||||||||||||||||||||||||||||||||||||||||||||||||||||||||||||||||||||||
| 1520-2308024-20 Шарнир МТЗ редуктора конечной передачи, сдвоенный, в сборе SPILE |
|
>10 шт. | 7 051.87 р. | ||||||||||||||||||||||||||||||||||||||||||||||||||||||||||||||||||||||||||||||||||||
|
66
80-1701045
Гайка
В узле: ---
|
|||||||||||||||||||||||||||||||||||||||||||||||||||||||||||||||||||||||||||||||||||||||
| 80-1701045 Гайка МТЗ, БЗТДиА |
|
>10 шт. | 999.12 р. | ||||||||||||||||||||||||||||||||||||||||||||||||||||||||||||||||||||||||||||||||||||
|
23
1520-2308077
Втулка
В узле: ---
|
|||||||||||||||||||||||||||||||||||||||||||||||||||||||||||||||||||||||||||||||||||||||
| 1520-2308077 Втулка МТЗ |
|
>10 шт. | 279.94 р. | ||||||||||||||||||||||||||||||||||||||||||||||||||||||||||||||||||||||||||||||||||||
|
1521-2308020
Крышка
В узле: ---
|
|||||||||||||||||||||||||||||||||||||||||||||||||||||||||||||||||||||||||||||||||||||||
| 1521-2308020 Крышка МТЗ, МЗШ |
|
>10 шт. | 18 649.29 р. | ||||||||||||||||||||||||||||||||||||||||||||||||||||||||||||||||||||||||||||||||||||
|
16
1520-2308042-01
Прокладка регулировочная
В узле: ---
|
|||||||||||||||||||||||||||||||||||||||||||||||||||||||||||||||||||||||||||||||||||||||
| 1520-2308042-01 Прокладка МТЗ регулировочная редуктора конечной передачи переднего моста, 0,5мм |
|
Под заказ | 113.13 р. | ||||||||||||||||||||||||||||||||||||||||||||||||||||||||||||||||||||||||||||||||||||
|
20
1520-2308037
Ось
В узле: ---
|
|||||||||||||||||||||||||||||||||||||||||||||||||||||||||||||||||||||||||||||||||||||||
| 1520-2308037 Ось МТЗ, Беларусь |
|
Под заказ | 2 010.47 р. | ||||||||||||||||||||||||||||||||||||||||||||||||||||||||||||||||||||||||||||||||||||
| 1520-2308037 Ось МТЗ, ВЗТЗЧ |
|
<10 шт. | 2 921.49 р. | ||||||||||||||||||||||||||||||||||||||||||||||||||||||||||||||||||||||||||||||||||||
|
1521-2308030
Водило в сборе
В узле: ---
|
|||||||||||||||||||||||||||||||||||||||||||||||||||||||||||||||||||||||||||||||||||||||
| 1521-2308030 Водило МТЗ переднего моста, МЗШ |
|
>10 шт. | 23 607.78 р. | ||||||||||||||||||||||||||||||||||||||||||||||||||||||||||||||||||||||||||||||||||||
|
1521-2308070
Фланец
В узле: ---
|
|||||||||||||||||||||||||||||||||||||||||||||||||||||||||||||||||||||||||||||||||||||||
| 1521-2308070 Фланец МТЗ редуктора конечной передачи моста переднего, SPILE |
|
Под заказ | 5 227.38 р. | ||||||||||||||||||||||||||||||||||||||||||||||||||||||||||||||||||||||||||||||||||||
| 1521-2308070 Фланец МТЗ редуктора конечной передачи моста переднего, МЗШ |
|
>10 шт. | 18 417.17 р. | ||||||||||||||||||||||||||||||||||||||||||||||||||||||||||||||||||||||||||||||||||||
|
3
1520-2308037-01
Ось
В узле: ---
|
|||||||||||||||||||||||||||||||||||||||||||||||||||||||||||||||||||||||||||||||||||||||
| 1520-2308037-01 Ось МТЗ левая нижняя, Беларусь |
|
Под заказ | 2 010.47 р. | ||||||||||||||||||||||||||||||||||||||||||||||||||||||||||||||||||||||||||||||||||||
| 1520-2308037-01 Ось МТЗ левая нижняя, ВЗТЗЧ |
|
<10 шт. | 3 042.11 р. | ||||||||||||||||||||||||||||||||||||||||||||||||||||||||||||||||||||||||||||||||||||
|
15
1520-2308042
Прокладка регулировочная
В узле: ---
|
|||||||||||||||||||||||||||||||||||||||||||||||||||||||||||||||||||||||||||||||||||||||
| 1520-2308042 Прокладка МТЗ регулировочная редуктора конечной передачи, 0,2мм |
|
Под заказ | 28.16 р. | ||||||||||||||||||||||||||||||||||||||||||||||||||||||||||||||||||||||||||||||||||||
|
12
1520-2308079-02
Шайба
В узле: ---
|
|||||||||||||||||||||||||||||||||||||||||||||||||||||||||||||||||||||||||||||||||||||||
| 1520-2308079-02 Шпилька МТЗ корпуса конечной передачи переднего моста, 80 мм |
|
<10 шт. | 350.69 р. | ||||||||||||||||||||||||||||||||||||||||||||||||||||||||||||||||||||||||||||||||||||
|
67
80-1701056
Шайба
В узле: ---
|
|||||||||||||||||||||||||||||||||||||||||||||||||||||||||||||||||||||||||||||||||||||||
| 80-1701056 Шайба МТЗ валов КПП |
|
Под заказ | 244.32 р. | ||||||||||||||||||||||||||||||||||||||||||||||||||||||||||||||||||||||||||||||||||||
|
9
1520-2308034
Прокладка
В узле: ---
|
|||||||||||||||||||||||||||||||||||||||||||||||||||||||||||||||||||||||||||||||||||||||
| 1520-2308034 Прокладка переднего моста (паронит 0,8 мм) |
|
<10 шт. | 130.15 р. | ||||||||||||||||||||||||||||||||||||||||||||||||||||||||||||||||||||||||||||||||||||
|
27
1521-2308017
Фланец
В узле: ---
|
|||||||||||||||||||||||||||||||||||||||||||||||||||||||||||||||||||||||||||||||||||||||
| 1521-2308017 Фланец МТЗ редуктора конечной передачи моста переднего, SPILE |
|
Под заказ | 4 172.14 р. | ||||||||||||||||||||||||||||||||||||||||||||||||||||||||||||||||||||||||||||||||||||
| 1521-2308017 Фланец МТЗ редуктора конечной передачи моста переднего |
|
Под заказ | 14 600.31 р. | ||||||||||||||||||||||||||||||||||||||||||||||||||||||||||||||||||||||||||||||||||||
|
53
1520-2308021-01
Прокладка регулировочная
В узле: ---
|
|||||||||||||||||||||||||||||||||||||||||||||||||||||||||||||||||||||||||||||||||||||||
| 1520-2308021-01 Прокладка МТЗ регулировочная редуктора конечной передачи |
|
Под заказ | 22.09 р. | ||||||||||||||||||||||||||||||||||||||||||||||||||||||||||||||||||||||||||||||||||||
|
1
1021-2308076
Кронштейн левый
В узле: ---
|
|||||||||||||||||||||||||||||||||||||||||||||||||||||||||||||||||||||||||||||||||||||||
| 1021-2308076 Кронштейн МТЗ моста переднего, ВЗТЗЧ |
|
<10 шт. | 3 082.32 р. | ||||||||||||||||||||||||||||||||||||||||||||||||||||||||||||||||||||||||||||||||||||
|
25
822-2308075
Рычаг правый
В узле: ---
|
|||||||||||||||||||||||||||||||||||||||||||||||||||||||||||||||||||||||||||||||||||||||
| 822-2308075 Рычаг правый МТЗ, ВЗТЗЧ |
|
<10 шт. | 3 933.30 р. | ||||||||||||||||||||||||||||||||||||||||||||||||||||||||||||||||||||||||||||||||||||
|
64
1520-2308004
Крышка
В узле: ---
|
|||||||||||||||||||||||||||||||||||||||||||||||||||||||||||||||||||||||||||||||||||||||
| 1520-2308004 Крышка МТЗ редуктора конечной передачи ПВМ |
|
Под заказ | 586.56 р. | ||||||||||||||||||||||||||||||||||||||||||||||||||||||||||||||||||||||||||||||||||||
|
25
822-2308074
Рычаг левый
В узле: ---
|
|||||||||||||||||||||||||||||||||||||||||||||||||||||||||||||||||||||||||||||||||||||||
| 822-2308074 Рычаг левый МТЗ, ВЗТЗЧ |
|
<10 шт. | 3 933.30 р. | ||||||||||||||||||||||||||||||||||||||||||||||||||||||||||||||||||||||||||||||||||||
|
36
1520-2308059
Сателлит
В узле: ---
|
|||||||||||||||||||||||||||||||||||||||||||||||||||||||||||||||||||||||||||||||||||||||
| 1520-2308059 Сателлит МТЗ редуктора конечной передачи, Z=23, (А) |
|
<10 шт. | 612.20 р. | ||||||||||||||||||||||||||||||||||||||||||||||||||||||||||||||||||||||||||||||||||||
| 1520-2308059 Сателлит МТЗ редуктора конечной передачи, Z=23, МЗШ |
|
Под заказ | 5 549.82 р. | ||||||||||||||||||||||||||||||||||||||||||||||||||||||||||||||||||||||||||||||||||||
|
2
822-2308065
Вал
В узле: ---
|
|||||||||||||||||||||||||||||||||||||||||||||||||||||||||||||||||||||||||||||||||||||||
| 822-2308065 Вал МТЗ редуктора конечной передачи ПВМ (L=230мм) SPILE |
|
Под заказ | 641.70 р. | ||||||||||||||||||||||||||||||||||||||||||||||||||||||||||||||||||||||||||||||||||||
| 822-2308065 Вал МТЗ редуктора конечной передачи ПВМ (L=230мм)* |
|
Под заказ | 3 826.86 р. | ||||||||||||||||||||||||||||||||||||||||||||||||||||||||||||||||||||||||||||||||||||
|
52
1520-2308021
Прокладка регулировочная
В узле: ---
|
|||||||||||||||||||||||||||||||||||||||||||||||||||||||||||||||||||||||||||||||||||||||
| 1520-2308021 Прокладка МТЗ регулировочная редуктора конечной передачи |
|
<10 шт. | 23.62 р. | ||||||||||||||||||||||||||||||||||||||||||||||||||||||||||||||||||||||||||||||||||||
|
42
1520-2308038
Кольцо
В узле: ---
|
|||||||||||||||||||||||||||||||||||||||||||||||||||||||||||||||||||||||||||||||||||||||
| 1520-2308038 Кольцо МТЗ |
|
Под заказ | 880.23 р. | ||||||||||||||||||||||||||||||||||||||||||||||||||||||||||||||||||||||||||||||||||||
|
44
1521-2308012
Болт
В узле: ---
|
|||||||||||||||||||||||||||||||||||||||||||||||||||||||||||||||||||||||||||||||||||||||
| 1521-2308012 Болт МТЗ |
|
Под заказ | 253.25 р. | ||||||||||||||||||||||||||||||||||||||||||||||||||||||||||||||||||||||||||||||||||||
|
46
1521-2308013
Шайба
В узле: ---
|
|||||||||||||||||||||||||||||||||||||||||||||||||||||||||||||||||||||||||||||||||||||||
| 1521-2308013 Шайба МТЗ редуктора конечной передачи |
|
Под заказ | 323.56 р. | ||||||||||||||||||||||||||||||||||||||||||||||||||||||||||||||||||||||||||||||||||||
|
41
1520-2308062-01
Блок шестерен
В узле: ---
|
|||||||||||||||||||||||||||||||||||||||||||||||||||||||||||||||||||||||||||||||||||||||
| 1520-2308062-01 Блок шестерен МТЗ редуктора коечной передачи, z=39, МЗШ |
|
Под заказ | 27 175.67 р. | ||||||||||||||||||||||||||||||||||||||||||||||||||||||||||||||||||||||||||||||||||||
|
34
1520-2308064
Шестерня
В узле: ---
|
|||||||||||||||||||||||||||||||||||||||||||||||||||||||||||||||||||||||||||||||||||||||
| 1520-2308064 Шестерня МТЗ переднего моста, z=74, МЗШ |
|
<10 шт. | 10 855.97 р. | ||||||||||||||||||||||||||||||||||||||||||||||||||||||||||||||||||||||||||||||||||||
|
51
1520-2308035
Стакан
В узле: ---
|
|||||||||||||||||||||||||||||||||||||||||||||||||||||||||||||||||||||||||||||||||||||||
| 1520-2308035 Стакан МТЗ подшипников конечной передачи |
|
Под заказ | 3 673.37 р. | ||||||||||||||||||||||||||||||||||||||||||||||||||||||||||||||||||||||||||||||||||||
|
45
1521-2308031
Пластина стопорная
В узле: ---
|
|||||||||||||||||||||||||||||||||||||||||||||||||||||||||||||||||||||||||||||||||||||||
| 1521-2308031 Пластина МТЗ стопорная редуктора конечной передачи |
|
Под заказ | 163.76 р. | ||||||||||||||||||||||||||||||||||||||||||||||||||||||||||||||||||||||||||||||||||||
|
8
1520-2308015
Корпус
В узле: ---
|
|||||||||||||||||||||||||||||||||||||||||||||||||||||||||||||||||||||||||||||||||||||||
| 1520-2308015 Корпус МТЗ, Беларусь |
|
Под заказ | 23 250.60 р. | ||||||||||||||||||||||||||||||||||||||||||||||||||||||||||||||||||||||||||||||||||||
|
40
1520-2308053
Ось
В узле: ---
|
|||||||||||||||||||||||||||||||||||||||||||||||||||||||||||||||||||||||||||||||||||||||
| 1520-2308053 Ось МТЗ |
|
<10 шт. | 503.80 р. | ||||||||||||||||||||||||||||||||||||||||||||||||||||||||||||||||||||||||||||||||||||
|
48
1525-2308061-01
Шестерня
В узле: ---
|
|||||||||||||||||||||||||||||||||||||||||||||||||||||||||||||||||||||||||||||||||||||||
| 1525-2308061-01 Шестерня, МЗШ |
|
Под заказ | 7 003.47 р. | ||||||||||||||||||||||||||||||||||||||||||||||||||||||||||||||||||||||||||||||||||||
|
6
1520-2308002
Стакан
В узле: ---
|
|||||||||||||||||||||||||||||||||||||||||||||||||||||||||||||||||||||||||||||||||||||||
| 1520-2308002 Стакан МТЗ |
|
Под заказ | 4 514.28 р. | ||||||||||||||||||||||||||||||||||||||||||||||||||||||||||||||||||||||||||||||||||||
|
65
1520-2308003
Прокладка
В узле: ---
|
|||||||||||||||||||||||||||||||||||||||||||||||||||||||||||||||||||||||||||||||||||||||
| 1520-2308003 Прокладка МТЗ |
|
Под заказ | 10.05 р. | ||||||||||||||||||||||||||||||||||||||||||||||||||||||||||||||||||||||||||||||||||||
|
37
1520-2308011
Винт
В узле: ---
|
|||||||||||||||||||||||||||||||||||||||||||||||||||||||||||||||||||||||||||||||||||||||
| 1520-2308011 Винт МТЗ |
|
Под заказ | 122.12 р. | ||||||||||||||||||||||||||||||||||||||||||||||||||||||||||||||||||||||||||||||||||||
|
35
1520-2308054
Шайба
В узле: ---
|
|||||||||||||||||||||||||||||||||||||||||||||||||||||||||||||||||||||||||||||||||||||||
| 1520-2308054 Шайба МТЗ редуктора конечной передачи |
|
Под заказ | 129.49 р. | ||||||||||||||||||||||||||||||||||||||||||||||||||||||||||||||||||||||||||||||||||||
Содержащиеся в справочниках-каталогах запасные части и детали не предлагаются к продаже, а носят исключительно информационный характер