Каталог запасных частей к технике: МТЗ-922. Регулятор топливного насоса

zoom-in zoom-out enlarge shrink circle-right circle-left file-text2 info cart arraw right arraw left zoom out zoom in arraw maximize arraw minimize
4УТНМ-Т-1110010-01
4УТНМ-1110010-40
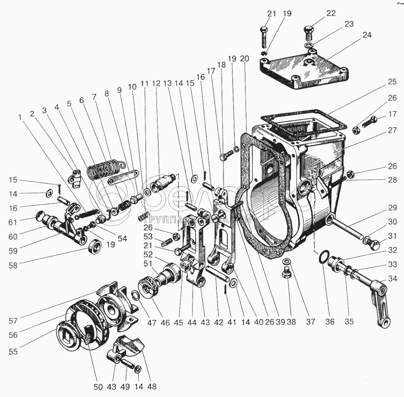
1
2
3
4
5
6
7
8
9
10
11
12
13
14
14
14
14
15
15
16
16
17
17
18
18
19
19
19
20
21
21
22
23
24
25
26
26
26
26
27
27
28
29
30
31
32
32
33
34
35
36
37
38
39
40
41
42
43
43
44
44
45
46
47
47
48
49
50
51
52
53
54
55
56
57
58
59
60
61
УТН-5-1110240-И
Ступица в сборе
В узле: ---
УТН5-1110240-И Ступица МТЗ,ЗИЛ грузов с грузами, РФ <10 шт. 7 577.30 р.
4УТНМ-Т-1110010-01
Регулятор в сборе
В узле: ---
4УТНМ-1110010-40
Регулятор
В узле: ---
УТН-5-1110160-Е
Груз со втулкой в сборе
В узле: ---
УТН-5-1110230-В3
Корректор в сборе
В узле: ---
1
УТН-5-1110193
Пружина
В узле: ---
2
УТН-3-1110171-Г
Серьга
В узле: ---
3
УТН-5-1110235-Б2
Винт
В узле: ---
4
УТН-5-1110237
Скоба
В узле: ---
5
УТН-5-1110238-А1
Тарелка
В узле: ---
6
УТН-5-1110234-Д
Пружина
В узле: ---
7
УТН-5-1110187-Д
Пружина
В узле: ---
8
4УТНМ-1110304
Тяга
В узле: ---
9
УТН-5-1110233-Б2
Шток
В узле: ---
10
4УТНМ-1110446
Пружина
В узле: ---
11
УТН-5-1110232
Прокладка
В узле: ---
12
УТН-5-1110231-Б
Корпус
В узле: ---
13
УТН-5-1110403
Палец
В узле: ---
14
УТН-5-1110242-Б
Шайба
В узле: ---
15
2х10
Шплинт
В узле: ---
16
ОНМ-087
Палец
В узле: ---
17
М6х25
Винт
В узле: ---
18
УТН-5-1110274-А4
Рычаг основной
В узле: ---
18
УТНМ-Т-1110274-11
Рычаг основной
В узле: ---
19
ШП6
Шайба
В узле: ---
20
УТН-5-1110303-01
Прокладка
В узле: ---
21
М6х20
Винт
В узле: ---
22
УТН-5-1110402
Пробка
В узле: ---
23
16-006
Прокладка
В узле: ---
24
4УТНМ-1110301
Крышка
В узле: ---
25
УТН-5-1110302-А
Прокладка
В узле: ---
26
М6
Гайка
В узле: ---
27
4УТНМ-1110025-30
Корпус регулятора
В узле: ---
27
4УТНМ-Т-1110020-20
Корпус
В узле: ---
28
УТН-5-1110401-Б3
Винт
В узле: ---
29
4УТНМ-1110365
Ось рычагов
В узле: ---
30
Д40-1110386-А
Прокладка
В узле: ---
31
УТН-5-1110409
Заглушка
В узле: ---
32
УТН-5-1110320-В
Втулка с сальником и обоймой в сборе
В узле: ---
32
УТН-5-1110321-Б1
Втулка
В узле: ---
33
УТН-5-1110323-Б
Обойма
В узле: ---
34
УТН-5-1110308-Д
Рычаг управления
В узле: ---
35
17-004-А
Сальник
В узле: ---
36
16-240
Кольцо уплотнительное
В узле: ---
37
ОНМ-086-1
Прокладка
В узле: ---
38
ОНМ-019-2
Болт
В узле: ---
39
УТН-3-1110026
Упор
В узле: ---
40
ОНМ-170
Втулка
В узле: ---
41
2х16
Шплинт
В узле: ---
42
УТН-5-1110191
Ось ролика
В узле: ---
43
УТН-5-1110166
Втулка
В узле: ---
44
УТН-5-1110200-8
Рычаг (43, 44)
В узле: ---
44
УТН-5-1110195-К
Рычаг
В узле: ---
45
УТН-5-1110153-Г2
Пята
В узле: ---
46
8202У
Подшипник
В узле: ---
47
УТН-3-1110311
Кольцо
В узле: ---
47
УТН-3-1110311-Б
Кольцо
В узле: ---
48
УТН-5-1110165-Е
Груз
В узле: ---
49
УТН-5-1110241
Ось грузов
В узле: ---
50
236-1110517-62
Сухарь
В узле: ---
51
УТН-3-1110145
Втулка
В узле: ---
52
УТН-3-1110144-Б1
Муфта
В узле: ---
53
УТН-5-1110196-А
Шпилька
В узле: ---
54
М6х12
Винт
В узле: ---
55
УТН-5-1110251-Г2
Шайба
В узле: ---
56
8110
Шарикоподшипник ГОСТ 6874-75
В узле: ---
57
УТН-5-1110132-М3
Ступица
В узле: ---
58
УТН-5-1110281-Б
Втулка
В узле: ---
59
УТН-5-1110155-Г5
Рычаг
В узле: ---
60
4УТНМ-1110021-Е
Втулка
В узле: ---
61
17-071
Заглушка
В узле: ---
Содержащиеся в справочниках-каталогах запасные части и детали не предлагаются к продаже, а носят исключительно информационный характер

Ваша заявка была отправлена. В ближайшее время наши специалисты с Вами свяжутся по указанному Вами телефону.

Представьтесь
Поле обязательно для заполнения
Ваш телефон
Введите правильный номер телефона
E-mail
Введите правильный e-mail
Тема
Тема
применяемость финансирование доставка цена, наличие другое сервис и гарантия
Время для звонка
08:00
08:00 09:00 10:00 11:00 12:00 13:00 14:00 15:00 16:00 17:00 18:00 19:00
19:00
08:00 09:00 10:00 11:00 12:00 13:00 14:00 15:00 16:00 17:00 18:00 19:00

Мы постараемся перезвонить в указанное время

Если вы не хотите ждать, то звоните нашим вежливым консультантам:

8 800 100-2-700
Подтвердите, что вы не робот
Подтвердите, что вы не робот
Спасибо!

Ваше сообщение успешно отправлено!

ЗакрытьПовторить попытку