Каталог запасных частей к технике: МТЗ-922. Управление подачей топлива

zoom-in zoom-out enlarge shrink circle-right circle-left file-text2 info cart arraw right arraw left zoom out zoom in arraw maximize arraw minimize
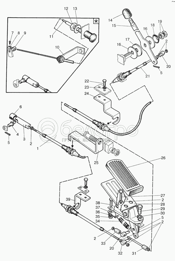
1
2
2
2
2
2
3
4
5
5
5
6
7
8
9
10
11
12
13
14
15
16
16
17
18
19
20
20
21
22
23
24
25
26
27
28
29
30
31
32
33
34
35
36
37
38
39
26
А13.36.001
Чехол
В узле: ---
А13.36.001 Накладка МТЗ на педаль газа, Беларусь Под заказ 225.82 р.
34
70-4803019
Пружина
В узле: ---
70-4803019 Пружина МТЗ, Беларусь Под заказ 71.71 р.
16
80-1108028
Шайба
В узле: ---
80-1108028 Шайба МТЗ механизма управления >10 шт. 36.17 р.
18
80В-1108347
Пружина тарельчатая
В узле: ---
80В-1108347 Пружина тарельчатая системы питания МТЗ <10 шт. 45.71 р.
20
80В-1108317
Бонка
В узле: ---
80В-1108317 Бонка МТЗ Под заказ 337.79 р.
8
70-1310441
Фиксатор
В узле: ---
70-1310441 Фиксатор МТЗ, САЗ Под заказ 80.17 р.
1
80В-1108300-02
Трос
В узле: ---
2
М6
Гайка
В узле: ---
3
600-1108032
Ось
В узле: ---
4
600-1108031
Шарнир
В узле: ---
5
3,2х18
Шплинт
В узле: ---
6
600-1108033
Скоба
В узле: ---
7
В1М4х10
Винт
В узле: ---
9
70-1108317-01
Бонка
В узле: ---
10
80-1108026
Кронштейн
В узле: ---
11
80-1108630-01
Трос
В узле: ---
12
М12х1,25
Гайка
В узле: ---
13
ШЧ12
Шайба
В узле: ---
14
А13.11.000-01
Рукоятка
В узле: ---
15
1522-1108350
Рукоятка
В узле: ---
17
80-1108178
Шайба фрикционная
В узле: ---
19
М14х1,5
Гайка
В узле: ---
21
80В-1108300-01
Трос
В узле: ---
22
М6х16
Винт
В узле: ---
23
ШП6
Шайба
В узле: ---
24
923-1108501
Кронштейн
В узле: ---
25
821-1108053
Кронштейн
В узле: ---
27
М6х30
Болт
В узле: ---
28
80В-1108510
Педаль
В узле: ---
29
М10х25
Болт
В узле: ---
30
ШП10
Шайба
В узле: ---
31
75-1108310
Серьга
В узле: ---
32
600-1108017
Бонка
В узле: ---
33
75-1108333
Муфта
В узле: ---
35
М8
Гайка
В узле: ---
36
ШП8
Шайба
В узле: ---
37
806-1108341
Пластина
В узле: ---
38
М8х25
Болт
В узле: ---
39
821-1108504
Кронштейн
В узле: ---
Содержащиеся в справочниках-каталогах запасные части и детали не предлагаются к продаже, а носят исключительно информационный характер

Ваша заявка была отправлена. В ближайшее время наши специалисты с Вами свяжутся по указанному Вами телефону.

Представьтесь
Поле обязательно для заполнения
Ваш телефон
Введите правильный номер телефона
E-mail
Введите правильный e-mail
Тема
Тема
применяемость финансирование доставка цена, наличие другое сервис и гарантия
Время для звонка
08:00
08:00 09:00 10:00 11:00 12:00 13:00 14:00 15:00 16:00 17:00 18:00 19:00
19:00
08:00 09:00 10:00 11:00 12:00 13:00 14:00 15:00 16:00 17:00 18:00 19:00

Мы постараемся перезвонить в указанное время

Если вы не хотите ждать, то звоните нашим вежливым консультантам:

8 800 100-2-700
Подтвердите, что вы не робот
Подтвердите, что вы не робот
Спасибо!

Ваше сообщение успешно отправлено!

ЗакрытьПовторить попытку