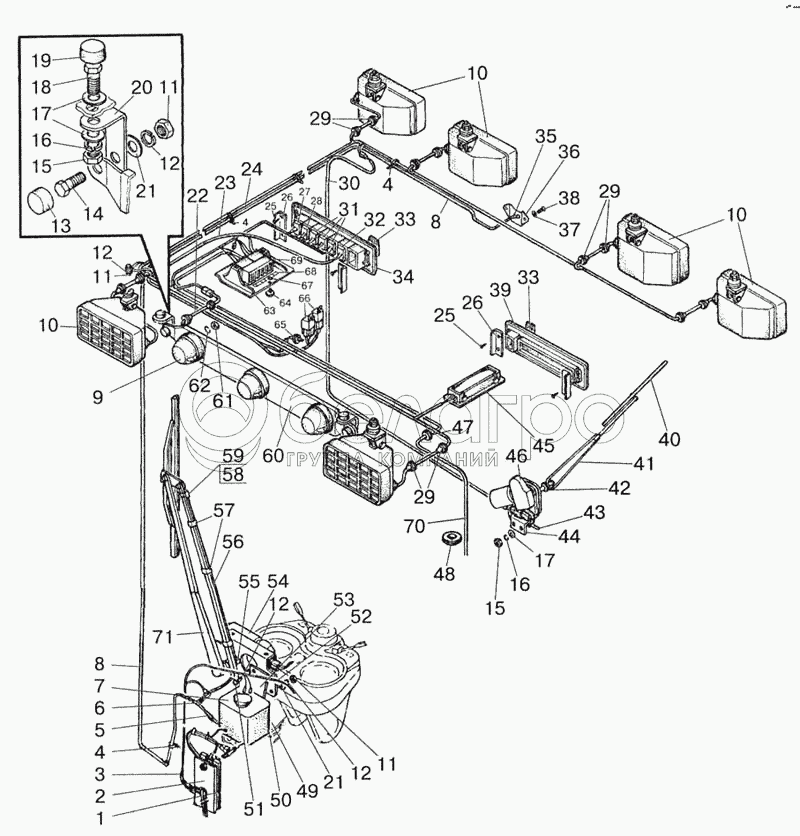
Каталог запасных частей к технике: МТЗ-923. Электрооборудование по кабине. Установка фар рабочих

zoom-in zoom-out enlarge shrink circle-right circle-left file-text2 info cart arraw right arraw left zoom out zoom in arraw maximize arraw minimize
1
2
3
4
4
4
5
6
7
8
8
9
10
10
10
11
11
11
12
12
12
12
13
14
15
15
16
16
17
17
18
19
20
21
21
22
23
24
25
25
26
26
27
28
29
29
29
30
31
32
33
33
34
35
36
37
38
39
40
40
41
41
42
43
44
45
46
47
48
49
50
51
52
53
54
55
56
57
58
59
60
61
62
63
64
65
66
67
68
69
70
71
71
71
787.000.030
Рычаг со щеткой
В узле: ---
787.000.030 Рычаг стеклоочистителя МТЗ, Амкодор со щеткой, (А) >10 шт. 928.77 р.
19
А30.04.017-01
Колпачок
В узле: ---
А30.04.017-01 Колпачок МТЗ, Беларусь >10 шт. 4.61 р.
32
П147М-04.11
Переключатель Сhаngе-оvеr switсh
В узле: ---
П147М-04.11 Переключатель МТЗ отопителя, (А) >10 шт. 60.16 р.
13
А30.04.017
Колпачок
В узле: ---
А30.04.017 Колпачок Под заказ 4.61 р.
66
90.3747
Реле
В узле: ---
90.3747 Реле МТЗ 12 В, (А) >10 шт. 84.46 р.
90.3747 Реле МТЗ 12 В <10 шт. 121.93 р.
69
БП-4
Блок предохранителей
В узле: ---
БП-4 Блок МТЗ предохранительный, (А) Под заказ 228.09 р.
БП-4 Блок МТЗ предохранительный, Беларусь Под заказ 346.85 р.
60
80-3738001
Кронштейн
В узле: ---
80-3738001 Кронштейн МТЗ знака автопоезда под фонарь ФА-1 Под заказ 503.47 р.
10
8724.304/301
Фара
В узле: ---
8724.304/301 Фара МТЗ прямоугольная, пластик, поворотн. крепл., Беларусь Под заказ 1 271.28 р.
33
80-3801327
Заглушка
В узле: ---
80-3801327 Заглушка МТЗ Под заказ 86.42 р.
64
80-3805065
Винт
В узле: ---
80-3805065 Винт МТЗ, Беларусь <10 шт. 23.03 р.
46
475.3730
Моторедуктор
В узле: ---
475.3730 Моторедуктор стеклоочистителя МТЗ задний, РФ Под заказ 7 148.44 р.
ВМ6х12
Винт
В узле: ---
М4
Гайка
В узле: ---
ШП4
Шайба
В узле: ---
1
923-3712016
Прокладка
В узле: ---
2
923-3712017
Кронштейн
В узле: ---
52
923-3724130
Жгут
В узле: ---
4
80-3723045
Манжета
В узле: ---
5
АДЮИ723.111.001-19
Трубка
В узле: ---
6
АДЮИ752261.001-01
Распределитель
В узле: ---
7
122.5208000
Омыватель
В узле: ---
8
АДЮИ723.111.001.18
Трубка
В узле: ---
9
УП101-П
Фонарь
В узле: ---
11
М6
Гайка
В узле: ---
12
ШП6
Шайба
В узле: ---
14
М6х16
Винт
В узле: ---
15
М8
Гайка
В узле: ---
16
ШП8
Шайба
В узле: ---
17
ШЧ6
Шайба
В узле: ---
18
М8х20
Болт
В узле: ---
20
90-8402071-01
Кронштейн
В узле: ---
21
ШЧ8
Шайба
В узле: ---
22
923-3724233
Жгут
В узле: ---
23
923-3724353-Б
Жгут
В узле: ---
24
923-3724350
Жгут
В узле: ---
25
4х10
Шуруп
В узле: ---
26
923-3801344
Пластина
В узле: ---
27
676.00.00/R
Выключатель
В узле: ---
28
П150-07.28
Переключатель Сhаngе-оvеr switсh
В узле: ---
29
923-3723024
Втулка
В узле: ---
30
923-3724014
Жгут
В узле: ---
31
650.00.00/R
Выключатель
В узле: ---
34
923-3801342
Щиток
В узле: ---
35
АДЮИ306549.001
Жиклер
В узле: ---
36
80-5208011-А
Фланец
В узле: ---
37
ШЧ5
Шайба
В узле: ---
38
Винт 4х10
Винт 4х10
В узле: ---
39
923-7901018
Щиток
В узле: ---
40
32.5205.900
Щетка стеклоочистителя
В узле: ---
40
33.5205.900
Щетка стеклоочистителя
В узле: ---
41
322.5205.800
Рычаг стеклоочистителя
В узле: ---
41
333-5205.800
Рычаг стеклоочистителя
В узле: ---
42
822-5205043
Втулка
В узле: ---
43
80-3723045-01
Манжета
В узле: ---
44
923-5205022
Кронштейн
В узле: ---
45
25009814
Плафон
В узле: ---
47
923-3723042
Втулка
В узле: ---
48
80-3723048
Втулка
В узле: ---
49
ВМ4х10
Винт
В узле: ---
50
1222-5208001
Кронштейн
В узле: ---
51
М6х12
Винт
В узле: ---
53
923-5208005
Кронштейн
В узле: ---
54
192.090.012
Моторедуктор
В узле: ---
55
70-1602037
Втулка
В узле: ---
56
АДЮИ723.111.002-01
Трубка
В узле: ---
57
АДЮИ754164.001
Зажим
В узле: ---
58
АДЮИ306549.003-01
Жиклер
В узле: ---
59
АДЮИ754164.002
Защелка
В узле: ---
61
М5
Гайка
В узле: ---
62
ШП5
Шайба
В узле: ---
63
822-3801341
Щиток
В узле: ---
65
70-3723042-01
Втулка
В узле: ---
67
006-010-25-1-4
Кольцо
В узле: ---
68
923-3801343
Табличка
В узле: ---
70
822-3724351-Б
Жгут
В узле: ---
71
791.000.030
Рычаг со щеткой
В узле: ---
Содержащиеся в справочниках-каталогах запасные части и детали не предлагаются к продаже, а носят исключительно информационный характер

Ваша заявка была отправлена. В ближайшее время наши специалисты с Вами свяжутся по указанному Вами телефону.

Представьтесь
Поле обязательно для заполнения
Ваш телефон
Введите правильный номер телефона
E-mail
Введите правильный e-mail
Тема
Тема
применяемость финансирование доставка цена, наличие другое сервис и гарантия
Время для звонка
08:00
08:00 09:00 10:00 11:00 12:00 13:00 14:00 15:00 16:00 17:00 18:00 19:00
19:00
08:00 09:00 10:00 11:00 12:00 13:00 14:00 15:00 16:00 17:00 18:00 19:00

Мы постараемся перезвонить в указанное время

Если вы не хотите ждать, то звоните нашим вежливым консультантам:

8 800 100-2-700
Подтвердите, что вы не робот
Подтвердите, что вы не робот
Спасибо!

Ваше сообщение успешно отправлено!

ЗакрытьПовторить попытку