Каталог запасных частей к технике: МТЗ-923. Термостат системы охлаждения
1
2
3
4
4
5
5
6
7
7
8
9
10
11
12
|
12
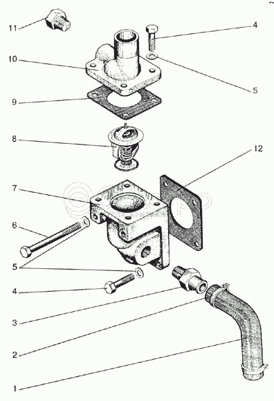
50-1306026
Прокладка
В узле: ---
|
|||||||||||||||||||||||||||||||||||||||||||||||||||||||||||||||||||||||||||||||||||||||
| 50-1306026 Прокладка МТЗ, ЗИЛ корпуса термостата, Беларусь |
|
>10 шт. | 5.55 р. | ||||||||||||||||||||||||||||||||||||||||||||||||||||||||||||||||||||||||||||||||||||
|
9
245-1306023
Прокладка
В узле: ---
|
|||||||||||||||||||||||||||||||||||||||||||||||||||||||||||||||||||||||||||||||||||||||
| 245-1306023 Прокладка крышки термостата ЗиЛ (темпсил 0,5 мм), РФ |
|
<10 шт. | 6.30 р. | ||||||||||||||||||||||||||||||||||||||||||||||||||||||||||||||||||||||||||||||||||||
| 245-1306023 Прокладка крышки термостата |
|
>10 шт. | 5.55 р. | ||||||||||||||||||||||||||||||||||||||||||||||||||||||||||||||||||||||||||||||||||||
|
3
245-1306027
Штуцер
В узле: ---
|
|||||||||||||||||||||||||||||||||||||||||||||||||||||||||||||||||||||||||||||||||||||||
| 245-1306027 Штуцер МТЗ, МАЗ,ЗиЛ термостата, ММЗ |
|
Под заказ | 309.88 р. | ||||||||||||||||||||||||||||||||||||||||||||||||||||||||||||||||||||||||||||||||||||
|
1
50-1306028-Б3
Шланг
В узле: ---
|
|||||||||||||||||||||||||||||||||||||||||||||||||||||||||||||||||||||||||||||||||||||||
| 50-1306028-Б3 Патрубок МТЗ, ЗИЛ термостата двигателя ГРБ-20,гнутый (Шланг ), Беларусь |
|
>10 шт. | 196.98 р. | ||||||||||||||||||||||||||||||||||||||||||||||||||||||||||||||||||||||||||||||||||||
|
5
50-1401067
Шайба
В узле: ---
|
|||||||||||||||||||||||||||||||||||||||||||||||||||||||||||||||||||||||||||||||||||||||
| 50-1401067 Шайба МТЗ болта масляного картера , ММЗ |
|
>10 шт. | 35.53 р. | ||||||||||||||||||||||||||||||||||||||||||||||||||||||||||||||||||||||||||||||||||||
|
7
245-1306021
Корпус
В узле: ---
|
|||||||||||||||||||||||||||||||||||||||||||||||||||||||||||||||||||||||||||||||||||||||
| 245-1306021 Корпус термостата МТЗ нижний, ММЗ* |
|
Под заказ | 1 267.12 р. | ||||||||||||||||||||||||||||||||||||||||||||||||||||||||||||||||||||||||||||||||||||
| 245-1306021 Корпус термостата МТЗ нижний |
|
<10 шт. | 549.12 р. | ||||||||||||||||||||||||||||||||||||||||||||||||||||||||||||||||||||||||||||||||||||
|
10
245-1306025
Крышка
В узле: ---
|
|||||||||||||||||||||||||||||||||||||||||||||||||||||||||||||||||||||||||||||||||||||||
| 245-1306025 Крышка МТЗ, корпуса термостата, ММЗ* |
|
Под заказ | 986.08 р. | ||||||||||||||||||||||||||||||||||||||||||||||||||||||||||||||||||||||||||||||||||||
| 245-1306025 Крышка МТЗ корпуса термостата |
|
Под заказ | 401.65 р. | ||||||||||||||||||||||||||||||||||||||||||||||||||||||||||||||||||||||||||||||||||||
Содержащиеся в справочниках-каталогах запасные части и детали не предлагаются к продаже, а носят исключительно информационный характер