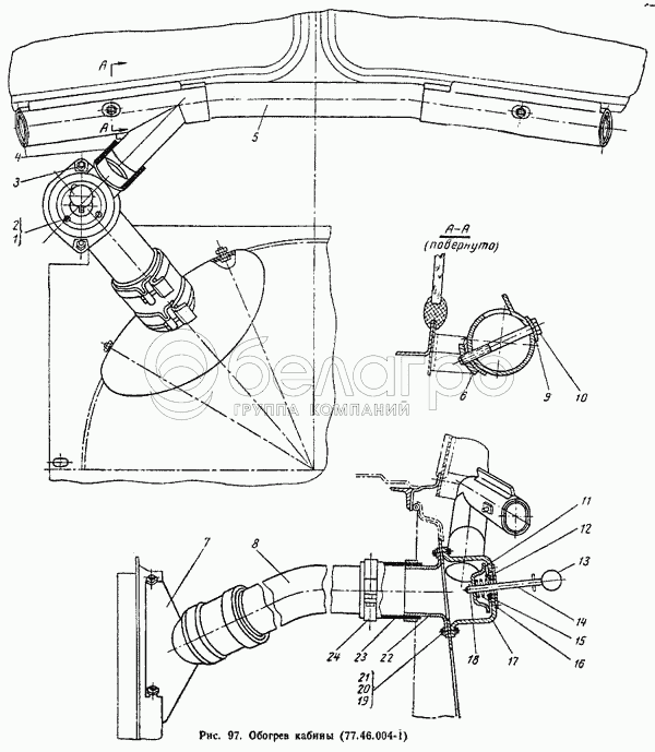
Каталог запасных частей к технике: ВгТЗ ДТ-75М. Обогрев кабины (77.46.004-1)

zoom-in zoom-out enlarge shrink circle-right circle-left file-text2 info cart arraw right arraw left zoom out zoom in arraw maximize arraw minimize
1
2
3
4
5
6
7
8
9
10
11
12
13
14
15
16
17
17
18
19
20
21
22
23
24
85.47.001-2
Установка обшивки
В узле: 1
77.46.004-1
Обогрев кабины
В узле: 1
1
Шайба пружинная 4Н
Шайба пружинная 4Н, ГОСТ 6402-61
В узле: 3
2
ВинитМ4Х8
Винт М4Х8 с полукруглой головкой, ГОСТ 1489-62
В узле: 3
3
77.40.416-1
Шайба специальная
В узле: 2
4
77.46.404
Шланг
В узле: 1
5
77.46.041
Труба распределительная в сборе
В узле: 1
6
77.46.405
Гайка специальная
В узле: 2
7
77.46.011
Заборник воздуха в сборе
В узле: 1
8
85.46.101
Труба
В узле: 1
9
77.46.406
Шайба
В узле: 2
10
Болт М8Х60
Болт М8Х60, ГОСТ 7795-62
В узле: 2
11
77.46.411
Тарелка клапана
В узле: 1
12
77.46.042-1
Крышка воздухоприемника в сборе
В узле: 1
13
54.53.417
Рукоятка рычага
В узле: 1
14
77.46.043
Рукоятка в сборе
В узле: 1
15
77.46.413
Шайба пружины
В узле: 1
16
77.40.417
Пружина
В узле: 1
17
85.47.012-2
Боковина верхнего щита левая в сборе
В узле: 1
17
77.46.408-1
Корпус воздухоприемника
В узле: 1
18
Шплинт 2,5Х20
Шплинт 2,5Х20, ГОСТ 397-64
В узле: 1
19
Шайба пружинная 8Н
Шайба пружинная 8Н, ГОСТ 6402-61
В узле: 2
20
Гайка М8
Гайка М8, ГОСТ 5915-62
В узле: 2
21
Болт М8Х20
Болт М8Х20, ГОСТ 7796-62
В узле: 2
22
77.46.102
Горловина
В узле: 1
23
77.46.106
Шланг
В узле: 2
24
ХСВ-73
Хомутик стяжной винтовой, ХСВ-73
В узле: 4
Содержащиеся в справочниках-каталогах запасные части и детали не предлагаются к продаже, а носят исключительно информационный характер

Ваша заявка была отправлена. В ближайшее время наши специалисты с Вами свяжутся по указанному Вами телефону.

Представьтесь
Поле обязательно для заполнения
Ваш телефон
Введите правильный номер телефона
E-mail
Введите правильный e-mail
Тема
Тема
применяемость финансирование доставка цена, наличие другое сервис и гарантия
Время для звонка
08:00
08:00 09:00 10:00 11:00 12:00 13:00 14:00 15:00 16:00 17:00 18:00 19:00
19:00
08:00 09:00 10:00 11:00 12:00 13:00 14:00 15:00 16:00 17:00 18:00 19:00

Мы постараемся перезвонить в указанное время

Если вы не хотите ждать, то звоните нашим вежливым консультантам:

8 800 100-2-700
Подтвердите, что вы не робот
Подтвердите, что вы не робот
Спасибо!

Ваше сообщение успешно отправлено!

ЗакрытьПовторить попытку