Каталог запасных частей к технике: ВгТЗ ДТ-75МВ. Головка цилиндров

zoom-in zoom-out enlarge shrink circle-right circle-left file-text2 info cart arraw right arraw left zoom out zoom in arraw maximize arraw minimize
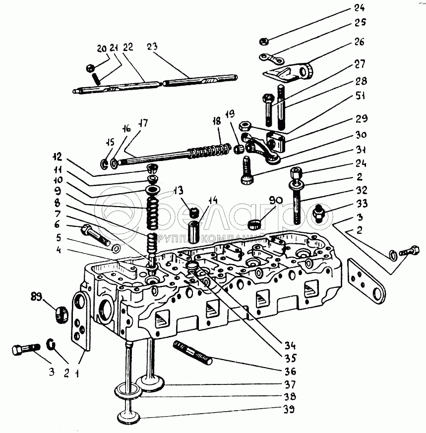
81
43-0661-1А
Коллектор впускной
В узле: 1
43-0661-1А Коллектор впускной А-41 <10 шт. 4 919.87 р.
43-06С9
Головка с клапанами в сборе
В узле: 1
43-06С2
Головка в сборе
В узле: 1
41-06015
Труба водяная а сборе
В узле: 1
41-4606
Передаточный механизм в сборе
В узле: 2
43-06С7
Колпак в сборе
В узле: 1
01-06С4
Коромысло в сборе
В узле: 8
43-06С13-1
Коллектор впускной в сборе
В узле: 1
1
6А1-0643
Кронштейн грузовой задний
В узле: 3
2
12.65Г.05
Шайба ГОСТ 6402-70
В узле: 12
3
01-0699
Болт
В узле: 7
4
6Т2-0641А
Шайба пружин клапана
В узле: 8
5
10х2.01.011
Шайба ГОСТ 10450-78
В узле: 14
6
М10-6gх35.88.35.013
Болт ГОСТ 7796-70
В узле: 8
7
6Т2-0603А-Р
Втулка клапана
В узле: 8
8
236-1007021
Пружина клапана внутренняя
В узле: 8
9
236-1007020
Пружина клапана наружная
В узле: 8
10
01-0640А
Тарелка пружин клапана
В узле: 8
11
01-0677
Втулка
В узле: 8
12
6Т2-0671Б
Сухарь клапана
В узле: 16
13
4А1-0626
Гайка стакана форсунки
В узле: 4
14
6Т2-0628-1
Стакан форсунки
В узле: 4
15
Б22
Кольцо упорное ГОСТ 1392-68
В узле: 4
16
612-0505
Шайба
В узле: 4
17
41-0644
Ось коромысел
В узле: 2
18
6Т2-0645
Пружина распорная
В узле: 2
19
01-0668
Втулка коромысла клапана
В узле: 8
20
М8.6Н.8.35.013
Гайка ГОСТ 2524-70
В узле: 8
21
01-0620
Винт декомпрессора
В узле: 4
22
43-0611-1
Валик передний
В узле: 1
23
43-0610
Валик декомпрессора задний
В узле: 1
24
М12.6Н.6.10.013
Гайка ГОСТ 5927-70
В узле: 9
25
01-0675
Шайба замковая
В узле: 4
26
01-0687
Стойка валика
В узле: 4
27
М12-6х65.58.05
Болт ГОСТ 7795-70
В узле: 4
28
М12х80.88.05
Шпилька СТП 208.479-75
В узле: 4
29
04-0686
Стойка оси коромысел
В узле: 4
30
01-0608А
Коромысло клапана
В узле: 8
31
01-0689
Винт коромысла регулировочный
В узле: 8
32
01-0688
Шпилька
В узле: 4
33
6х33
Ниппель СТП 208.509-74
В узле: 1
34
236-1003114-В
Кольцо стакана форсунки уплотнительное
В узле: 4
35
01-0622
Шайба М3 ГОСТ 859-78
В узле: 4
36
М10х40.88.013
Шпилька СТП 208.478-75
В узле: 8
37
А05.12.012
Клапан впускной
В узле: 4
38
236-1003110
Седло выпускного клапана
В узле: 4
39
А05.12.013
Клапан выпускной
В узле: 4
40
М10.6Н.6.10.013
Гайка ГОСТ 5927-70
В узле: 17
41
10.65Г.05
Шайба ГОСТ 6402-70
В узле: 16
42
М10х28.88.013
Шпилька СТП 208.478-75
В узле: 8
43
01-0674-2
Кронштейн тяги
В узле: 1
44
41-06С19А
Рукоятка декомпрессора
В узле: 1
45
12х2.01.011
Шайба ГОСТ 11371-78
В узле: 1
46
8х37
Шайба ГОСТ 11371-78
В узле: 2
47
3.2х18-005
Шплинт ГОСТ 397-79
В узле: 2
48
01-0679-3
Тяга
В узле: 1
49
01-0698А
Рычаг декомпрессора
В узле: 1
50
41-0508-1А
Шайба стопорная
В узле: 1
51
М12х1кл2а-055
Гайка Н483-66
В узле: 8
52
14-2619
Заглушка
В узле: 1
53
К77.66.410-1
Пружина
В узле: 1
54
БV8ммР
Шарик ГОСТ 3722-60
В узле: 1
55
8.65Г.05
Шайба ГОСТ 6402-70
В узле: 10
56
01-0615
Корпус декомпрессора
В узле: 1
57
М8х20.56
Шпилька ГОСТ 22034-76
В узле: 4
58
01-0612
Ось рукоятки
В узле: 1
59
01-06С20
Корпус декомпрессора в сборе
В узле: 1
60
1-20х40-1
Манжета ГОСТ 8752-79
В узле: 1
61
01-0616
Прокладка
В узле: 1
62
01-0624
Кольцо стопорное
В узле: 4
63
01-0684
Прокладка
В узле: 4
64
01-0630
Гайка колпака
В узле: 4
65
8.01
Шайба
В узле: 2
66
41-06316
Корпус сапуна
В узле: 1
67
41-0632
Диафрагма
В узле: 1
68
41-0634
Набивка сапуна
В узле: 2
69
СМД1-0633
Перегородка
В узле: 2
70
01-0635
Кольцо стопорное
В узле: 1
71
41-0667
Прокладка сапуна
В узле: 1
72
41-06С11
Сапун в сборе
В узле: 1
73
41-0664А
Колпак
В узле: 1
74
43-0627
Прокладка колпака
В узле: 1
75
43-0601-1Б
Головка цилиндров
В узле: 1
76
43-06С8
Прокладка головки
В узле: 1
77
6А1-0657
Прокладка водяной трубы
В узле: 3
78
01-0696
Пробка
В узле: 1
79
М8-6gх25.88.35.013
Болт ГОСТ 7796-70
В узле: 6
80
8.01.011
Шайба ГОСТ 11371-78
В узле: 6
82
М14х40.56
Шпилька ГОСТ 22034-76
В узле: 1
83
04-0662-1
Прокладка всасывающего коллектора
В узле: 4
83
14.65Г.05
Шайба ГОСТ 6402-70
В узле: 1
84
М14.6Н.8.35.013
Гайка ГОСТ 2524-70
В узле: 1
85
М12х28.88.05
Шпилька СТП 208.478-75
В узле: 1
87
41-0682
Труба водяная
В узле: 1
89
01-0691
Заглушка малая
В узле: 2
89
3.2х32-005
Шплинт ГОСТ 397-79
В узле: 1
90
01-0693-1
Заглушка большая
В узле: 3
Содержащиеся в справочниках-каталогах запасные части и детали не предлагаются к продаже, а носят исключительно информационный характер

Ваша заявка была отправлена. В ближайшее время наши специалисты с Вами свяжутся по указанному Вами телефону.

Представьтесь
Поле обязательно для заполнения
Ваш телефон
Введите правильный номер телефона
E-mail
Введите правильный e-mail
Тема
Тема
применяемость финансирование доставка цена, наличие другое сервис и гарантия
Время для звонка
08:00
08:00 09:00 10:00 11:00 12:00 13:00 14:00 15:00 16:00 17:00 18:00 19:00
19:00
08:00 09:00 10:00 11:00 12:00 13:00 14:00 15:00 16:00 17:00 18:00 19:00

Мы постараемся перезвонить в указанное время

Если вы не хотите ждать, то звоните нашим вежливым консультантам:

8 800 100-2-700
Подтвердите, что вы не робот
Подтвердите, что вы не робот
Спасибо!

Ваше сообщение успешно отправлено!

ЗакрытьПовторить попытку