Каталог запасных частей к технике: ВгТЗ ДТ-75МВ. Коробка передач. Крышка коробки передач

zoom-in zoom-out enlarge shrink circle-right circle-left file-text2 info cart arraw right arraw left zoom out zoom in arraw maximize arraw minimize
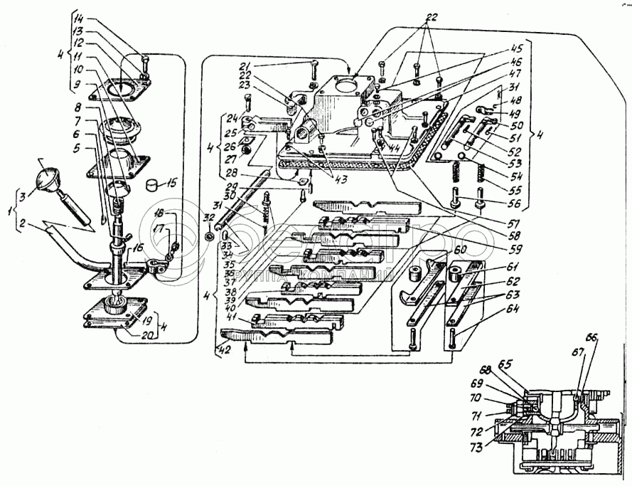
20
77.37.114
Прокладка фланца
В узле: 1
77.37.114 Прокладка фланца <10 шт. 93.54 р.
78Р.37.002
Коробка передач под реверс-редуктор
В узле: ---
78.37.002
Коробка передач
В узле: ---
13
Шайба 10.65Г.05 ГОСТ 6402-70
Шайба 10.65Г.05 ГОСТ 6402-70
В узле: 1
77.48.056
Провод
В узле: 1
78х.37.002
Коробка передач
В узле: ---
К77.37.012-4А
Крышка коробки под реверс-редуктор
В узле: 1
1
78.37.011
Рычаг
В узле: 1
2
78.37.104
Рычаг
В узле: 1
3
А13.04.000А
Рукоятка
В узле: 1
4
78.37.012
Крышка коробки передач
В узле: 1
5
Шпонка сегментная 5х9 ГОСТ 8795-68
Шпонка сегментная 5х9 ГОСТ 8795-68
В узле: 1
6
77.37.116-1
Штифт рычага
В узле: 1
7
К77.37.128-1
Рычаг
В узле: 1
8
77.37.117
Пружина рычага
В узле: 1
9
77.37.118
Шайба сферическая
В узле: 1
10
77.37.120
Колпак
В узле: 1
11
77.37.121
Чехол
В узле: 1
12
77.37122
Кольцо прижимное
В узле: 1
14
Болт М10.6gх35.58.016 ГОСТ 7796-70
Болт М10.6gх35.58.016 ГОСТ 7796-70
В узле: 4
15
77.37.243
Втулка
В узле: 1
17
Шайба 12.65Г.05 ГОСТ 6402-70
Шайба 12.65Г.05 ГОСТ 6402-70
В узле: 1
18
Болт М12.6gх35.58.016 ГОСТ 7796-70
Болт М12.6gх35.58.016 ГОСТ 7796-70
В узле: 1
19
77.37.113-1
Фланец крышки коробки передач
В узле: 1
21
Болт М12.6gх70.58.016 ГОСТ 7795-70
Болт М12.6gх70.58.016 ГОСТ 7795-70
В узле: 2
22
Болт М12.6gх40.58.016 ГОСТ 7796-70
Болт М12.6gх40.58.016 ГОСТ 7796-70
В узле: 6
23
77.37.171-1
Ушко
В узле: 1
24
77.37.210
Болт стопорный
В узле: 1
25
77.37.102А
Вилка
В узле: 1
26
77.37.297
Пластина отгибная
В узле: 1
27
Гайка М12х1,75. 8.016 ГОСТ 5916-70
Гайка М12х1,75. 8.016 ГОСТ 5916-70
В узле: 1
28
77.37.216
Пластина отгибная
В узле: 1
29
77.38.287
Штифт
В узле: 2
30
77.37.206
Пружина фиксатора
В узле: 1
31
Шплинт 3.2х18 ГОСТ 397-79
Шплинт 3.2х18 ГОСТ 397-79
В узле: 2
32
Заглушка 22-08кп ГОСТ 3111-67
Заглушка 22-08кп ГОСТ 3111-67
В узле: 2
33
77.37.213
Винт стопорный
В узле: 1
34
77.37.144
Валик переключения
В узле: 1
35
77.31.221
Фиксатор
В узле: 1
36
Болт М8.6gх16.88.35.016 ГОСТ 7796-70
Болт М8.6gх16.88.35.016 ГОСТ 7796-70
В узле: 1
37
77.37.173
Втулка вилки
В узле: 1
38
77.37.135
Планка разделительная
В узле: 3
39
7737.164
Планка переключения V и V1 передач
В узле: 4
40
77.37.177
Планка переключения вилки III и IV передач
В узле: 1
41
77.37.176
Планка переключения вилки I и II передач
В узле: 1
42
77.37.134
Планка боковая
В узле: 2
44
Болт М10.6gх 25.58.016 ГОСТ 7796-70
Болт М10.6gх 25.58.016 ГОСТ 7796-70
В узле: 1
45
77.37.218
Болт стопорный
В узле: 2
46
Заглушка 28-03кл ГОСТ 3111-67
Заглушка 28-03кл ГОСТ 3111-67
В узле: 7
47
77.37.101-1
Крышка
В узле: 1
48
Шайба 10.01.013 ГОСТ 1 1371-78
Шайба 10.01.013 ГОСТ 1 1371-78
В узле: 1
49
77.47.162
Серьга
В узле: 1
51
77.37.166
Палец валика блокировки заднего
В узле: 1
52
77.37.165
Палец валика блокировки переднего
В узле: 1
53
77.37.161
Валик блокировки задний
В узле: 1
53
77.37.160
Валик блокировки передний
В узле: 1
54
7737.143А
Кольцо уплотнительное
В узле: 2
55
54.37.408
Пружина стопора
В узле: 4
56
77.37.163
Фиксатор
В узле: 4
57
77.37.145А
Прокладка
В узле: 1
58
Болт М12.6gх 45.58.016 ГОСТ 7795-70
Болт М12.6gх 45.58.016 ГОСТ 7795-70
В узле: 1
59
К77.37.125
Планка переключения под реверс-редуктор
В узле: 1
60
77.37.244
Планка
В узле: 1
61
77.37.211
Втулка распорная
В узле: 4
62
77.37.133
Планка опорная
В узле: 2
63
77.37.212А
Пластина отгибная
В узле: 4
64
Болт М10.6gх50.58.016 ГОСТ 7795-70
Болт М10.6gх50.58.016 ГОСТ 7795-70
В узле: 4
65
77.34.236
Ось
В узле: 1
66
77.37.235
Рамка
В узле: 1
67
77.37.237
Винт оси рамки
В узле: 1
68
Шарик БУ 14 мм Н ГОСТ 3722-60
Шарик БУ 14 мм Н ГОСТ 3722-60
В узле: 1
69
77.37.239
Втулка
В узле: 1
70
77.37.241
Прокладка
В узле: 1
71
ВК-403 (77.37.256)
Включатель света заднего хода
В узле: 1
72
77.37.240
Планка стопорная
В узле: 1
73
77.37.238
Шайба уплотнительная
В узле: 1
Содержащиеся в справочниках-каталогах запасные части и детали не предлагаются к продаже, а носят исключительно информационный характер

Ваша заявка была отправлена. В ближайшее время наши специалисты с Вами свяжутся по указанному Вами телефону.

Представьтесь
Поле обязательно для заполнения
Ваш телефон
Введите правильный номер телефона
E-mail
Введите правильный e-mail
Тема
Тема
применяемость финансирование доставка цена, наличие другое сервис и гарантия
Время для звонка
08:00
08:00 09:00 10:00 11:00 12:00 13:00 14:00 15:00 16:00 17:00 18:00 19:00
19:00
08:00 09:00 10:00 11:00 12:00 13:00 14:00 15:00 16:00 17:00 18:00 19:00

Мы постараемся перезвонить в указанное время

Если вы не хотите ждать, то звоните нашим вежливым консультантам:

8 800 100-2-700
Подтвердите, что вы не робот
Подтвердите, что вы не робот
Спасибо!

Ваше сообщение успешно отправлено!

ЗакрытьПовторить попытку