Каталог запасных частей к технике: ВгТЗ ДТ-75МВ. Пусковое устройство

zoom-in zoom-out enlarge shrink circle-right circle-left file-text2 info cart arraw right arraw left zoom out zoom in arraw maximize arraw minimize
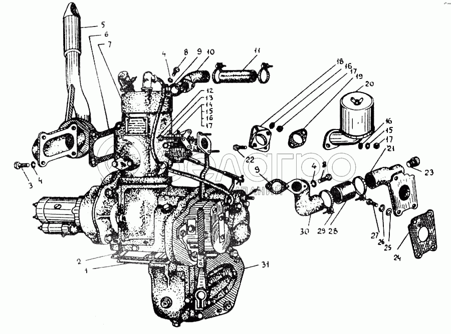
4Т6-19С4А
Вал редуктора в сборе
В узле: 1
41-19С5Р
Комплект обгонной муфты
В узле: 1
4Т6-19С3Б
Корпус редуктора в сборе
В узле: 1
01М-19С11
Крышка в сборе
В узле: 1
4Т6-19С6
Крышка редуктора в сборе
В узле: ---
41-19С1-1А
Пусковое устройство
В узле: 1
1
СМД14-1908
Нитка
В узле: 1
2
СМД2-1939А
Прокладка
В узле: 1
3
М8-6gх25.88.35.013
Болт ГОСТ 7796-70
В узле: 4
4
8.65Г.05
Шайба ГОСТ 6402-70
В узле: 19
5
41-19015А
Глушитель в сборе
В узле: 1
6
Д24051
Прокладка глушителя
В узле: ---
7
Д24С01-6
Пусковой двигатель П-10УД
В узле: 1
8
М8-6gх20.88.35.013
Болт ГОСТ 7796-70
В узле: 5
9
01-0929А
Прокладка впускной трубы
В узле: 2
10
41-1928А
Патрубок водоотводящий
В узле: 1
11
41-1958
Шланг
В узле: 1
12
01М-19И6
Стойка
В узле: 1
13
01М-19117
Пленка
В узле: 1
14
М6-6gх20.88.35.013
Болт ГОСТ 7798-70
В узле: 1
15
6.65Г.05
Шайба ГОСТ 6402-70
В узле: 7
16
6х1.2.01.011
Шайба ГОСТ 11371-78
В узле: 5
17
М6.6Н.8.35.05
Гайка ГОСТ 5915-70
В узле: 5
18
01М-19121
Переходник
В узле: 1
19
01М-19114-1
Прокладка
В узле: 2
20
350.04.010.00
Воздухоочиститель
В узле: 1
21
41-1942А-2
Патрубок
В узле: 1
22
М6-6gх25.88.35.013
Болт ГОСТ 7798-70
В узле: 2
23
КП
Пробка ГОСТ 12718-67
В узле: 1
24
03-1908
Прокладка патрубка
В узле: 1
25
10х2.01.011
Шайба ГОСТ 10450-78
В узле: 4
26
10.65Г.05
Шайба ГОСТ 6402-70
В узле: 5
27
М10-6gх30.88.35.013
Болт ГОСТ 7796-70
В узле: 4
28
04-1909
Шланг
В узле: 1
29
Ф40
Хомут СТП 208.524-74
В узле: 4
30
41-1927А-2
Патрубок водоподводящий
В узле: 1
31
41-19С2А
Редуктор
В узле: 1
32
8Пр1х16
Штифт СТП 208.507-74
В узле: 2
33
д15х30
Ролик ГПН
В узле: 4
35
6Т2-1943
Болт
В узле: 3
36
М8.6Н.8.35.013
Гайка ГОСТ 2524-70
В узле: 2
37
6Т3-1936
Винт установочный
В узле: 1
38
01М-1912
Валик включения
В узле: 1
39
016-020-25
Кольцо резиновое ГОСТ 9833-73
В узле: 1
40
01М-1914
Рычаг включения
В узле: 1
41
6Т3-19С16Б
Рукоятка рычага включения
В узле: 1
42
01-1903-1Б
Крышка механизма включения
В узле: 1
43
4х6.5
Шпонка сегментная
В узле: 1
44
6Т3-1913
Шестерня механизма включения
В узле: 1
45
М8х20.56
Шпилька ГОСТ 22034-76
В узле: ---
46
6Т3-1911А
Шестерня
В узле: 1
47
6Т3-1919
Болт
В узле: 1
48
12.65Г.05
Шайба ГОСТ 6402-70
В узле: 1
49
6Т3-1920
Пружина
В узле: 1
50
БУ8ммР
Шарик ГОСТ 3722-60
В узле: 1
51
01-1968
Прокладка
В узле: 1
52
01М-1921
Шайба
В узле: 1
53
№205
Подшипник ГОСТ 8338-75
В узле: 1
54
6Т3-1906
Упор нажимной
В узле: 1
55
№8109
Подшипник ГОСТ 6874-75
В узле: 1
56
М8-6gх45.88.35.05
Болт ГОСТ 7795-70
В узле: 4
57
1-55х80-1
Манжета ГОСТ 8752-79
В узле: 1
58
М8-6gх60.88.35.05
Болт ГОСТ 7795-70
В узле: 2
59
6Т3-1902
Крышка
В узле: 1
60
6Т3-1905
Упор неподвижный
В узле: 1
61
М12-6gх30.88.35.013
Болт ГОСТ 7796-70
В узле: 1
62
672-1906-1А
Диск нажимной
В узле: 1
63
6Т2-1937
Пружина
В узле: 1
64
01-1986
Кольцо
В узле: 2
65
4Т6-1906
Вал редуктора
В узле: 1
66
№8106
Подшипник ГОСТ 6874-75
В узле: 1
67
01-1907-2А
Ступица
В узле: 1
68
СМД2-1928
Пружина толкателя большая
В узле: 1
69
01-1967
Пружина толкателя малая
В узле: 1
70
СМД8-1994
Болт
В узле: 4
71
1.2х160-0-0
Проволока ГОСТ 3282-74
В узле: 2
72
01-1919
Шестерня включения
В узле: 1
73
6Т3-1940
Втулка
В узле: 1
74
6Т3-1924
Прокладка
В узле: 1
75
41-1901
Корпус редуктора
В узле: 1
76
КГ3/8
Пробка
В узле: 2
77
СМД2-1931А
Держатель
В узле: 1
78
01М-19133
Ось груза
В узле: 2
79
3.2х18-005
Шплинт ГОСТ 397-79
В узле: 2
80
СМД2-1937В
Груз держателя
В узле: 2
81
СМД2-1925-1А
Толкатель
В узле: 1
82
14-1926А
Втулка толкателя
В узле: 1
83
14-1953А
Шайба замковая
В узле: 1
85
6Т3-1923
Прокладка
В узле: 1
86
М8-6gх30.88.35.013
Болт ГОСТ 7796-70
В узле: ---
87
№208
Подшипник ГОСТ 8338-75
В узле: 1
88
Б80
Кольцо упорное ГОСТ 13943-66
В узле: 1
89
Б40
Кольцо упорное ГОСТ 13942-68
В узле: 1
90
6Т2-1949
Кольцо регулировочное
В узле: 2
91
4Т6-1905
Шестерня муфты сцепления
В узле: 1
92
4Т6-1904
Втулка
В узле: 1
93
4Т6-1903
Диск прижимной
В узле: 1
93
01-1908-1
Корпус обгонной муфты
В узле: 1
94
01-1984-1
Плунжер
В узле: 4
95
01-1975
Пружина
В узле: 4
97
01-1974
Упор
В узле: 4
99
612-1932
Диск
В узле: 3
100
01-1917
Диск ведомый
В узле: 5
101
41-19С7
Шестерня муфты сцепления
В узле: 1
102
5С3х12
Штифт ГОСТ 3128-70
В узле: 1
103
СМД8-19С6А
Держатель в сборе
В узле: 1
Содержащиеся в справочниках-каталогах запасные части и детали не предлагаются к продаже, а носят исключительно информационный характер

Ваша заявка была отправлена. В ближайшее время наши специалисты с Вами свяжутся по указанному Вами телефону.

Представьтесь
Поле обязательно для заполнения
Ваш телефон
Введите правильный номер телефона
E-mail
Введите правильный e-mail
Тема
Тема
применяемость финансирование доставка цена, наличие другое сервис и гарантия
Время для звонка
08:00
08:00 09:00 10:00 11:00 12:00 13:00 14:00 15:00 16:00 17:00 18:00 19:00
19:00
08:00 09:00 10:00 11:00 12:00 13:00 14:00 15:00 16:00 17:00 18:00 19:00

Мы постараемся перезвонить в указанное время

Если вы не хотите ждать, то звоните нашим вежливым консультантам:

8 800 100-2-700
Подтвердите, что вы не робот
Подтвердите, что вы не робот
Спасибо!

Ваше сообщение успешно отправлено!

ЗакрытьПовторить попытку