Каталог запасных частей к технике: ВгТЗ ДТ-75МВ. Реверс-редуктор. Валы и шестерни

zoom-in zoom-out enlarge shrink circle-right circle-left file-text2 info cart arraw right arraw left zoom out zoom in arraw maximize arraw minimize
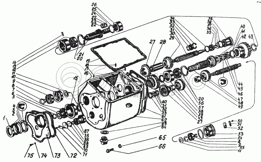
22
77.55.145А
Кольцо уплотнительное
В узле: 2
77.55.145А Кольцо ДТ-75 уплотнительное, РФ <10 шт. 17.60 р.
1
77.31.113
Обойма
В узле: 1
2
Кольцо СП-93-69-10 ГОСТ 6308-71
Кольцо СП-93-69-10 ГОСТ 6308-71
В узле: 1
3
77.31.106
Кольцо дистанционное
В узле: 1
4
1.1-70х95-2
Манжета ГОСТ 8752-79 ОСТ 38 05146-78
В узле: 1
5
77.55.229
Кольцо стопорное
В узле: 1
6
К77.58.104
Шайба маслоотбойная
В узле: 1
7
Подшипник 311 (55х120х29) ГОСТ 8338-75
Подшипник 311 (55х120х29) ГОСТ 8338-75
В узле: 1
8
Кольцо В35 ГОСТ 13942-68
Кольцо В35 ГОСТ 13942-68
В узле: 2
9
Подшипник 407К (35х100х25) ГОСТ 8338-75
Подшипник 407К (35х100х25) ГОСТ 8338-75
В узле: 2
10
77.37.108
Стакан подшипника
В узле: 1
11
77.37.157
Шайба упорная
В узле: 2
12
77.52.042
Стакан с кольцом
В узле: 1
13
Подшипник 213 (65х120х23) ГОСТ 8338-75
Подшипник 213 (65х120х23) ГОСТ 8338-75
В узле: 1
14
77.52.228
Штифт установочный
В узле: 1
15
77.52.218
Стакан подшипника
В узле: 1
16
77.52.217
Кольцо упорное
В узле: 1
17
77.38.287
Штифт
В узле: 2
18
77.52.221
Штифт установочный
В узле: 1
19
77.52.230
Прокладка
В узле: 1
20
Кольцо 2В120 ГОСТ 13941-68
Кольцо 2В120 ГОСТ 13941-68
В узле: 1
21
77.52.208-1
Вал ведомый
В узле: 1
23
77.52.266
Кольцо
В узле: 1
24
77.52.264
Втулка уплотнения
В узле: 1
25
77.52.268
Кольцо
В узле: 1
26
77.52.229-1
Муфта соединительная
В узле: 1
27
77.58.117
Шестерня ведомая
В узле: 2
28
К77.58.211-1
Втулка распорная
В узле: 1
29
77.58.102
Шестерня вала реверса
В узле: 1
30
К77.58.210-1А
Вал реверса
В узле: 1
31
К77.58.220
Полукольцо
В узле: 4
32
К77.58.219
Колпачок защитный
В узле: 2
33
Кольцо 2В55 ГОСТ 13940-68
Кольцо 2В55 ГОСТ 13940-68
В узле: 2
34
77.52.269
Кольцо стопорное
В узле: 1
35
Подшипник 70-32605К (25х62х24) ГОСТ. 8328-75
Подшипник 70-32605К (25х62х24) ГОСТ. 8328-75
В узле: 2
36
54.05.436
Кольцо пружинное
В узле: 2
37
77.52.265
Шайба
В узле: 1
38
77.38.184А
Кольцо уплотнительное
В узле: 1
39
77.52.237-2
Стакан подшипника
В узле: 1
40
77.52.267
Кольцо сальника
В узле: 1
41
Кольцо 2В80 ГОСТ 13941-68
Кольцо 2В80 ГОСТ 13941-68
В узле: 1
42
77.52.216-1
Шестерня ведомого вала
В узле: 1
43
Кольцо 2В65 ГОСТ 13940-68
Кольцо 2В65 ГОСТ 13940-68
В узле: 2
44
К77.58.218А
Вал пониженных скоростей
В узле: 1
45
Подшипник 292208К (50х80х18) ГОСТ 5377-79
Подшипник 292208К (50х80х18) ГОСТ 5377-79
В узле: 1
46
1.1-45х65-2
Манжета ГОСТ 8752-79 ОСТ 38 05146-78
В узле: 1
47
77.52.215
Шестерня
В узле: 1
48
77.52.031-1
Вал ведущий
В узле: 1
49
К77.58.205-1
Втулка распорная
В узле: 1
50
Болт М10.6gх30.58.016 ГОСТ 7796-70
Болт М10.6gх30.58.016 ГОСТ 7796-70
В узле: 2
51
77.52.239
Пластина замковая
В узле: 1
52
77.52.238-1Б
Планка стопорная
В узле: 1
53
77.52.235А
Стакан подшипника
В узле: 1
54
77.41.202А
Кольцо
В узле: 1
55
Кольцо 2В100 ГОСТ 13941-68
Кольцо 2В100 ГОСТ 13941-68
В узле: 1
56
Подшипник 32213 КМ (65х120х23) ГОСТ 8328-75
Подшипник 32213 КМ (65х120х23) ГОСТ 8328-75
В узле: 1
57
77.58.101
Шестерня
В узле: 1
58
77.52.220-1
Стакан подшипника
В узле: 1
59
К77.58.217
Втулка распорная
В узле: 1
60
77.58.116
Шестерня ведущая
В узле: 1
61
77.55.190
Прокладка корпуса увеличителя крутящего момента
В узле: 1
62
77.58.110
Корпус
В узле: 1
63
77.37.203
Прокладка пробки
В узле: 1
64
77.37.019А
Пробка сливная с магнитом в сборе
В узле: 1
65
Шайба 1265Г05 ГОСТ 6402-70
Шайба 1265Г05 ГОСТ 6402-70
В узле: 7
66
Болт М12.6gх45.58.016 ГОСТ 7795-70
Болт М12.6gх45.58.016 ГОСТ 7795-70
В узле: 1
67
77.52.232
Стакан подшипника
В узле: 1
68
77.52.241-2
Пластина запорная
В узле: 1
69
77.52.270
Пластина стопорная
В узле: 1
70
77.52.272-1
Пластина замковая
В узле: 1
71
Болт М14х1,5.6gх35.88.40х.016 ГОСТ 7796-70
Болт М14х1,5.6gх35.88.40х.016 ГОСТ 7796-70
В узле: 1
72
77.52.225-1
Прокладка
В узле: 1
73
77.52.203-2А
Крышка передняя
В узле: 1
74
Шайба 1065Г05 ГОСТ 6402-70
Шайба 1065Г05 ГОСТ 6402-70
В узле: 10
75
Болт М10.6gх40.58.016 ГОСТ 7795-70
Болт М10.6gх40.58.016 ГОСТ 7795-70
В узле: 8
Содержащиеся в справочниках-каталогах запасные части и детали не предлагаются к продаже, а носят исключительно информационный характер

Ваша заявка была отправлена. В ближайшее время наши специалисты с Вами свяжутся по указанному Вами телефону.

Представьтесь
Поле обязательно для заполнения
Ваш телефон
Введите правильный номер телефона
E-mail
Введите правильный e-mail
Тема
Тема
применяемость финансирование доставка цена, наличие другое сервис и гарантия
Время для звонка
08:00
08:00 09:00 10:00 11:00 12:00 13:00 14:00 15:00 16:00 17:00 18:00 19:00
19:00
08:00 09:00 10:00 11:00 12:00 13:00 14:00 15:00 16:00 17:00 18:00 19:00

Мы постараемся перезвонить в указанное время

Если вы не хотите ждать, то звоните нашим вежливым консультантам:

8 800 100-2-700
Подтвердите, что вы не робот
Подтвердите, что вы не робот
Спасибо!

Ваше сообщение успешно отправлено!

ЗакрытьПовторить попытку