Каталог запасных частей к технике: ВгТЗ ДТ-75МВ. Топливный насос

zoom-in zoom-out enlarge shrink circle-right circle-left file-text2 info cart arraw right arraw left zoom out zoom in arraw maximize arraw minimize
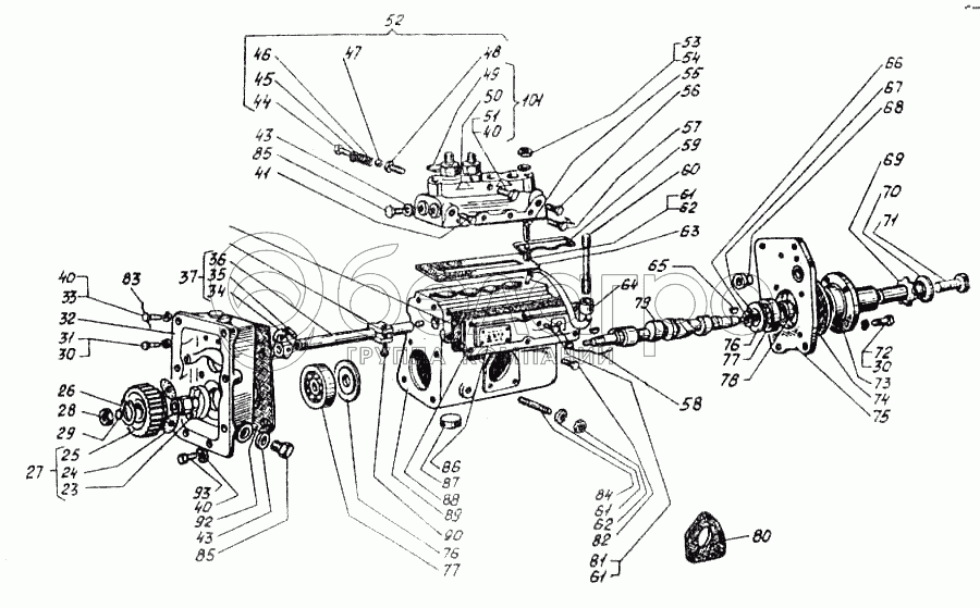
41-16С25-1А
Корпус насоса в сборе
В узле: 1
16-С61-3р
Валик с гайками в сборе
В узле: 1
16-С7
Хомутик в сборе
В узле: 4
41-16С4В
Фланец крепления регулятора
В узле: 1
16-С8
Фланец установочный в сборе
В узле: 1
1
16-046А
Втулка ролика
В узле: 4
2
16-045
Ролик толкателя плунжера
В узле: 4
3
В2.80.16.522-2
Ось ролика
В узле: 4
4
В2.80.16.523-1
Фиксатор толкателя
В узле: 4
5
80.16.104-2
Корпус толкателя
В узле: 4
6
16-048А
Контргайка
В узле: 4
7
16-049
Болт толкателя
В узле: 4
8
16-077А
Кольцо плунжера замковое
В узле: 4
9
80.16.013-2
Толкатель плунжера в сборе
В узле: 4
10
41-16С1А
Топливный насос 4ТН-9х10Т
В узле: 1
11
41-1676-1
Тарелка плунжера
В узле: 4
12
16-075Г
Пружина плунжера
В узле: 4
13
16-062
Прокладка
В узле: 4
14
41-А16С15
Плунжерная пара в сборе
В узле: 4
16
16-С93-Р
Болт с гайкой в сборе
В узле: 4
17
16-212А
Прокладка штуцера
В узле: 4
18
16-068А
Пружина нагнетательного клапана
В узле: 4
19
16-069Г
Штуцер
В узле: 4
20
03-1610А
Уменьшитель объема
В узле: 4
21
41-16С62
Головка с втулками в сборе
В узле: 1
21
41-А16С16
Клапан нагнетательный в сборе
В узле: 4
22
41-А16С12Б
Головка в сборе
В узле: 1
23
В2.80.16.565-1
Втулка зубчатого колеса
В узле: 1
24
236-1110517-Б
Сухарь
В узле: 4
25
В2.80.16.564-4
Колесо зубчатое
В узле: 1
26
Б78
Кольцо упорное ГОСТ 13942-68
В узле: 1
27
В2.80.16.085-2А
Муфта упругая в сборе
В узле: 1
28
М14х15.6Н.8.35.013
Гайка ГОСТ 5915-70
В узле: 1
29
14.65Г.05
Шайба ГОСТ 6402-70
В узле: ---
30
10.65Г.05
Шайба ГОСТ 6402-70
В узле: 10
31
М10-6gх25.88.35.013
Болт ГОСТ 7796-70
В узле: 4
32
03-1614-1Б
Фланец крепления регулятора
В узле: 1
33
3М8-6gх25.88.35.01
Болт ГОСТ 7796-70
В узле: 1
34
16-026-4А
Поводок рейки
В узле: 1
35
17-077
Штифт
В узле: 1
36
16-025-4А
Рейка
В узле: 1
37
16-С23-3А
Рейка в сборе
В узле: 1
38
16-019-16
Хомутик
В узле: 4
39
16-030-1
Прокладка регулировочная
В узле: 1
40
8.65Г.05
Шайба ГОСТ 6402-70
В узле: 10
41
А12.01.003-07
Болт поворотного угольника
В узле: 1
42
119-85А
Втулка защитная
В узле: 1
43
16-210
Прокладка
В узле: 4
44
16-218
Пробка перепускного клапана
В узле: 1
45
16-219
Прокладка
В узле: 1
46
16-057
Пружина перепускного клапана
В узле: 1
47
1117.144ммН
Шарик ГОСТ 3722-60
В узле: ---
48
41-16216
Корпус перепускного клапана
В узле: 1
49
16-072-3Б
Зажим задний
В узле: 2
50
16-073-3Б
Зажим передний
В узле: 2
51
М8-6gх30.88.35.013
Болт ГОСТ 7796-70
В узле: 2
52
41-А16С13
Клапан перепускной в сборе
В узле: 1
53
М10х1.2а.6
Гайка СТЛ 208.485-73
В узле: 2
55
16-074-1А
Шпилька
В узле: 2
56
01М-0193
Пробка головки
В узле: 1
57
16-063Б
Винт установочный
В узле: 4
58
0.8х400
Проволока ГОСТ 3262-74
В узле: 1
59
16-078А
Планка упора
В узле: 1
60
Л16-100А
Шпилька
В узле: 2
61
6.65Г.05
Шайба ГОСТ 6402-70
В узле: 11
62
М6.6Н.8.35.013
Гайка ГОСТ 5915-70
В узле: 5
63
16-079Б
Прокладка головки насоса
В узле: 1
64
16-003
Штифт установочный
В узле: 2
65
4х6.5
Шпонка сегментная
В узле: 2
66
16-030
Прокладка регулировочная
В узле: 3
67
16-030
Прокладка регулировочная
В узле: 6
68
16-033-1
Колпак рейки
В узле: 1
69
16-094
Втулка вала шлицевая
В узле: 1
70
16-091
Шайба стопорная
В узле: 1
71
16-092А
Гайка вала
В узле: 1
72
М10-6gх.40.88.35.013
Болт ГОСТ 7796-70
В узле: 4
73
16-С50
Фланец установочный
В узле: 1
74
16-223А
Прокладка установочного фланца
В узле: 1
75
41-1634
Плита крепления
В узле: 1
76
16-031
Маслоотражатель шарикоподшипника
В узле: 2
77
№960
Подшипник ГОСТ 831-75
В узле: 2
78
1-20V.40-1
Манжета ГОСТ 8752-79
В узле: 1
79
41-А1604
Вал кулачковый
В узле: 1
80
16-148
Прокладка
В узле: 1
81
3М6-6gх14.88.35.01
Болт ГОСТ 7798-70
В узле: 1
82
М6-6gхН.88.35.013
Болт ГОСТ 7798-70
В узле: 5
83
0.8х500
Проволока ГОСТ 3282 -74
В узле: 1
84
16-008
Шпилька
В узле: 1
85
16-204А
Пробка горловины
В узле: 4
87
16-004
Пробка
В узле: 4
88
41-16С22А
Крышка люка с табличкой в сборе
В узле: 1
89
41-1601-1А
Корпус насоса
В узле: 1
90
М6-6gх20.88.35.013
Болт ГОСТ 7798-70
В узле: 4
91
В2.80.16.077
Толкатель с фиксатором в сборе
В узле: 4
92
16-084А
Прокладка
В узле: 1
93
М8-6gх25.88.35.013
Болт ГОСТ 7796-70
В узле: 7
97
41-16С2Б
Топливный насос без регулятора и помпы
В узле: 1
99
41-16С5
Вал кулачковый с защитными деталями
В узле: 1
100
119-73В
Колпачок предохрани тельный
В узле: 4
101
16-С18
Зажим в сборе
В узле: 2
Содержащиеся в справочниках-каталогах запасные части и детали не предлагаются к продаже, а носят исключительно информационный характер

Ваша заявка была отправлена. В ближайшее время наши специалисты с Вами свяжутся по указанному Вами телефону.

Представьтесь
Поле обязательно для заполнения
Ваш телефон
Введите правильный номер телефона
E-mail
Введите правильный e-mail
Тема
Тема
применяемость финансирование доставка цена, наличие другое сервис и гарантия
Время для звонка
08:00
08:00 09:00 10:00 11:00 12:00 13:00 14:00 15:00 16:00 17:00 18:00 19:00
19:00
08:00 09:00 10:00 11:00 12:00 13:00 14:00 15:00 16:00 17:00 18:00 19:00

Мы постараемся перезвонить в указанное время

Если вы не хотите ждать, то звоните нашим вежливым консультантам:

8 800 100-2-700
Подтвердите, что вы не робот
Подтвердите, что вы не робот
Спасибо!

Ваше сообщение успешно отправлено!

ЗакрытьПовторить попытку