Каталог запасных частей к технике: ВгТЗ ДТ-75МВ. Цилиндр основной

zoom-in zoom-out enlarge shrink circle-right circle-left file-text2 info cart arraw right arraw left zoom out zoom in arraw maximize arraw minimize
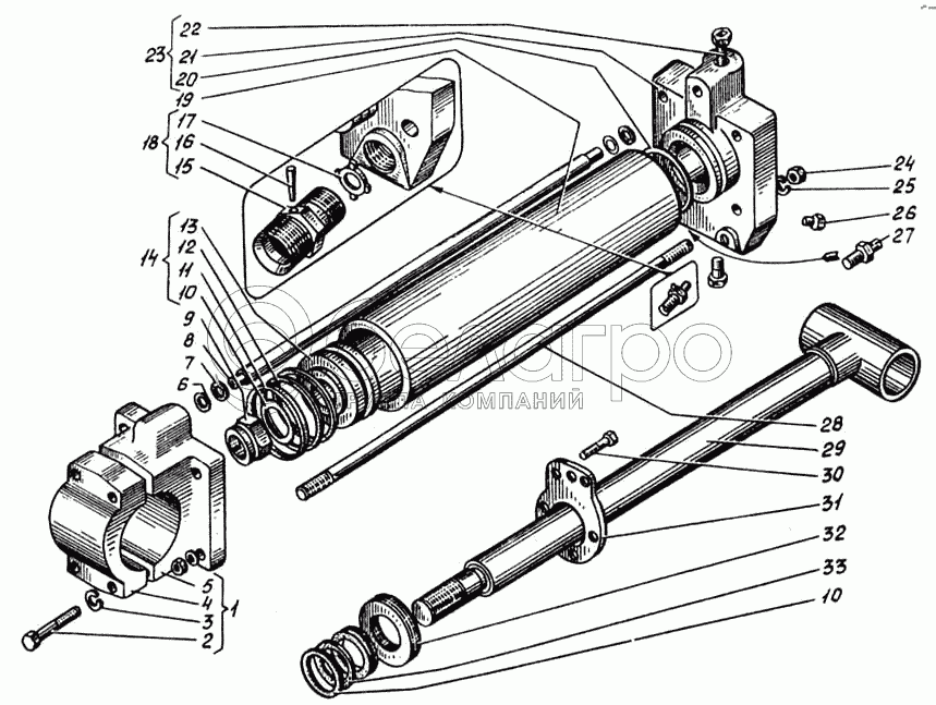
10
Ц110-1414044
Кольцо
В узле: 2
Ц110-1414044 Кольцо РК >10 шт. 4.15 р.
77.59.001
Цилиндр основной
В узле: ---
Ц110-1414001А
Цилиндр в сборе
В узле: ---
1
Ц110-1414008-А
Крышка задняя в сборе
В узле: ---
2
Болт М16.6gх65-58.016 ГОСТ 7798-70
Болт М16.6gх65-58.016 ГОСТ 7798-70
В узле: 4
3
Шайба 16.65Г.05 ГОСТ 6402-70
Шайба 16.65Г.05 ГОСТ 6402-70
В узле: 4
4
Ц110-1414051А
Бугель
В узле: 1
5
Ц110-1414020-А
Крышка задняя
В узле: ---
6
Ц90-1212046-3
Кольцо уплотнительное
В узле: 3
7
Ц90-1212027
Шайба
В узле: 2
8
Ц110-1414026-А
Маслопровод
В узле: 1
9
Ц110-1414007
Гайка в сборе
В узле: ---
11
Ц110-1414042
Прокладка
В узле: 2
12
Ц110-1414043
Кольцо
В узле: 1
13
Ц110-1414023-В
Поршень
В узле: 1
14
Ц110-1414009
Поршень в сборе
В узле: ---
15
Н.036.62.002
Корпус замедлительного клапана
В узле: 1
16
Н.036.62.001
Штифт
В узле: 3
17
Н.036.60.006
Шайба клапана
В узле: 1
18
Н.036.62.040
Клапан замедлительный
В узле: 1
19
Ц110-1414022
Корпус
В узле: 1
20
Ц110-1414045
Кольцо
В узле: 2
21
Ц110-1414021-Ж
Крышка передняя
В узле: 1
22
Ц90-1212056
Заглушка 1/4
В узле: 3
23
Ц110-1414010-А
Крышка передняя
В узле: ---
24
Гайка М18.6Н.019 ГОСТ 15521-70
Гайка М18.6Н.019 ГОСТ 15521-70
В узле: 8
25
Шайба 18.65Г.05 ГОСТ 6402-70
Шайба 18.65Г.05 ГОСТ 6402-70
В узле: 8
26
Ц90-1212057
Заглушка 1/2
В узле: 4
27
Н.036.05.003
Штуцер ввертной
В узле: 1
28
Ц110-1414041
Шпилька
В узле: 4
29
Ц110-1414002-А
Шток
В узле: ---
30
Болт М6.6gх14.88.35.016 ГОСТ 7798-70
Болт М6.6gх14.88.35.016 ГОСТ 7798-70
В узле: 5
31
Ц110-1414035
Крышка чистиков
В узле: 1
32
Ц110-141436
Чистик
В узле: 18
33
Ц110-141448
Прокладка
В узле: 2
Содержащиеся в справочниках-каталогах запасные части и детали не предлагаются к продаже, а носят исключительно информационный характер

Ваша заявка была отправлена. В ближайшее время наши специалисты с Вами свяжутся по указанному Вами телефону.

Представьтесь
Поле обязательно для заполнения
Ваш телефон
Введите правильный номер телефона
E-mail
Введите правильный e-mail
Тема
Тема
применяемость финансирование доставка цена, наличие другое сервис и гарантия
Время для звонка
08:00
08:00 09:00 10:00 11:00 12:00 13:00 14:00 15:00 16:00 17:00 18:00 19:00
19:00
08:00 09:00 10:00 11:00 12:00 13:00 14:00 15:00 16:00 17:00 18:00 19:00

Мы постараемся перезвонить в указанное время

Если вы не хотите ждать, то звоните нашим вежливым консультантам:

8 800 100-2-700
Подтвердите, что вы не робот
Подтвердите, что вы не робот
Спасибо!

Ваше сообщение успешно отправлено!

ЗакрытьПовторить попытку