Каталог запасных частей к технике: ВгТЗ ДТ-75МВ. Управление трактором. Тяги, рычаги.

zoom-in zoom-out enlarge shrink circle-right circle-left file-text2 info cart arraw right arraw left zoom out zoom in arraw maximize arraw minimize
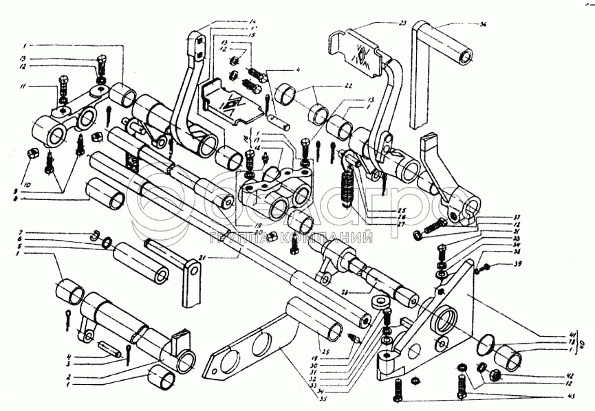
1
54.40.436
Втулка
В узле: 8
2
78.40.029
Рычаг левый
В узле: 1
4
А40-18-01
Палец
В узле: 3
5
А-40-34
Рукоятка
В узле: 2
6
А40-28
Шайба рукоятки
В узле: 2
7
А13.01.004
Кольцо стопорное
В узле: 2
8
78.40.251
Втулка
В узле: 2
9
Болт М10.6gх30.58.016 ГОСТ 7796-70
Болт М10.6gх30.58.016 ГОСТ 7796-70
В узле: 3
10
Гайка М10.6.016 ГОСТ 5915-70
Гайка М10.6.016 ГОСТ 5915-70
В узле: 3
11
78.40.209
Кронштейн валиков
В узле: 1
12
Шайба 1265Г05 ГОСТ 6402-70
Шайба 1265Г05 ГОСТ 6402-70
В узле: 10
13
Болт М12.6gх25.58.016 ГОСТ 7796-70
Болт М12.6gх25.58.016 ГОСТ 7796-70
В узле: 6
14
78.40.031
Педаль левая
В узле: 1
15
78.40.046
Подушка
В узле: 1
16
78.40.026
Кронштейн
В узле: 1
17
78.40.208
Кронштейн малый
В узле: 1
18
Заглушка 38-08кп ГОСТ 3111-67
Заглушка 38-08кп ГОСТ 3111-67
В узле: 2
19
Масленка 1.3 Ц 6 хр ГОСТ 19853-74
Масленка 1.3 Ц 6 хр ГОСТ 19853-74
В узле: 2
20
78.40.238
Вал левой педали
В узле: 1
21
78.40.239
Вал длинный
В узле: 1
22
85.40.248
Втулка
В узле: 2
23
78.40.030
Педаль правая
В узле: 1
24
78.40.236
Сектор
В узле: 1
25
85.40.257
Палец
В узле: 2
26
85.40.256
Ушко
В узле: 2
27
77.40.119А
Пружина
В узле: 2
28
78.40.0119
Валик короткий
В узле: 1
29
78.40.250
Втулка
В узле: 1
30
85.40.247
Шпонка
В узле: 1
31
Болт М10.6gх20.58.016 ГОСТ 7796-70
Болт М10.6gх20.58.016 ГОСТ 7796-70
В узле: 2
32
78.40.314
Упор
В узле: 1
33
Шплинт 4х22 ГОСТ 397-66
Шплинт 4х22 ГОСТ 397-66
В узле: 8
33
Шайба 1065Г05 ГОСТ 6402-70
Шайба 1065Г05 ГОСТ 6402-70
В узле: 1
34
Шайба 10.01 ГОСТ 11371-68
Шайба 10.01 ГОСТ 11371-68
В узле: 2
35
88.40.211
Уплотнитель
В узле: 1
36
78.40.028
Рычаг правый
В узле: 1
37
Болт М12.6gх35.58.016 ГОСТ 7796-70
Болт М12.6gх35.58.016 ГОСТ 7796-70
В узле: 1
38
Шайба 6 65Г 05 ГОСТ 6402-70
Шайба 6 65Г 05 ГОСТ 6402-70
В узле: 1
39
Винт М6х14.58.016 ГОСТ 17473-72
Винт М6х14.58.016 ГОСТ 17473-72
В узле: 1
40
Б78.40.014-2
Кронштейн
В узле: 1
41
Б78.40.104-2
Кронштейн
В узле: 1
42
Гайка М12х1,25.8.016 ГОСТ 5916-70
Гайка М12х1,25.8.016 ГОСТ 5916-70
В узле: 1
43
Болт М12.6gх30.58.016 ГОСТ 7796-70
Болт М12.6gх30.58.016 ГОСТ 7796-70
В узле: 2
Содержащиеся в справочниках-каталогах запасные части и детали не предлагаются к продаже, а носят исключительно информационный характер

Ваша заявка была отправлена. В ближайшее время наши специалисты с Вами свяжутся по указанному Вами телефону.

Представьтесь
Поле обязательно для заполнения
Ваш телефон
Введите правильный номер телефона
E-mail
Введите правильный e-mail
Тема
Тема
применяемость финансирование доставка цена, наличие другое сервис и гарантия
Время для звонка
08:00
08:00 09:00 10:00 11:00 12:00 13:00 14:00 15:00 16:00 17:00 18:00 19:00
19:00
08:00 09:00 10:00 11:00 12:00 13:00 14:00 15:00 16:00 17:00 18:00 19:00

Мы постараемся перезвонить в указанное время

Если вы не хотите ждать, то звоните нашим вежливым консультантам:

8 800 100-2-700
Подтвердите, что вы не робот
Подтвердите, что вы не робот
Спасибо!

Ваше сообщение успешно отправлено!

ЗакрытьПовторить попытку