Каталог запасных частей к технике: ВгТЗ ДТ-75МВ. Установка дизеля

zoom-in zoom-out enlarge shrink circle-right circle-left file-text2 info cart arraw right arraw left zoom out zoom in arraw maximize arraw minimize
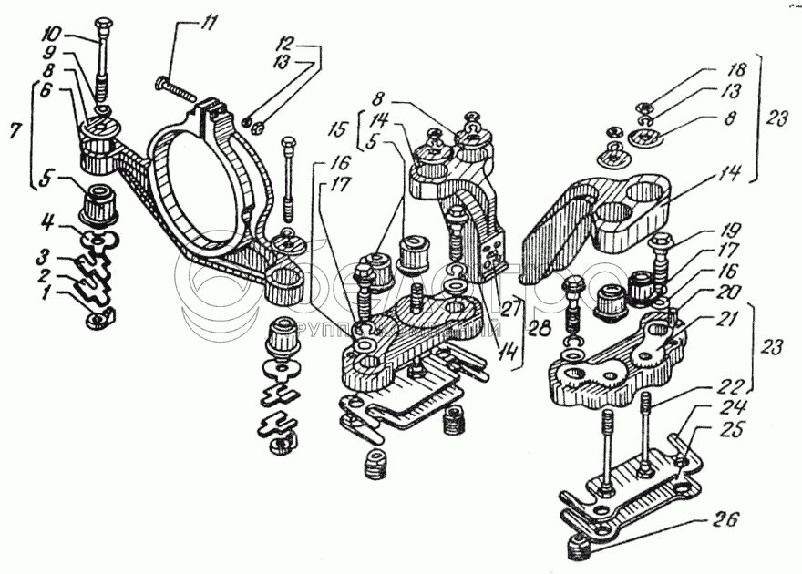
85.29.004
Установка двигателя АМ-41
В узле: 1
1
77.29.613А
Гайка специальная
В узле: 2
2
77.29.612
Прокладка 1 мм
В узле: 2
3
77.29.608
Прокладка 2 мм
В узле: 14
4
77.29.607
Шайба опорная
В узле: 2
5
77.29.063
Амортизатор опоры двигателя
В узле: 2
6
77.29.601-1
Опора передняя
В узле: 1
7
77.29.061-1
Опора передняя
В узле: 1
8
77.29.606
Чашка защитная
В узле: 2
9
Шайба 16Т65Г05 ГОСТ 6402-70
Шайба 16Т65Г05 ГОСТ 6402-70
В узле: 2
10
77.29.604
Болт передней опоры
В узле: 2
11
Болт М14.6gх65.58.016 ГОСТ 7795-70
Болт М14.6gх65.58.016 ГОСТ 7795-70
В узле: 1
12
Шайба 14Т65Г05 ГОСТ 6402-70
Шайба 14Т65Г05 ГОСТ 6402-70
В узле: 2
13
Гайка М14. 6.016 ГОСТ 5915-70
Гайка М14. 6.016 ГОСТ 5915-70
В узле: 1
14
77.29.310-1
Шайба специальная
В узле: 4
15
Шайба 18Т65Г05 ГОСТ 6402-70
Шайба 18Т65Г05 ГОСТ 6402-70
В узле: 4
16
77.29.602-2
Кронштейн задний
В узле: 1
17
77.29.084
Кронштейн задний
В узле: 1
18
77.29.647
Штифт
В узле: 1
19
77.29.083
Кронштейн
В узле: 1
20
Гайка М14х1.5.6.Н.8.016 ГОСТ 5919-73
Гайка М14х1.5.6.Н.8.016 ГОСТ 5919-73
В узле: 2
21
77.29.085
Подвеска задняя
В узле: 2
22
77.29.611
Болт задней опоры
В узле: 4
23
77.29.108
Штифт
В узле: 1
23
77.29.108-1
Штифт
В узле: 1
24
77.29.603-2
Опора задняя
В узле: 1
25
77.29.605
Болт заднего кронштейна
В узле: 2
26
77.29.309-1
Прокладка
В узле: 14
27
77.29.308-1
Прокладка
В узле: 2
28
85.29.202
Втулка резьбовая
В узле: 4
Содержащиеся в справочниках-каталогах запасные части и детали не предлагаются к продаже, а носят исключительно информационный характер

Ваша заявка была отправлена. В ближайшее время наши специалисты с Вами свяжутся по указанному Вами телефону.

Представьтесь
Поле обязательно для заполнения
Ваш телефон
Введите правильный номер телефона
E-mail
Введите правильный e-mail
Тема
Тема
применяемость финансирование доставка цена, наличие другое сервис и гарантия
Время для звонка
08:00
08:00 09:00 10:00 11:00 12:00 13:00 14:00 15:00 16:00 17:00 18:00 19:00
19:00
08:00 09:00 10:00 11:00 12:00 13:00 14:00 15:00 16:00 17:00 18:00 19:00

Мы постараемся перезвонить в указанное время

Если вы не хотите ждать, то звоните нашим вежливым консультантам:

8 800 100-2-700
Подтвердите, что вы не робот
Подтвердите, что вы не робот
Спасибо!

Ваше сообщение успешно отправлено!

ЗакрытьПовторить попытку