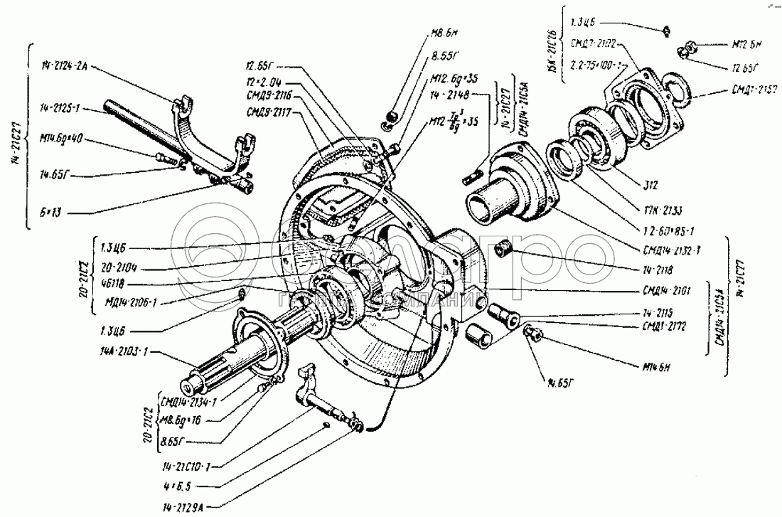
Каталог запасных частей к технике: ВгТЗ ДТ-75Н. Картер

zoom-in zoom-out enlarge shrink circle-right circle-left file-text2 info cart arraw right arraw left zoom out zoom in arraw maximize arraw minimize
12.65Г
12.65Г
2.2-75х100-1
1.2-60х85-1
1.3Ц6
1.3Ц6
1.3Ц6
20-21С2
20-21С2
312
46118
СМД9-2117
14-2129А
14-21С10-1
8.65Г
8.65Г
СМД9-2116
14.65Г
14.65Г
12х2.04
СМД1-2157
14-21.48
М12(Т03/6g)х35
4х6.5
6х13
14-2125-1
14-2124-2А
М14.6Н
М12.6gх35
М14.6gх40
14А-2103-1
СМД1-2172
СМД14-2106-1
14-2115
14-2118
45 9553 1055
М12.6Н
М8.6gх16
14-21С27
14-21С27
14-21С27
СМД14-21С5А
СМД14-21С5А
СМД14-2101
17К-2133
20-2104
СМД14-2132-1
15К-21С26
СМД14-2134-1
СМД7-2102
12.65Г
Шайба ГОСТ 6402-70
В узле: 16
2.2-75х100-1
Манжета
В узле: 1
1.2-60х85-1
Манжета
В узле: 1
1.3Ц6
Масленка
В узле: 3
20-21С2
Муфта выключения
В узле: 1
312
Подшипник
В узле: 1
46118
Подшипник
В узле: 1
СМД9-2117
Прокладка
В узле: 1
14-2129А
пружина рычага
В узле: 1
14-21С10-1
Рычаг
В узле: 1
8.65Г
Шайба ГОСТ 6402-70
В узле: 8
СМД9-2116
Крышка смотрового окна
В узле: 1
14.65Г
Шайба
В узле: 9
12х2.04
Шайба
В узле: 12
СМД1-2157
Шайба замковая
В узле: 1
14-21.48
Шпилька
В узле: 1
М12(Т03/6g)х35
Шпилька
В узле: 4
4х6.5
Шпонка сегментная
В узле: 1
6х13
Шпонка сегментная
В узле: 1
14-2125-1
Валик вилки
В узле: ---
14-2124-2А
Вилка выключения
В узле: ---
М14.6Н
Гайка ГОСТ 5915-70
В узле: 7
М12.6gх35
Болт
В узле: 12
М14.6gх40
Болт
В узле: 2
14А-2103-1
Вал сцепления
В узле: 1
СМД1-2172
Втулка валика
В узле: 2
СМД14-2106-1
Втулка муфты выключения
В узле: 1
14-2115
Втулка оси
В узле: 1
14-2118
Втулка резьбовая
В узле: 1
45 9553 1055
Гайка М8-6Н
В узле: 4
М12.6Н
Гайка
В узле: 4
М8.6gх16
Болт
В узле: 4
14-21С27
Картер муфты сцепления
В узле: 1
СМД14-21С5А
Картер муфты сцепления
В узле: 1
СМД14-2101
Картер муфты сцепления
В узле: 1
17К-2133
Кольцо
В узле: 1
20-2104
Корпус муфты выключения
В узле: 1
СМД14-2132-1
Корпус подшипника
В узле: 1
15К-21С26
Корпус сальника
В узле: 1
СМД14-2134-1
Крышка
В узле: 1
СМД7-2102
Крышка сальника
В узле: 1
Содержащиеся в справочниках-каталогах запасные части и детали не предлагаются к продаже, а носят исключительно информационный характер

Ваша заявка была отправлена. В ближайшее время наши специалисты с Вами свяжутся по указанному Вами телефону.

Представьтесь
Поле обязательно для заполнения
Ваш телефон
Введите правильный номер телефона
E-mail
Введите правильный e-mail
Тема
Тема
применяемость финансирование доставка цена, наличие другое сервис и гарантия
Время для звонка
08:00
08:00 09:00 10:00 11:00 12:00 13:00 14:00 15:00 16:00 17:00 18:00 19:00
19:00
08:00 09:00 10:00 11:00 12:00 13:00 14:00 15:00 16:00 17:00 18:00 19:00

Мы постараемся перезвонить в указанное время

Если вы не хотите ждать, то звоните нашим вежливым консультантам:

8 800 100-2-700
Подтвердите, что вы не робот
Подтвердите, что вы не робот
Спасибо!

Ваше сообщение успешно отправлено!

ЗакрытьПовторить попытку