Каталог запасных частей к технике: ВгТЗ ДТ-75Н. Управление трактором. Рычаги, педали

zoom-in zoom-out enlarge shrink circle-right circle-left file-text2 info cart arraw right arraw left zoom out zoom in arraw maximize arraw minimize
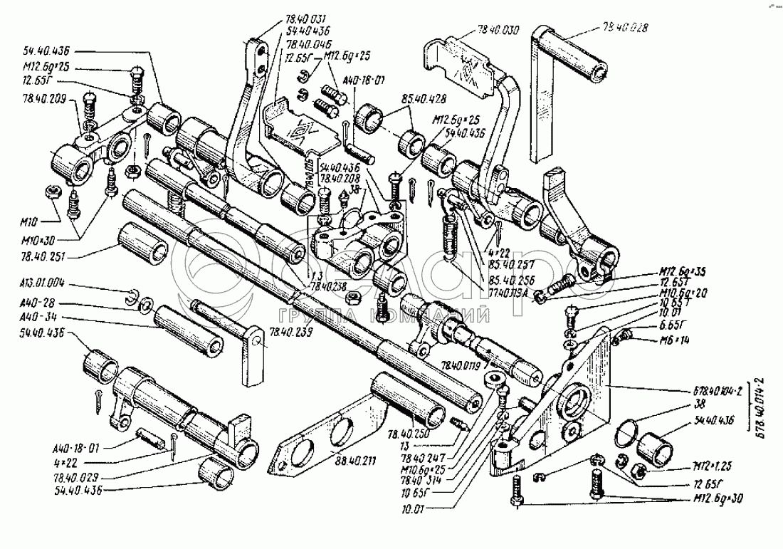
10.01
10.01
А40-18-01
А40-18-01
78.40.031
78.40.030
78.40.046
77.40.119А
78.40.029
78.40.028
88.40.211А
78.40.314
85.40.256
85.40.257
6.65Г
10.65Г
10.65Г
12.65Г
12.65Г
12.65Г
12.65Г
А40-28
4х22
4х22
А40-34
М12х1,25
М10.6gх25
Болт М6Х14
85.40.248
М10.6gх20
М12.6gх25
М12.6gх25
М12.6gх25
М12.6gх30
М12.6gх35
78.40.239
78.40.238
78.40.0119
М10х30
78.40.250
78.40.251
54.40.436
54.40.436
54.40.436
54.40.436
54.40.436
54.40.436
54.40.436
М10
38
38
А13.01.004
Б78.40.014-2
78.40.026
Б78.40.104-2
78.40.209
78.40.208
1.3
1.3
10.01
Шайба ГОСТ 11371-78
В узле: 2
А40-18-01
Палец
В узле: 2
78.40.031
Педаль левая
В узле: 1
78.40.030
Педаль правая
В узле: 1
78.40.046
Подушка
В узле: 1
77.40.119А
Пружина
В узле: 2
А13.01.002
Рукоятка
В узле: 2
78.40.029
Рычаг левый
В узле: 1
78.40.028
Рычаг правый
В узле: 1
88.40.211А
Уплотнитель
В узле: 1
78.40.314
Упор
В узле: 1
85.40.256
Ушко
В узле: 2
85.40.257
Палец
В узле: 2
6.65Г
Шайба ГОСТ 6402-70
В узле: 2
10.65Г
Шайба ГОСТ 6402-70
В узле: 2
12.65Г
Шайба ГОСТ 6402-70
В узле: 10
А40-28
Шайба рукоятки
В узле: 2
3.2х18
Шплинт
В узле: 1
4х22
Шплинт
В узле: 8
85.40.247
Шпонка
В узле: 1
А40-34
Рукоятка
В узле: ---
М12х1,25
Гайка
В узле: ---
М10.6gх25
Болт
В узле: ---
Болт М6Х14
Болт М6Х14, ГОСТ 7798-52
В узле: ---
85.40.248
Втулка
В узле: 2
М10.6gх20
Болт
В узле: 2
М12.6gх25
Болт
В узле: 6
М12.6gх30
Болт
В узле: 2
М12.6gх35
Болт
В узле: 1
78.40.239
Вал длинный
В узле: 1
78.40.238
Вал левой педали
В узле: 1
78.40.0119
Валик короткий
В узле: 1
М10х30
Винт
В узле: 2
78.40.250
Втулка
В узле: 1
78.40.251
Втулка
В узле: 1
54.40.436
Втулка
В узле: 8
М6.6gх14
Болт
В узле: 2
М10
Гайка ГОСТ 5915-70
В узле: 2
М12.gх25
Гайка
В узле: 1
38
Заглушка
В узле: 2
А13.01.004
Кольцо стопорное
В узле: 2
Б78.40.014-2
Кронштейн
В узле: 1
78.40.026
Кронштейн
В узле: 1
Б78.40.104-2
Кронштейн
В узле: 1
78.40.209
Кронштейн валиков
В узле: 1
78.40.208
Кронштейн малый
В узле: 1
1.3
Масленка
В узле: 2
Содержащиеся в справочниках-каталогах запасные части и детали не предлагаются к продаже, а носят исключительно информационный характер

Ваша заявка была отправлена. В ближайшее время наши специалисты с Вами свяжутся по указанному Вами телефону.

Представьтесь
Поле обязательно для заполнения
Ваш телефон
Введите правильный номер телефона
E-mail
Введите правильный e-mail
Тема
Тема
применяемость финансирование доставка цена, наличие другое сервис и гарантия
Время для звонка
08:00
08:00 09:00 10:00 11:00 12:00 13:00 14:00 15:00 16:00 17:00 18:00 19:00
19:00
08:00 09:00 10:00 11:00 12:00 13:00 14:00 15:00 16:00 17:00 18:00 19:00

Мы постараемся перезвонить в указанное время

Если вы не хотите ждать, то звоните нашим вежливым консультантам:

8 800 100-2-700
Подтвердите, что вы не робот
Подтвердите, что вы не робот
Спасибо!

Ваше сообщение успешно отправлено!

ЗакрытьПовторить попытку