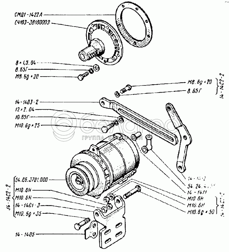
Каталог запасных частей к технике: ВгТЗ ДТ-75Н. Установка генератора и счетчика моточасов

zoom-in zoom-out enlarge shrink circle-right circle-left file-text2 info cart arraw right arraw left zoom out zoom in arraw maximize arraw minimize
14-1411
8х1,5.04
8.65Г
8.65Г
12х2.04
10.65Г
14-1405
СЧ103-3818000Э
СМД1-1422А
14-1403-2
54.24.445Б
М10.6gх25
14-1412
14-14С2-2
14-14С2-2
14-14С2-2
14-1401-3
54.86.3701.000
М10.6Н
М10.6Н
М10.6Н
М10.6Н
М8.6gх20
М8.6gх20
М10.6gх50
М10.6gх35
14-1411
Наконечник изоляционный
В узле: 1
8х1,5.04
Шайба
В узле: 5
8.65Г
Шайба ГОСТ 6402-70
В узле: 5
12х2.04
Шайба
В узле: 1
10.65Г
Шайба ГОСТ 6402-70
В узле: 1
14-1405
Шайба
В узле: 1
СЧ103-3818000Э
Счетчик моточасов
В узле: 1
СМД1-1422А
Прокладка
В узле: 1
14-1403-2
Натяжитель
В узле: 1
54.24.445Б
Наконечник изоляционный
В узле: 2
М10.6gх25
Болт
В узле: 1
14-1412
Кронштейн натяжителя
В узле: 1
14-14С2-2
Кронштейн генератора в сборе
В узле: ---
14-1401-3
Кронштейн генератора
В узле: 1
54.86.3701.000
Генератор
В узле: 1
М10.6Н
Гайка
В узле: 4
М8.6gх20
Болт
В узле: 5
М10.6gх50
Болт
В узле: 1
М10.6gх35
Болт
В узле: 1
Содержащиеся в справочниках-каталогах запасные части и детали не предлагаются к продаже, а носят исключительно информационный характер

Ваша заявка была отправлена. В ближайшее время наши специалисты с Вами свяжутся по указанному Вами телефону.

Представьтесь
Поле обязательно для заполнения
Ваш телефон
Введите правильный номер телефона
E-mail
Введите правильный e-mail
Тема
Тема
применяемость финансирование доставка цена, наличие другое сервис и гарантия
Время для звонка
08:00
08:00 09:00 10:00 11:00 12:00 13:00 14:00 15:00 16:00 17:00 18:00 19:00
19:00
08:00 09:00 10:00 11:00 12:00 13:00 14:00 15:00 16:00 17:00 18:00 19:00

Мы постараемся перезвонить в указанное время

Если вы не хотите ждать, то звоните нашим вежливым консультантам:

8 800 100-2-700
Подтвердите, что вы не робот
Подтвердите, что вы не робот
Спасибо!

Ваше сообщение успешно отправлено!

ЗакрытьПовторить попытку