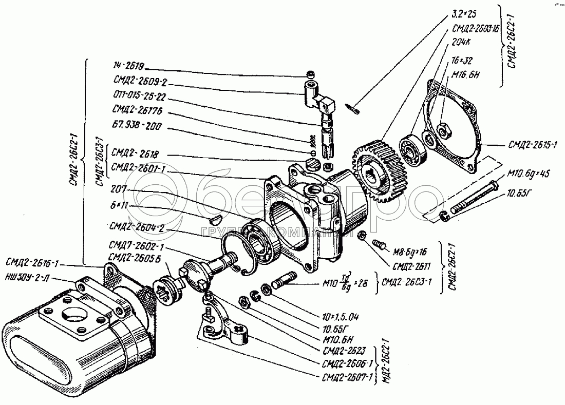
Каталог запасных частей к технике: ВгТЗ ДТ-75Н. Установка гидронасоса НШ50У-2-Л

zoom-in zoom-out enlarge shrink circle-right circle-left file-text2 info cart arraw right arraw left zoom out zoom in arraw maximize arraw minimize
10х1,5.04
207
СМД2-26С2-1
СМД2-26С2-1
СМД2-26С2-1
СМД2-26С2-1
СМД2-2615-1
СМД2-2616-1
СМД2-2617Б
СМД2-2609-2
СМД2-2607-1
10.65Г
10.65Г
204К
47 5352 1779
СМД2-2611
Б 7.938-200
М10(Т03/6g)х28
3.2х25
6х11
М10.6gх45
СМД2-2618
НШ50У-2-Л
СМД2-2605Б
СМД2-2601-1
СМД2-26С3-1
СМД2-26С3-1
СМД2-2623
СМД2-2604-2
011-015-25-22
СМД2-2603-1Б
14-2619
М16.6Н
М10.6Н
М8.6gх16
СМД2-2606-1
СМД7-2602-1
10х1,5.04
Шайба
В узле: 2
207
Подшипник
В узле: 1
СМД2-26С2-1
Привод гидронасоса
В узле: 1
СМД2-2615-1
Прокладка
В узле: 1
СМД2-2616-1
Прокладка
В узле: 1
СМД2-2617Б
Пружина
В узле: 1
СМД2-2609-2
Рычаг включения
В узле: 1
СМД2-2607-1
Сухарик
В узле: 2
10.65Г
Шайба ГОСТ 6402-70
В узле: 4
204К
Подшипник
В узле: 1
47 5352 1779
Шайба стопорная 16х32
В узле: 1
СМД2-2611
Шайба уплотняющая
В узле: 1
Б 7.938-200
Шарик
В узле: 1
М10(Т03/6g)х28
Шпилька
В узле: 2
3.2х25
Шплинт
В узле: 1
6х11
Шпонка сегментная
В узле: 1
М10.6gх45
Болт
В узле: ---
М10.6gх95
Болт
В узле: 2
СМД2-2618
Ограничитель
В узле: 1
НШ50У-2-Л
Насос шестеренный НШ50У-2-Л
В узле: 1
СМД2-2605Б
Муфта кулачковая
В узле: 1
СМД2-2601-1
Корпус привода
В узле: 1
СМД2-26С3-1
Корпус
В узле: 1
СМД2-2623
Кольцо предохранительное
В узле: 2
СМД2-2604-2
Кольцо В72
В узле: 1
011-015-25-22
Кольцо
В узле: 1
СМД2-2603-1Б
Колесо зубчатое привода гидронасоса
В узле: 1
14-2619
Заглушка
В узле: 1
М16.6Н
Гайка
В узле: 1
М10.6Н
Гайка
В узле: 2
М8.6gх16
Болт
В узле: 1
СМД2-2606-1
Вилка
В узле: 1
СМД7-2602-1
Вал привода гидравлического насоса
В узле: 1
Содержащиеся в справочниках-каталогах запасные части и детали не предлагаются к продаже, а носят исключительно информационный характер

Ваша заявка была отправлена. В ближайшее время наши специалисты с Вами свяжутся по указанному Вами телефону.

Представьтесь
Поле обязательно для заполнения
Ваш телефон
Введите правильный номер телефона
E-mail
Введите правильный e-mail
Тема
Тема
применяемость финансирование доставка цена, наличие другое сервис и гарантия
Время для звонка
08:00
08:00 09:00 10:00 11:00 12:00 13:00 14:00 15:00 16:00 17:00 18:00 19:00
19:00
08:00 09:00 10:00 11:00 12:00 13:00 14:00 15:00 16:00 17:00 18:00 19:00

Мы постараемся перезвонить в указанное время

Если вы не хотите ждать, то звоните нашим вежливым консультантам:

8 800 100-2-700
Подтвердите, что вы не робот
Подтвердите, что вы не робот
Спасибо!

Ваше сообщение успешно отправлено!

ЗакрытьПовторить попытку